MX300 Flex circuit 1

MX300 Flex circuit 2

MX300 Flex circuit 3

MX300 Flex circuit 1

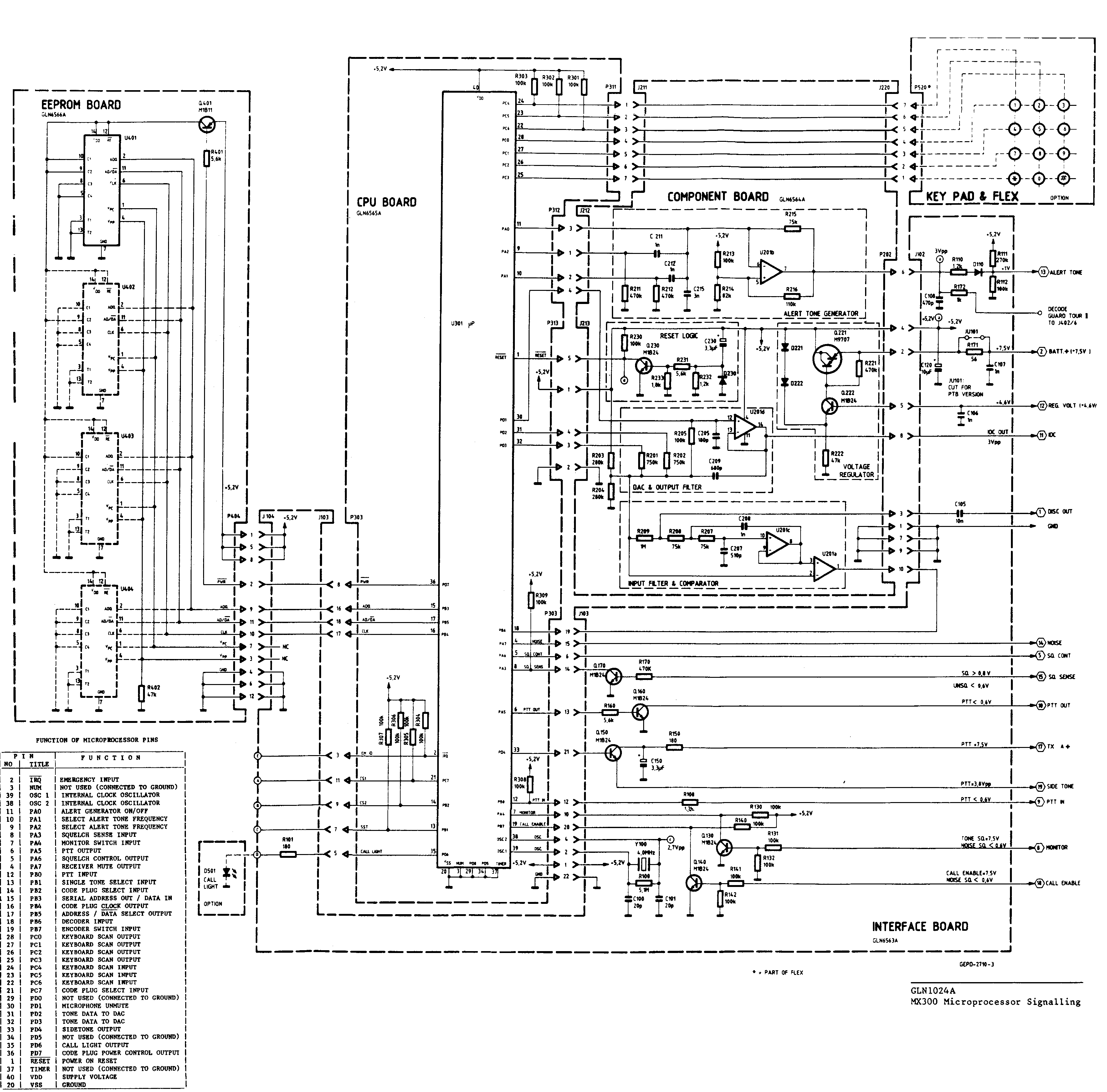
MX300 microprocessor-4

MX300 microprocessor-5

MX300 microprocessor-6

MX300 microprocessor-7

MX300 Tele-mic 1 MX300 Tele-mic 2