Pin_configurations-B-04

Pin_configurations-B-05

Pin_configurations-B-06

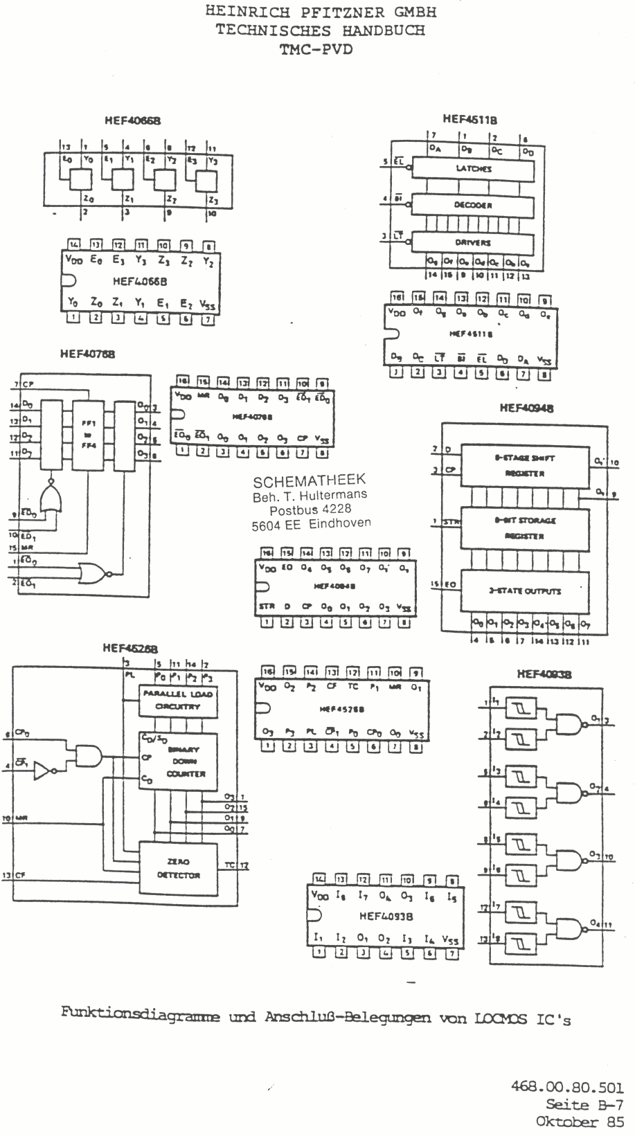
Pin_configurations-B-07

Pin_configurations-B-08