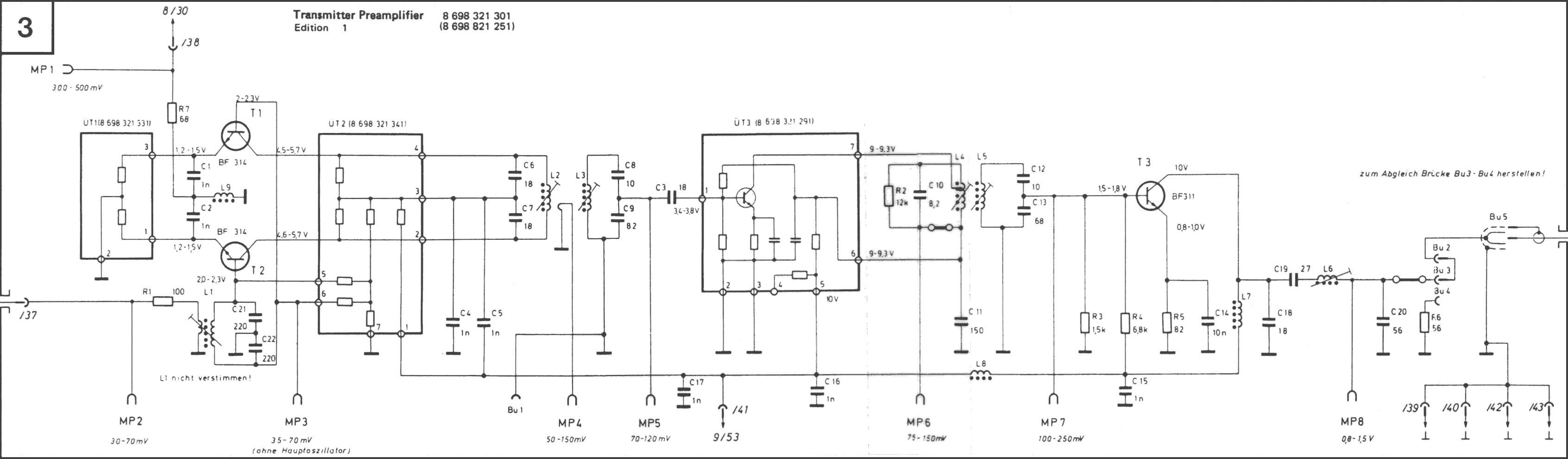
VHF_transmitter_pre_amplifier VHF_transmitter_pre_amplifier_back

Het schema