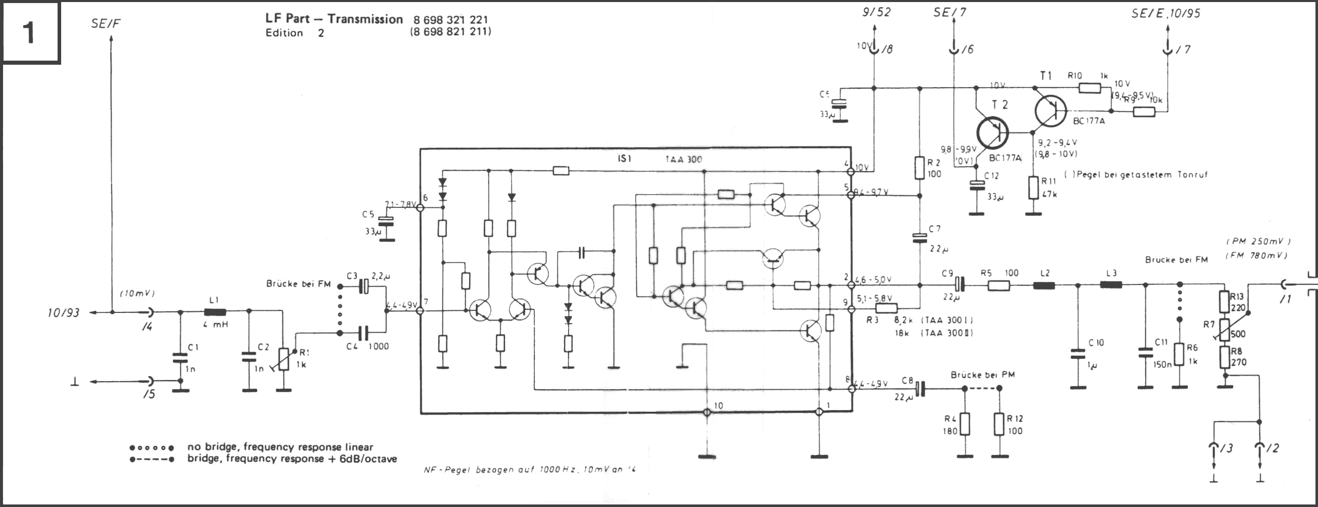
LF input LF input back

Het schema