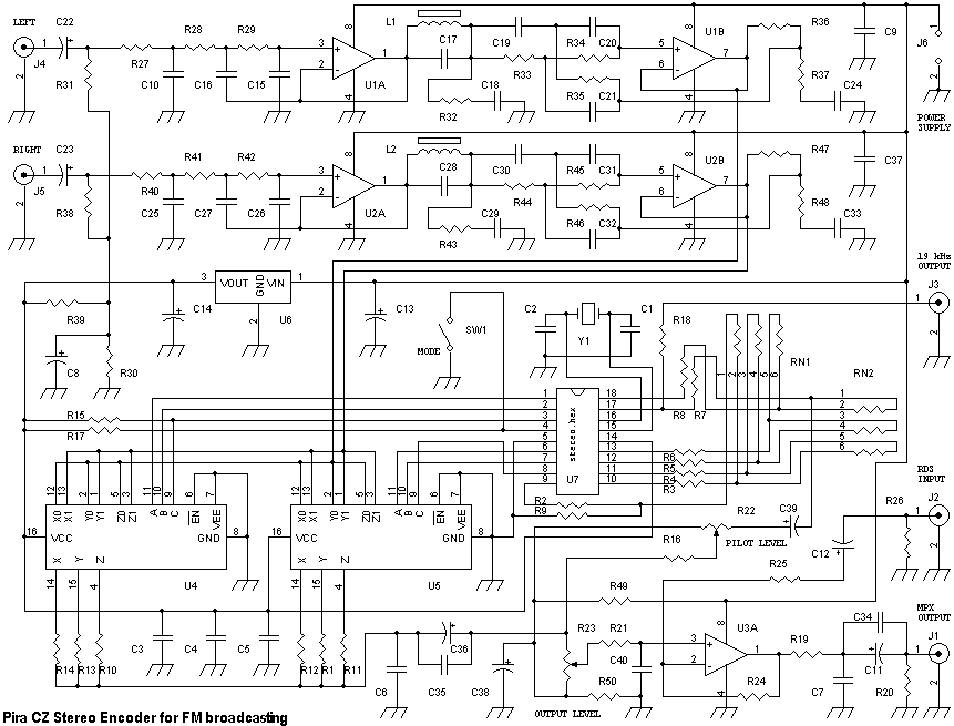
Stereo Encoder
Nicam Encoder
PCM Encoder
Sound in Sync Encoder
Stereo Encoder
70cm WFM purpose


Characteristics:
| Supply voltage: | 9-16 V (stabilized) |
| Quiescent supply current (12 V): | 34 mA |
| Audio 19 kHz rejection: | 40 dB |
| Channel separation at 1 kHz: | >55 dB |
| Subcarrier rejection: | >60 dB |
| Pilot sampling frequency: | 1.843 MHz (19 kHz x 97) |
| Subcarrier sampling frequency: | 1.843 MHz (38 kHz x 48.5) |
| Pilot sync. output: | TTL |
| Max. audio input voltage: | 5 V pp (1.75 V rms) |
| Pilot tone level: | linear adjustable 0-0.5 V pp |
| Output voltage gain: | linear adjustable 0-1.5 |
| Audio input impedance: | 2000 ohm |
| RDS input impedance: | 1000 ohm |
| MPX output impedance: | 500 ohm |
| Pilot sync. output impedance: | 10000 ohm |
| Signal-to-noise ratio: | >70 dB |

Home Made PCB

Nicam Encoder Audio for HIFI Quality
ATV purpose




Pulse-code modulation (PCM) For More HIFI Quality
ATV purpose

Sony PCM 701 ES


PCM without modulation

PCM with modulation
Sound in Sync Encoder (Mono)
ATV purpose

Manufacture PYE