Here I will give some little circuits to try out and to do some experiments with.
Some oscillators (The heart of every transmiter and reciever)
Transistor oscillator.
MAR oscillator:
Oscillator with MMIC (MAR) amplifier.
High quality FET oscillator.
Some oscillator that can be used for overtone crystals.
Due to the high gain U310 fet with metalcan (house = GND) it is very good.
This circuit is very often used as SHF local oscillator !!
Digital oscillator.
Oscillator often used in digital circuits.
It is not very stable !! Can be used also as audible sound generator.
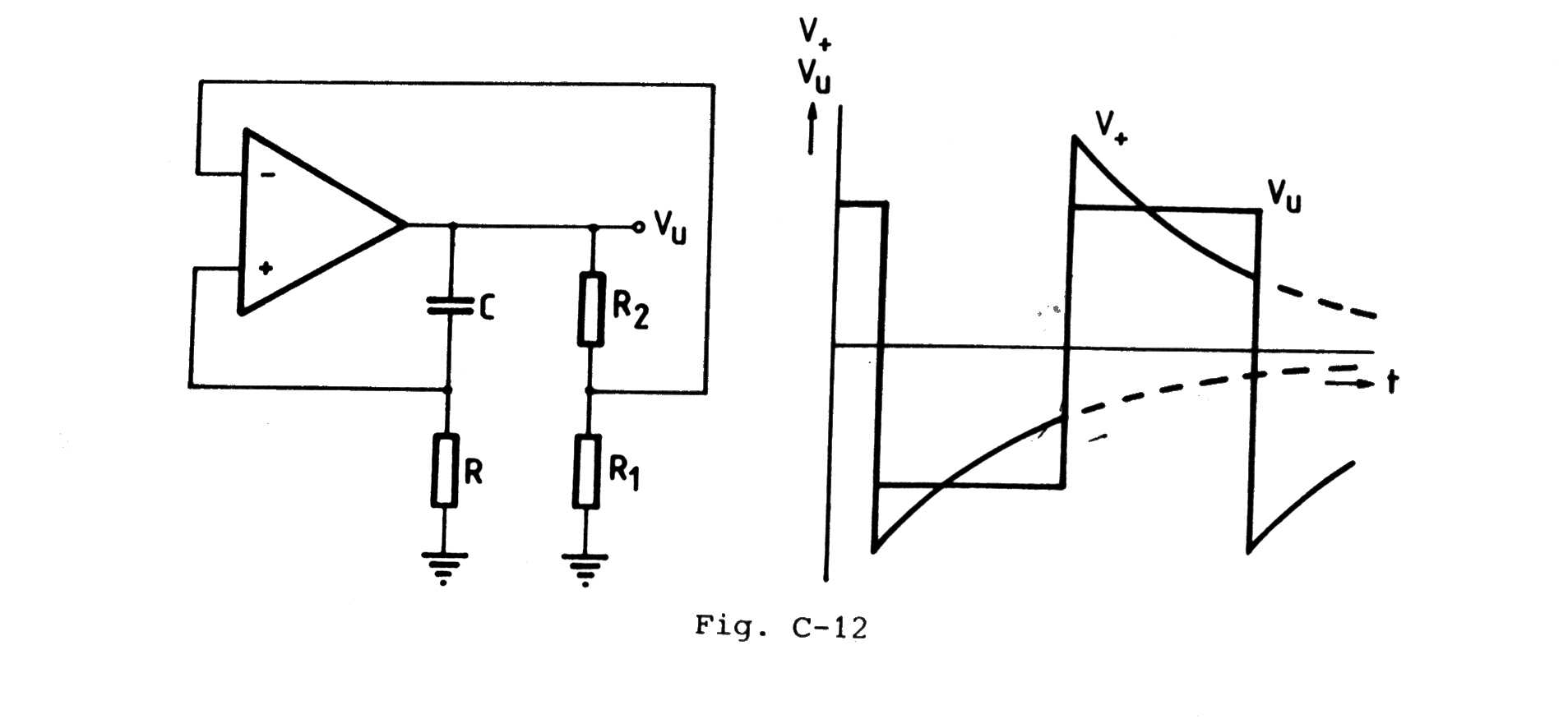
Oscillator with operational amplifier.

Some other version:

EASY TO UNDERSTAND BALUN PRINCIPLE.
These circuits are only for experimental use.
I am not responsible for any mistakes !!!!!!!!
So, enjoy HAM hobby.
73 de PE1RAH (William Leijenaar).