Digital Communication Theory

Let's start our discussions with the theory of digital modulation schemes. Until now ATV amateurs have been using two types of analog modulation schemes, first AM and later this turned out to be FM. With the upcoming transmissions from television satellites a new standard was settled in ATV. The difficult AM transmitters made place for simple FM transmitters. Unfortunately this new standard leaded to a wider occupied bandwidth but this problem was solved by the usage of the rather unexplored 23cm band. People saw another advantage of this modulation scheme because they could use satellite indoor units for the receiver part of their amateur television station. Besides that the quality of the transmissions had a far better performance with respect to the ones with the regular AM transmitters.

Let us first recapitulate the differences between AM and FM. As most of us should know, with AM the information to be transmitted is represented as amplitude information on the RF carrier. With FM however this information is represented by variation of the carrier frequency.

Digital modulation schemes can be distinguished from these analog modulation techniques by the fact that information to be sent is converted to a phase and sometimes also amplitude of the RF carrier. In analogy with mathematics the phase and amplitude of the carrier with frequency wc can be projected as a mathematical vector in a polar diagram (Figure 1). I recall this analogy with mathematics because it gives us more insight in the architectures of modern digital transmitters and receivers, as you will see later.

Figure 1. Polar Diagram representing Magnitude and phase information

 

I/Q modulation

Now imagine that the vector represents a RF carrier with frequency wc which has a certain output power (= amplitude of the vector) and a certain phase (angle of the vector). Now let's for example assume a RF carrier with a constant output power and a phase angle which varies between 0 and 360 degrees. This situation could be projected on our polar diagram as a vector with a constant length (amplitude) which follows the trajectory of a circle. See figure 1. In digital communication theory this polar diagram is represented in rectangular form and the RF signal amplitude's and phase's are represented by "I and Q coordinates" (Figure 2).

Figure 2. Polar Diagram represented in I/Q plane

The result is expressed in terms of I and Q where the signal vector's projection onto the I axis lies on the zero degree reference (therefore called as 'In phase' component) whereupon the projection onto the Q axis lies on the 90 degrees shifted phase reference ('Quadrature component'). The phase and amplitude information of the signal S(t) ( our vector ) with a carrier frequency wc is therefore expressed in terms of I and Q by the following equation:

S(t) = I(t).cos(wc .t)+Q(t).sin(wc .t) ..(1)

Remark the relationship between cos(wc .t) and sin(wc .t) which is 90 degrees.
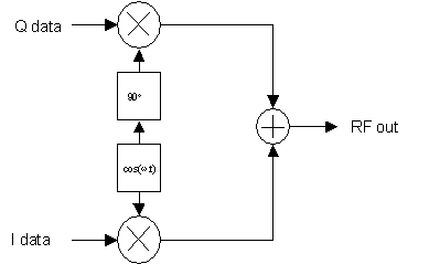
This important relationship leads us to the basic topology of a digital modulator or demodulator, which is shown in figure 3.

Figure 3. Basic architecture of I/Q modulator

For the transmitter situation I and Q data is applied at the inputs of two different mixers that are driven by a local oscillator (or RF carrier) frequency of wc. As can be seen in figure 3. the local oscillator is shifted by 90 degrees before it drives the mixer for the Q path. The mixers form the multiplication of the terms given in equation 1.
Nearly every digital modulator or demodulator is based on this principle. The data to be sent has to be coded into I/Q pairs before it is fed to an I/Q modulator. It should be clear that most of these architectures are build with digital logic or ASIC's or sometimes also programmed in DSP's. This can be called a major advantage of digital (de)modulators.

Overview of digital modulation schemes

The I/Q modulator has the advantage that it is capable to produce all the modulation schemes. Examples of these are MSK,GMSK, FSK,GFSK, BPSK, QPSK, 16QAM,32QAM,64QAM and 256QAM.
Let us first discuss the simple digital modulation schemes like BPSK and QPSK. With BPSK (Bi Phase Shift Keying) only two phase states are defined. A logic '0' represents one phase state whereas a logic '1' represents the other phase state. In digital communications we call a phase state or 'constellation point' a Symbol. BPSK represents one bit per symbol. QPSK is a scheme where four different phase states are defined. These four different phase states have to be mapped to '0's en '1's. This is accomplished by representing every phase state (symbol) as a combination of two bits. So with QPSK every symbol contains two bits and is therefore more spectrum efficient as BPSK. Figure 4 shows BPSK and QPSK in the I/Q diagram. The lines in the diagram show the different trajectories the carrier can follow when a change occurs from one symbol to another one.

Figure 4. BPSK (Left) and QPSK (Right) in the I/Q diagram

QPSK is used for NICAM audio and also for DVB-S. DVB-S stands for Digital Video Broadcasting-Satellite. QPSK is particularly interesting for hobby purposes. A better spectrum efficiency can be established by using a higher order modulation scheme like 16, 32, 64 or even 256 QAM (8 bits per symbols). Unlike QPSK or BPSK these modulation schemes also contain amplitude information beside the phase states. The sixteen phase states with 16QAM can be represented with four bits. Six bits per symbol are needed for 64QAM whereas 256QAM needs eight bits per symbol. The transmission rate of a digital communication system, or number of symbols per time unit, is expressed as the Symbolrate (also known as baudrate). The Symbolrate times the amount of bits per symbol is called the bitrate. As you can see, the higher the number of bits per symbol the higher the spectrum efficiency. However the higher order modulation schemes involves more complexity and they are more susceptible to transmission errors caused by noise and distortion. The latter problem is in practice partly solved by the usage of forward error correction. QAM is used for DVB-C (Digital Video Broadcasting-Cable) and could also be interesting for hobby purposes because of the availability of components used in cable modems and the availability of set-top boxes. Figure 5 shows the constellation diagram of 16QAM. The difference between the vector diagram and the constellation diagram is the fact that just the phase and amplitude information of the carrier is being displayed at the discrete symbol times. In fact that are the only interesting moments where information is relevant.


Figure 5. Constellation diagram of 16 QAM

Our introduction to digital modulation types will be concluded with FSK, GFSK, MSK and GMSK. Particularly the MSK and GMSK types are very interesting to mention. All of these four can be distinguished from the previous modulation types by the fact that these signals do not contain any amplitude variations of the carrier. This has the main advantage that non-linearities in the signal path doesn't introduce unwanted side effects like for example 'spectral regrowth' which will be discussed later. These modulation types can therefore be used with more efficient and less linear amplifiers. FSK stands for Frequency Shift Keying. With FSK the carrier frequency is shifted as a function of the data being transmitted. A frequency shift is observed in the I/Q diagram as a rotating vector. The greater the frequency shift the faster the vector rotates. The direction of the rotating vector in the I/Q diagram is determined by a positive or negative shift of the carrier frequency with respect to its center frequency. FSK is a relative spectrum inefficient modulation type. A better spectrum efficiency of FSK is established when data is passed trough a Gaussian filter before modulation. GFSK is used in the Digital European Cordless Telephone (DECT) standard. A special case of FSK is MSK (Minimum Shift Keying). With minimum shift keying the deviation is chosen in a manner that a positive or negative frequency shift is resulting in a phase shift of plus or minus 90 degrees. A filtered version of MSK, called GMSK (Gaussian Minimum Shift Keying), is used in the GSM system. MSK and GMSK have the advantage that its spectrum efficiency is nearly equal to that of QPSK. The advantage of MSK prior to QPSK is the fact that it can be used with non-linear amplifiers, which simplifies the requirements of the system. At last it should be noted that MSK could be created by using a VCO instead of an I/Q modulator which can be an advantage. It should be clear that the deviation must be accurate in that case in order to generate repeatable phase shifts of 90 degrees.

Filtering

In the previous examples we've roughly discussed the different digital modulation types. Besides the case of GFSK and GMSK all the modulation types discussed before were unfiltered theoretical examples. In practice this will lead to the problem of a very wide occupied bandwidth of the transmitted signal. The sharp transitions from one to another state results to high sidelobes in the transmitted frequency spectrum. This is definitely not the preferred case. Therefore filtering of the I and Q data is needed before it is modulated. The filtering removes the sharp transitions in the I and Q data which results in a better frequency spectrum. As an example a filtered and an unfiltered QPSK spectrum is given in figure 6 as simulated with Advanced Design System 1.5 from Agilent.

Figure 6a and b. Spectrum of unfiltered QPSK (left) and filtered QPSK a=0.15, 1.544 Msym/s (right)

As these pictures show it is very important that the I and Q datapaths need to be filtered before I/Q modulation. At the same time it is important to know that this filtering needs to be done correctly. Incorrect filtering leads to a phenomenon known as "Inter Symbol Interference" which will degrade the overall transmission performance and thus worsen bit error rates. Inter Symbol Interference is the effect that each symbol affects others around that symbols. To explain ISI some basic knowledge about filtering is needed.

Most of us are familiar with the frequency domain characterization of filters. A filter specification can be described in the frequency domain by an amplitude response and a phase response vs. frequency. In that case the amplitude and phase response is evaluated for frequencies from DC to infinity.
Another way to specify a filter response is by doing so in the time domain instead of the frequency domain. In analogy with the frequency sweep from DC to infinity this time domain response can be evaluated by feeding the filter input with a so called 'unit impulse'. This impulse is characterized by infinite amplitude and a zero width. The mathematical description of such an impulse is called a 'delta dirac function'. The result at the output of the filter will be a time varying signal called the 'impulse response' of the filter. In other ways, the impulse response of the filter describes the characteristics of the filter.

Figure 7a and b . Dirac delta function at input of filter (a) results in an impulse response at the output (b)

In digital communications a special type of filter is used for I/Q shaping to prevent excessive occupied bandwidth of the transmitted spectrum. These type of filters are generally known as Nyquist filters. A more widely used class of Nyquist filters are the 'raised cosine filters'. These types of filters have the property that their impulse response have their zero crossings at the symbol frequency. The latter property results in zero intersymbol interference because responses due to other symbols equals zero at the symbol times (the decision times). This effect is visualized in figure 8 with the representation of two impuls responses of a raised cosine filter which are shifted in time by two symboltimes. The discrete symboltimes are given by t1 .. t12. These two responses are originated by the transmission of two separate symbols. If we just look at the discrete timesteps t1 .. t12 in this figure then we can see that the resultant output (addition of the two responses) just gives an amplitude unequal zero at timesteps t5 and t7 (the transmitted symbols). At all other discrete timesteps the resultant output equals zero and thus zero ISI for this type of filter. It is also clear that this statement isn't true for all other times between the different symboltimes, so there exists ISI between the symboltimes. However these times aren't relevant in an digital receiver because the values of the received signal are just sampled at the discrete symboltimes t1 .. t12.

Figure 8 Visualization of zero ISI at the symbol times

It should be clear now that Inter Symbol Interference degrades the performance of the system because the symbols get blurred.
Raised cosine filters owes their names from the slope of the frequency domain characteristic which follows the shape of a part of a cosine function. A major parameter of a raised cosine filter is the excessive bandwidth factor or also rolloff factor known as a (alpha). This factor indicates the excessive bandwidth of a digital modulated signal. So the total occupied bandwidth of a digital modulated signal is determined by the bandwidth of the main lobe multiplied by a factor (1+a). The factor a is a value between 0 and 1. In some cases it is expressed as a percentage (0 - 100%). The value of alpha defines the occupied bandwidth of the signal. The smaller the alpha, the smaller the excessive bandwidth. However this is all realized at the cost of more overshoot. This overshoot results in larger peak envelope powers of the modulated signal and therefore the need for more linear and bigger amplifiers. More on that will be discussed in a next issue of this article. In most digital communication systems the raised cosine is split in two pieces over a transmitter and a receiver. In that case the types of both the filters at transmitter and receiver side are root raised cosine filters. Root raised cosine times root raised cosine gives again the raised cosine filter. In these cases we are speaking of so called matched filters.

In practice the raised cosine filters are realized with digital filter structures like FIR filters. This has the advantage that the filter characteristics or impulse responses of these filters are easily reproduced. This will not be the case with an analog version of this type of filter. Another advantage is that the filtering is taking place at the baseband I and Q signals.
In the analog world it is a tradition to apply filtering at the RF spectrum level. In the digital communication world this will mostly lead to system performance degradation. Therefore spectrum shaping is applied at the (I/Q) baseband level. There are cases possible where digital modulated signals are filtered with analog filters at RF spectrum level. In that case Surface Acoustic Wave filters are used which have the ability to introduce a very low group delay variation across the passband. However simple lumped components like for example helical filters can't be used for shaping a digital modulated signal if you want to do that job correctly.

Just for educational purposes some real life measurements have been done at the output signal of a system which is filtered at the RF output with a helical type bandpass filter. The measurements were performed with Agilent's 89600 Vector Signal Analyzer. The result of that measurement is given in figure 9.

Figure 9 Constellation diagram, Frequency Spectrum and Error Vector Magnitude of a bandpass filtered D-QPSK signal (Bandpass filtered at the RF output level)

Some explanation is needed in this diagram. The upper left corner shows the constellation of a Nicam DQPSK carrier. The green interconnecting lines represents the trajectory of the RF carrier between the four different phase states. The red dots at the four corners represent the symbols. In fact they represent exactly the measured phase and angles at the discrete symboltimes. As you can see there are nine red dots clustered around each constellation point. This is caused by Inter Symbol Interference due to improper filtering. The design uses an analog helical type filter from TOKO at the output. Although this filter does filter the spectrum a bit it is clear that this filter is far away from a nice Nyquist type of filter which wouldn't introduce ISI at the symboltimes. The upper right corner represents the Error Vector Magnitude vs. time which is a general representation for the quality of a digital modulated signal. In well dimensioned systems the value of the EVM is in the order of 1%. As can be seen in this diagram the EVM equals 7-8% average which can be made better. Finally we see the frequency spectrum at the lower left corner of the diagram. As can be seen there is still a large amount of side-lobes. So that could have been better also if correct filtering is applied. Fortunately QPSK has the advantage that it is relative insensitive for transmission errors with respect to higher order modulation schemes and therefore the above signal will not lead to extreme performance degradation. Nevertheless a professional QPSK modulator needs proper filtering. This will result in better performance at lower signal to noise ratios and less interference with the video signal. Fortunately there are new possibilities at these times to create a nice digital modulator.
As an evaluation we have been done some measurements on a single chip digital modulator which uses correct pulse shaping. These results are finally given in figure 10.


Figure 10 Constellation diagram, Frequency Spectrum and Error Vector Magnitude of a digital DQPSK modulator with correct pulse shaping

The results of these measurements shows the effect of zero ISI. There are just four sharp red dots visible in the four corners off the constellation diagram instead of the groups of nine in the previous one. Also the Error Vector Magnitude (EVM) is far better with average values below 1%.
At last the spectrum is also much better in this case. So good symbol filtering (pulse shaping) results in optimum performance.

In practice the filtering of digital modulation is done at baseband level. So the digital I and Q symbols are filtered with a kind of Root Raised Cosine filter as mentioned before. These type of filters are relative easily implemented in digital hardware. Finite Impulse Response (FIR) filters are therefore suited for this task. One major parameter of the Root Raised Cosine filter is the excessive bandwidth factor 'alpha'. This alpha has great impact on spectrum efficiency and also on linearity needed in the transmission path. The smaller the alpha the smaller and efficienter the spectrum will be. However this is all done at the cost of more dynamic range and linearity because of the higher peak excursions of the carrier as will be seen in the following section.

Linearity

The alpha of the baseband filter defines the steepness of the transitions between the symbols. Therefore there is a direct relation between alpha, bandwidth and peak excursions of the modulated signal. Figure 10 showed a real life measurement on a digital modulated signal, a QPSK modulated Nicam audio subcarrier which uses an alpha of 1. A Root Raised Cosine shaping filter with an alpha of 1 which is used for Nicam is a very smooth type of filter and that can be seen directly from the constellation diagram because the carrier trajectory shows very smooth and regular transitions between the (red) constellation points. We can also see that the peak excursions of the carrier is not exceeding the outer corners of the red constellation points too much. Another example of a real life QPSK signal is given in figure 11 which represents a QPSK signal which uses a smaller alpha, in this case 0.22, for the Root Raised Cosine excessive bandwidth factor.

Figure 11 Vector Signal Analysis on QPSK signal 4.096 MSym/s, RRC alpha = 0.22

In this picture you can see a wild trajectory of the carrier moving accross all constellation points. Also large peak excursions around the red constellation points are clearly visible. This signal needs a bigger amplifier compared to the previous Nicam signal as shown in figure 10 which used an alpha of 1.

As can be seen in figure 11 the carrier has higher peak to average ratios. If the amplifier is not capable to handle with these high peak to average ratios then the signal will be distorted. In fact this has a direct impact on the frequency spectrum of the signal because a certain level of intermodulation distortion will become clearly visible. This type of distortion which finds its origin in intermodulation distortion is mentioned in literature as "spectral regrowth". Unfortunately these spectral regrowth levels can reach high levels and this results in high occupied bandwidth, something we definitely do not want. Something to be more concerned about, and this is specifically true for amateurs who want to use QPSK modulation for digital TV transmissions, is the fact that despite these high spectral regrowth levels still error free communication will be possible. This is something to be concerned about because if everybody starts using QPSK modulated DVB-S transmissions on our frequency bands with bad amplifiers then one of the main advantages of digital modulation, spectrum efficiency, will be undone!

To show the effect of spectral regrowth I have done some measurements on a typical 'amateur' power amplifier, the M67715 power module for 23cm from Mitsubishi which is capable to deliver 2 Watt compressed output power. For the measurements several output levels are verified.

Figure 12 Spectral regrowth level of QPSK signal with M67715 module driven to 180mW output power

As clearly visible in figure 12 the spectral regrowth levels are quitte high with 'shoulders' at -40dBc! However the constellation diagram shows still very good constellation points.. The EVM level is a little bit increased to a little bit more than 1%. In practice we are not really happy with these 'shoulders' on our signal and this is only 180mW output power!

Figure 13 Spectral regrowth level of QPSK signal with M67715 module driven to 575mW output power

In figure 13 the output level is increased by 5dB to an output level of 575mW. The spectral regrowth levels rise to approximately -35dBc. Also in this case the constellation diagram shows still very good constellation points.. The EVM level is a little bit increased to a level of 1.3%. So in practice you'll probably not see any degradation in your transmission path however your neighbour will complain about your wide occupied bandwidth.

Figure 14 Spectral regrowth level of QPSK signal with M67715 module driven into saturation (2 Watt)

Figure 14 shows a final measurement on the M67715 power module with an additional increase of output level of 5dB. In this case the amplifier is driven into saturation and therefore clipping the signal. This can be seen clearly from the constellation points which shows strange behavior and also EVM is risen to 5.2%. Because of the robustness of QPSK modulation it is likely that you still will not see any communication degradations. However this spectrum is very bad and we don't want people to transmit signals as shown here!

 
 

© 2004 pe1jok & pe1obw, www.d-atv.com