
Als frontend wordt een tunerblikje gebruikt van Philips of Sharp. De Philips tuners SF912 en SF1216 bezitten een I2C synthesizer chip SP5055 om de frequentie in te stellen.Dit maakt het gebruik van deze tuner erg eenvoudig, we hoeven alleen een I2C commando naar de tuner te sturen om hem op de gewenste frequentie te zetten. Voor diegenen die liever een Sharp tuner gebruiken is een extra hulpschakeling nodig. Deze tuner heeft alleen een VCO en prescaler. Een externe pll synthesizer chip is nodig voor een stabiele frequentie instelling. Dit is gerealiseerd met een MC145155 chip die via SPI wordt aangestuurd vanuit de processor.
Geluid: De audio carrier frequentie is vrij afstembaar tussen 5 en 9 MHz. Hiervoor wordt een Siemens TDA6160 gebruikt. Deze chip werkt ook met I2C besturing.
Beeld: De video versterker begint met een standaard deempfase circuit en laagdoorlaat filter. De video-zwaai wordt geregeld met een digitale potmeter met I2C sturing, de polariteit wordt met een analoge switch geschakeld. De gain wordt met de bekende NE592 gerealiseerd. Vervolgens is er een clamping circuit met een als super-zener geschakelde transistor (T?) Er zijn twee 75Ω uitgangen.
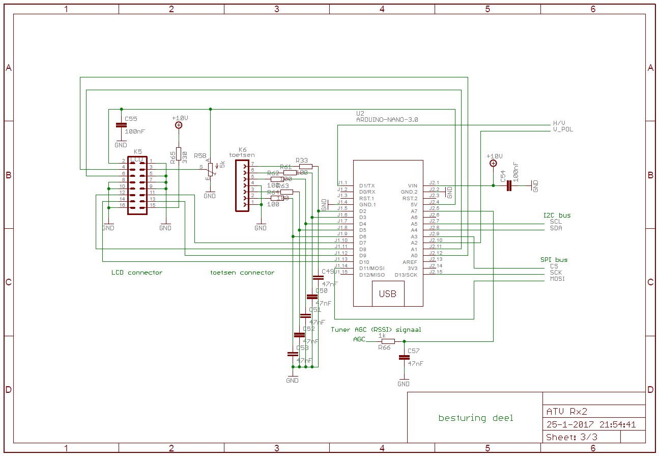
Besturing: De besturing werkt met een Arduino Nano (AtMega328p). Als "human interface" zijn een standaard LCD display van twee regels met 16 karakters aanwezig, en twee druktoetsen "Menu" en "Bandswitch" en tot slot een rotary encoder met druktoets als "Enter" toets. In combinatie met de menu toets kunnen hiermee alle noodzakelijk instellingen gemaakt worden.
Voeding: De voeding gebruikt een low-drop 10Volt regelaar voor de analoge circuits en een standaard 7805 voor de digitale circuits. Verder is er nog een "boost converter"aanwezig om zonodig +18V te genereren uit de inkomende 12V. Verder wordt deze spanning gebruikt als afstemspanning voor het tunerblikje, hier is zo'n 28V voor nodig.
For Circuit diagrams in .pdf see downloads