80 METER CW TRANSCEIVER
(1998)
CLICK HERE FOR THE ENGLISH VERSION

80 meter band CW transceiver met een directe conversie ontvanger met zijband onderdrukking.
Voordelen
Voor een enkelzijband ontvanger voldoet een superhet met kristalfilter uitstekend. Je kunt je dan ook afvragen waarom we er een volgens het fase systeem zouden gaan bouwen. Tenslotte is de zijband onderdrukking niet zo goed als die van een ontvanger met een kristalfilter.
Toch zijn er zeker redenen om eens serieus naar zo een enkelzijband ontvanger volgens het fase systeem te kijken:
Zijband onderdrukking
Een directe conversie ontvanger volgens het fase systeem heeft minder zijband onderdrukking dan een superhet met kristalfilter. Maar hebben wij voor een eenvoudige ontvanger echt zoveel onderdrukking nodig? Om daar wat gevoel voor te krijgen heb ik op de 80 meter band een vrij experimenteel radio onderzoekje uitgevoerd.
Tussen de antenne en een goede 80 meter ontvanger is een HF verzwakker geplaatst. De verzwakker is zodanig ingesteld dat de achtergrond ruis (atmosferische ruis) net verdwijnt in de onvanger ruis om beinvloeding hiervan op het experiment te voorkomen. Ook zorgt deze verzwakker voor een correcte 50 ohm ingangsimpedantie van de ontvanger.
Vervolgens is de zijband onderdrukking nagebootst door het plaatsen van extra verzwakkers van 20, 30, 40 en 50 dB. De stations die met die verzwakkers nog ontvangen kunnen worden zou je ook nog op de met dezelfde waarde onderdrukte zijband horen. De resultaten waren als volgt:

De gebruikte fase methode.

Het project werd een groot succes!
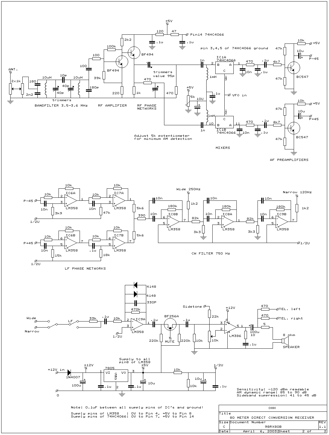
DE ONTVANGER

Schema van de ontvanger
Preselector, HF voorversterker
Aan de ingang zit de altijd zeer nuttige HF verzwakker, hier is dat tevens de belangrijkste volume regelaar. Het bandfilter in de preselector is afgestemd op het midden van de CW band. De HF voorversterker zorgt voor enige versterking om het verlies in o.a. de HF fase verschuivings netwerkjes te compenseren. De versterker heeft een hoge ingangsimpedantie om het bandfilter niet te veel te belasten en een lage uitgangsimpedantie voor de fase netwerkjes.
HF fase verschuivings netwerkjes
Dit zijn simpele RC netwerken die met behulp van trimmers worden afgeregeld op ongeveer plus en min 45 graden fase draaing. Ze corrigeren gelijk ook de amplitude verschillen in de beide signaaltakken. Bij een optimale instelling is het mogelijk dat het ene netwerk op plus 55 graden en het andere op min 35 graden is afgeregeld, het verschil moet echter 90 graden zijn. Afstelling doe je op het gehoor op 3550 kHz, probeer verschillende trimmer instellingen en regel de andere af op maximale onderdrukking terwijl je hebt afgestemd op een signaal dat op de ongewenste zijband hoorbaar is.
Meestal zie je dat de fase verschuiving in het VFO signaal pad plaats vindt. De VFO werkt dan op 4 maal de ontvangst frequentie en de 90 graden fase verschuiving gebeurt door een aantal twee delers. Het voordeel van de hier toegepaste netwerkjes in het HF signaalpad is dat er gecorrigeerd kan worden voor amplitude- en fase verschillen in bijvoorbeeld de mixers. Ook is het voor ons hobbyisten altijd weer een bron van vermaak om eindeloos te draaien aan de trimmertjes omdat je denkt dat het toch nog net iets beter kan.
HF mixers en audio voorversterkers
De beide in fase verschoven signalen worden in twee aparte mixers naar audio frequenties gemixed. Een 74HC4066 IC bevat de twee CMOS schakelaars voor beide mixers. Stel de 5k potentiometer af op minimale AM detectie van sterke omroepstations indien je daar last van mocht hebben. Zo niet dan zet je hem maar in de middenstand.
Na de mixers volgen eerst twee stabiele tegengekoppelde voorversterkers om te voorkomen dat de zwakke signalen verzuipen in de door de diverse LF fase netwerken en filters opgewekte ruis.
Laagfrequent fase verschuivings netwerken
Er is dus niet het complexe polyfase netwerk toegepast maar een eenvoudiger ontwerp uit het boek "Praktische Filtertechniek", een uitgave van Elektuur, ISBN90-70160-86-2 en geschreven door Harry Baggen. De fase fout tussen 150 Hz en 5 kHz is maximaal 1,5 graden en het kan dus ook voor SSB toegepast worden. Voor deze CW transceiver is alleen het frequentie gebied tussen ongeveer 400 Hz en 1000 Hz belangrijk. Ik gebruikte 1 procent weerstanden en de nauwkeurigheid van de condensatoren is 5 procent. Beide signalen worden samengevoegd via de 5600 ohm weerstanden. Hier gebeurt de grote truuk van het optellen en aftrekken van de gewenste en ongewenste zijband.
CW filter en laagfrequent gedeelte
Ook dit ontwerp is berekend met behulp van de formules uit het eerder genoemde boek. Het brede filter is wat prettiger om naar te luisteren, het smalle kun je inschakelen indien je last van storing hebt of bij ontvangst van digitale mode’s zoals Feld Hell.
Een schakelaartje regelt het volume, er was geen plaats meer op het voorfrontje voor een potentiometer. De schakelaar beïnvloedt de versterking van de eerstvolgende LM358 LF versterker. Het voordeel is dat niet alleen het audio signaal wordt verzwakt maar ook de ruis van de LF versterker van deze trap. De diodes begrenzen het signaal tot 0,7 volt om oversturing van de mute schakelaar te voorkomen. Deze mute schakelaar is een fet BF256A, gebruik een A type vanwege de lagere afknijpspanning.
Een klein chipje, de LM386 doet het prima als audio eindversterker.
Modificaties voor spraak SSB ontvangst
Voor ontvangst van spraak moeten een paar wijzigingen worden aangebracht vanwege het hogere audio frequentie bereik:
VFO EN RIT SCHAKELING

Schema van de VFO
VFO
Had ik daarnet verteld dat de VFO frequentie gelijk kan zijn aan de ontvangst frequentie en werkt de VFO hier op de dubbele ontvangstfrequentie.
Daar is een heel eenvoudige reden voor. De VFO wordt ook gebruikt voor de zender. Wanneer je de VFO frequentie gelijk maakt aan de zendfrequentie, is instabiliteit tijdens het zenden door terugwerking van het sterke zendsignaal bijna niet te voorkomen. Daarom werkt de VFO op een frequentie van 7000 tot 7200 kHz en wordt deze vervolgens door twee gedeeld. Ondanks dat moet hij zeker in een goede afgeschermde behuizing worden geplaatst.
Ook is er een temperatuur compensatie aangebracht met een NTC weerstand. Deze wordt met de 10k potentiomenter afgeregeld op 3550 kHz waardoor de drift gemiddeld met ongeveer een factor drie werd verbeterd.
RIT
De RIT wordt ingeschakeld door een van de overgebleven CMOS schakelaars van het 74HC4066 IC. Op de nulpositie is de toonhoogte van een ontvangen signaal ongeveer 750 Hz en deze moet zero beat met dat signaal zijn indien de RIT schakelaar uit wordt geschakeld (rit/ext. Schakelaar op de foto van de transceiver). De ingang voor een externe frequentie regeling (bijv. voor telex of frequentie stabilisatie experimenten) heb ik nog nooit gebruikt en kun je gerust weglaten.
DE ZENDER

Schema van de zender
Zender
Deze is voor velen van jullie wel duidelijk, maar hier volgt nog even een korte beschrijving.
Eerste stuurtrap
Met de 1k potentiometer kan het uitgangsvermogen van 0 tot 10 Watt worden geregeld. Het signaal wordt versterkt in een BC547, het uitgangscircuit (10 uH spoeltje en condensatoren) wordt afgeregeld op 3550 kHz. Regel de 242 pF condensator af op resontantie (maximum uitgangsvermogen). Afstelling is niet kritisch, het is een kring met een lage Q factor. Deze stuurtrap wordt geschakeld door de seinsleutel via de transistor BC557. De diode en 1 uF condensator voorkomen schakelklikken op nabuige frequenties.
Tweede trap
Dit is een overbekende oude 2N3553 transistor, een 2N4427 is ook goed en er zijn vast nog wel andere zeer bruikbare type’s. De 1k weerstand dempt mogelijke oscillatie neigingen. De 2x 10 ohm emitter weerstanden voorkomen oversturing en de daarbij horende oververhitting.
Eindtrap
Natuurlijk is het belachelijk om zo een dure VHF transistor toe te passen. Een 2SC1969 doet het net zo goed. Maar ik had nog twee MRF238 transistoren al jaren ongebruikt liggen. Een werd tijdens de bouw opgeblazen door het foutief aansluiten van de HF koppeltransformator tussen stuurtrap en eindtrap.... Een duur eindtrapje dus.
De twee weerstanden van 12 ohm zorgen voor een lage ingangs impedantie. Dit is belangrijk voor een goede stabiliteit. De 1 nF condensator heeft een lage impedantie voor hogere frequenties en voorkomt volgens de theorie HF en VHF oscillaties. Tenslotte is er een tegenkoppelings netwerk bestaande uit de 2x 100 ohm weerstanden en 2x 0,1 uF condensatoren om oscillaties op frequenties lager dan 1 MHz te voorkomen. Nou mijn petje af voor diegenen die dit uitgedacht hebben, het eindtrapje is zeer stabiel.
Door het toegepaste 6 elements antenne filter is de onderdrukking van de tweede harmonische 53 dB en die van de hogere tenminste 60 dB.
Antenne schakelaar
De 90 pF trimmer met 33 uH spoeltje wordt afgeregeld op resonantie op 3550 kHz. Het eerste diode paartje is verbonden met een hoogohmig punt en begrenst daar het sterke HF signaal van de zender. Het tweede diode paartje doet normaal niets. Alleen wanneer er iets fout gaat in de schakeling is het een extra bescherming voor de ontvanger en gaat de 12 ohm weerstand roken.
Eenvoudige frequentie teller
Een groot voordeel van de fase ontvanger is dat er een eenvoudige teller zonder correctie voor de midden frequentie kan worden toegepast.
Als het eenvoudig kan dan zullen we het ook maar gelijk echt eenvoudig doen: Zes rode leds worden gebruikt om de frequentie weer te geven, de zevende groene om aan te geven dat je binnen de band 3500 - 3600 kHz zit.
Tel de waardes van de leds op en je weet je frequentie. Op 3559 kHz branden de drie leds voor 3 kHz, 6 kHz en 50 kHz.
Verdraai de afstemknop nog een beetje verder en een vierde, de 1,5 kHz led begint te branden. Nu zit je op 3560 kHz, net boven de QRP frequentie. Draai de afstemming een beetje terug en je zit exact op 3560 kHz. Een heel eenvoudige schakeling die prima voldoet, aflezing van de frequentie is echt niet moeilijk.
Opmerkingen
De ontvanger is in een aparte behuizing geplaatst omdat de zender al eens eerder gemaakt was voor een ander projekt. Alles moest met kabels en pluggen worden doorverbonden, HF signalen via coax en BNC connectoren, andere bekabeling via afgeschermde audio kabels en pluggen. Normaal bouw je alles natuurlijk in 1 kast.
Het geheel is weer uitgevoerd in de door velen verfoeide constructie methode die bekend staan onder de Engelse benamingen "ugly method" of "dead bug method". IC’s met de pootjes omhoog op de ongeëtste print geplakt, onderdelen op de print en aan de diverse pootjes gesoldeerd, condensatoren ook op de print geplakt. Hier en daar worden de montage draden met lijm vastgeplakt en met nylon draad tot kabelboompjes bijeengebonden.
Het maken van printen is voor zo’n projekt helaas niet mogelijk. Tijdens de ontwikkeling van zo een transceiver moet er erg veel worden gemodificeerd. Ook bij deze transceiver is onlangs na jaren van gebruik een ingrijpend aantal modificaties aangebracht ter verbetering en om een aantal vereenvoudigingen uit te proberen. Dit zou onmogelijk zijn indien de constructie uitgevoerd was met echte printjes.
Plaats de VFO in een goed afgeschermde en dichte behuizing (bijvoorbeeld van printplaat en dicht vanwege de temperatuurstabiliteit). Ook de frequentie teller moet van een afscherming worden voorzien. Ik gebruikte daarvoor gaas met vierkante gaten van 1 cm. Voordeel is dat je door de gaten heen kunt solderen enz. voor modificaties.
De zelfinducties (behalve in het laagdoorlaatfilter van de zender) zijn de gewone commerciële type’s die op dikke weerstanden lijken. Lx zijn smoorspoelen van 6 gats ferriet kernen, wat anders kan ook, gebruik maar wat je hebt liggen.
Neem geen 74HCT maar 74HC (zonder T) type’s!
Prestaties, gemeten en beluisterd
Gevoeligheid: -120 dBm (0,2 uV) signalen zijn leesbaar AM dynamisch bereik: 85 tot 90 dB (goed)
Zijband onderdrukking (slechtste punt tussen 150 - 5000 Hz)
3500 kHz: 42 dB
3550 kHz: 45 dB
3600 kHz: 41 dB
Het eerste exemplaar had voor modificatie 37 dB onderdrukking en deze waarde was na een aantal jaren nog steeds gelijk.
Zendvermogen: 10 Watt bij 12 volt
Onderdrukking van harmonischen: beter dan 50 dB
Slot
Het is een prettige ontvanger om naar te luisteren, hij voldoet zonder meer voor de normale 80 meter QSO’s. Het fase systeem zou bijvoorbeeld ook heel goed gebruikt kunnen worden in een eenvoudige QRP transceiver voor de digitale mode’s zoals PSK31, Feld Hell of zelfs Slow Feld Hell voor het echte QRPp werk. Ook de zender moet dan volgens het fase systeem opgezet worden en een DDS met een eenvoudige microprocessor zoals ontworpen door Ton, PA0KLT (Nieuwsbrief nr 103…) kan als zeer stabiele VFO dienst doen. Voor deze lage frequentie kan de microprocessor vast ook nog wel de frequentie weergeven met behulp van één 7 segments led display volgens de knipper methode. Een idee voor een projekt voor de vele nieuwe QRP’ers in het toekomstige morse code loze tijdperk???
FOTOS
Het is winter en slechts 8 graden in mijn ijskoude, onverwarmde werkplaats! Het is veel te koud om op blote voeten op de ijskoude vloer van mijn werkplaats te lopen! Maar schoenen, sokken en tapijt zijn verboden vanwege statische elektriciteit! Ik moest dus op blote voeten lopen! Ik had een leuk idee voor een spannend project en keek naar mijn veel te koude, rode tenen! Zal het project slagen en zullen mijn tenen de verschrikkelijke kou overleven?

Directe conversie ontvanger met zijband onderdrukking.

De VFO van de ontvanger is in een afscherming van printplaat gemonteerd!

De geopende VFO van de ontvanger.

Zender

De uiterst simpele maar efficiente frequentie counter met 7 leds en maar
3 IC's en z'n eigen 5 volt stabilisator. Afgeschermd met kippengaas...

Achterkant, behoorlijk ingewikkeld met al die kabeltjes...