SCHEEPVAART ONTVANGER
(1985)
CLICK HERE FOR THE ENGLISH VERSION

Scheepvaart ontvanger voor de ontvangst van weerberichten.
Scheepvaart ontvanger voor de ontvangst van kuststations.
Ontvangst van weerberichten en wind- en stormwaarschuwingen uitgezonden door kuststations is erg belangrijk wanneer je op zee zeilt. Ik wilde heel graag een eenvoudige ontvanger hebben die je gemakkelijk en snel op de gewenste frequentie kunt afstemmen en die een goede frequentie stabiliteit heeft voor de ontvangst van de enkelzijband signalen. In het gebied waar ik altijd zeilde waren twee kuststations actief, dus waren er maar een paar frequenties nodig.
Deze eenvoudige ontvanger met 5 kristallen kan gemakkelijk op de gewenste frequentie worden afgestemd. En vanwege de kristallen is de frequentie stabiliteit voor EZB ontvangst uitstekend. Toen ik de ontvanger na 18 jaar weer eens van zolder haalde stond hij zonder de fijnafstemming te gebruiken nog exact op de frequentie van 2182 kHz.
| Frequenties en kuststations |
Schakelaar positie |
Frequentie (kHz) |
Station |
| 0 |
None |
Uit |
| 1 |
2182 |
Internationale aanroep en nood MF frequentie |
| 2 |
1862 |
Scheveningen radio noord |
| 3 |
1890 |
Scheveningen radio west |
| 4 |
2614 |
Norddeich radio |
| 5 |
2775 |
Norddeich radio |
Uitleg
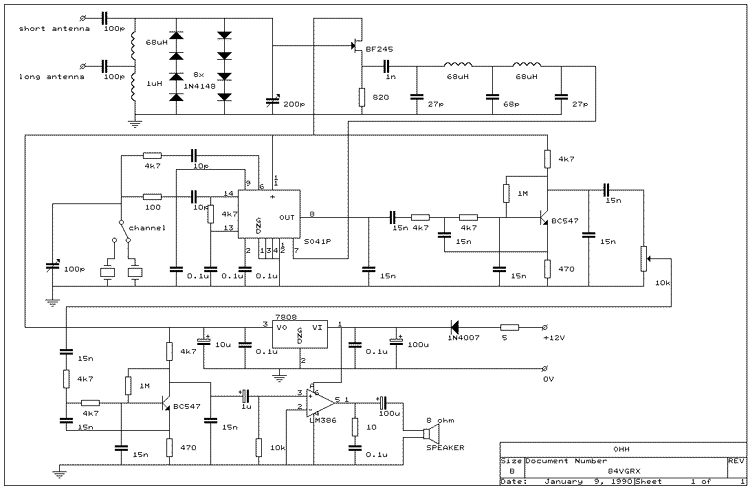
Het is een eenvoudige directe conversie ontvanger. De local oscillator werkt op de ontvangstfrequentie. Er is geen middenfrequent trap, aan de uitgang van de mixer staat al direct het laagfrequent signaal. Een nadeel is dat beide zijbanden worden ontvangen, maar in de praktijk was dat nooit een probleem. Er waren nooit signalen hoorbaar op de andere zijband wanneer enkelzijband signalen van kuststations werden ontvangen.
HF versterker
Aan de ingang zit een selectieve LC kring die met een variabele mica condensator op de ontvangstfrequentie wordt afgestemd. De ontvanger wordt afgestemd op maximum signaal of ruis. De diodes beschermen de FET tegen hoge piekspanningen op de antenne. Het doel van het selectieve ingangsfilter is om allerlei sterke signalen op andere frequenties te onderdrukken. Daardoor zou de ontvanger overstuurd kunnen worden. Dit selectieve filter wordt gevolgd door een versterker met een FET BF245. Deze FET is eigenlijk geen spanningsversterker maar een stroomversterker oftewel een impedantie omzetter: de ingang is hoogohmig, de uitgang is laagohmig.
Na de FET zie je een laagdoorlaatfilter met een afsnijfrequentie van 4 MHz. De ontvanger is namelijk ook gevoelig voor signalen op 2x en 3x de ontvangstfrequentie. Dit filter onderdrukt de sterke signalen boven de 4 MHz op deze frequenties.

Schema
Mixer en local oscillator
Het IC SO41P bevat de mixer en ook de local oscillator. Vanwege de dure kristallen was het geen goedkope ontvanger. In het schema zijn maar 2 kristallen getekend, maar de ontvanger heeft 5 kristallen en een 2x6 positie schakelaar. De 6e positie van de tweede sectie is de UIT positie van de ontvanger. De kristalfrequentie is gelijk aan de frequentie van het kuststation. Fijnafstemming voor SSB ontvangst doe je door middel van een tweede variabele mica condensator. De ontvanger werd gevoed uit een 12V accu die ook voor de dieptemeter en de navigatie verlichting werd gebruikt.

Audio frequentie karakteristiek.
LF filters en versterker
Het LF signaal op de uitgang van de mixer wordt gefilterd en versterkt door twee trappen met een BC547 transistor. De volume regeling kun je vinden tussen de twee trappen. Een eenvoudige LF eindtrap met een LM386 stuurt de kleine luidspreker aan. Een 7808 stabilisator levert de 8V voor het hele circuit, behalve de LF eindtrap, die wordt direct uit de 12V gevoed. De audio karakteristiek lijkt niet zo fraai. Maar deze compenseert de frequentie karakteristiek van het kleine luidsprekertje dat erg ongevoelig is voor de lage frequenties.

De binnenkant
Resultaten
Deze eenvoudige ontvanger deed het altijd prima. Wanneer je in een bewegende boot op de golven zit, is het afstemmen op enkelzijband signalen altijd erg moeilijk. Maar niet met deze ontvanger! In een paar seconden was hij op het gewenste kuststation afgestemd. De ontvangst van de scheepsweerberichten en navigatie waarschuwingen was altijd prima. Er werd een korte antenne van 1 meter lengte gebruikt in de kajuit van een polyester boot.

(Onno 1986)
Het zeilbootje waarvoor de ontvanger gemaakt werd.

Het was heel leuk om een paar uur op blote voeten op het ijs te lopen waar ik tijdens de zomer zeilde!
Maar... doe dat nooit als het kouder is dan -3C tot -4C (26F)!
Index PA2OHH