KORTEGOLF ONTVANGER
10 kHz - 30 MHz
(2002)
CLICK HERE FOR THE ENGLISH VERSION

De eenvoudige kortegolf ontvanger voor CW en SSB.
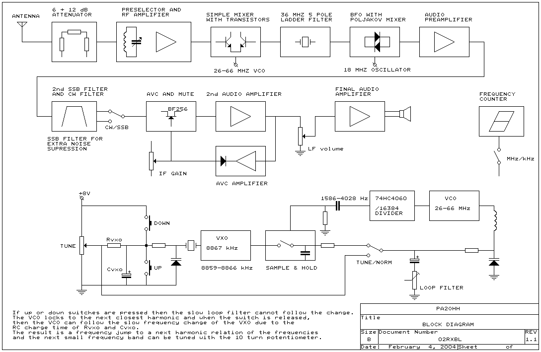
Eenvoud begint bij het blokschema!
Het is niet zo moeilijk om een ingewikkeld schema van een ontvanger op papier te zetten met alle toeters en bellen die je maar kunt bedenken. Veel moeilijker is het om keuzes te maken. Wat laten we weg en wat is echt nodig. Hoe meer je weglaat, hoe minder problemen je kunt verwachten met de constructie.

Blokschema
Lower Side Band en het ladder filter
Wat een pech dat die amateurs nu weer LSB moeten gebruiken beneden de 10 MHz. En dat houden ze maar stug vol.... Helaas is de zijband onderdrukking van een ladder filter veel slechter wanneer de BFO frequentie aan de onderkant van het filter ligt, zoals hier nodig is voor LSB ontvangst. Maar ook daar hebben we een oplossing voor. We laten de VFO namelijk beginnen bij 26 MHz in plaats van 36 MHz. Voor LSB ontvangst stemmen we dit VFO vervolgens af beneden de 36 MHz in plaats van erboven en hebben we ook voor LSB een goede zijband onderdrukking. Bij deze ontvanger zul je dan ook tevergeefs naar een USB/LSB schakelaartje zoeken!
![]() Een ladder filter met 48 MHz kristallen in USB mode, de BFO frequentie ligt aan de bovenkant van het filter. De bovenste trace is de filterkromme, de onderste de onderdrukte zijband. |
![]() Hetzelfde ladderfilter maar nu met de BFO frequentie aan de onderkant van het filter zoals nodig is voor LSB ontvangst. De zijband onderdrukking is nu veel slechter! |
De details nader bekeken
Probeer niet deze ontvanger exact na te bouwen. Natuurlijk kan dat, maar aarzel niet je eigen ideeën en verbeteringen te realiseren en onderdelen te gebruiken die je nog hebt of beter bij je werkwijze passen.

HF circuit
Mixer met transistoren
Mijn eerste ontvanger had een SL6440 IC als mixer. Geweldig goed! Maar hier was dat niet de bedoeling. Ik was nieuwsgierig naar het gedrag van een doodgewone ouderwetse mengtrap met transistoren, wilde tevens standaard onderdelen gebruiken en dus werd het deze mixer. Het werkt heus wel goed maar wanneer er iets te verbeteren valt dan zou ik hier beginnen. Vervang hem door een NE612 of beter, een SL6440. Je hebt dan een dubbel gebalanceerde mixer in plaats van een enkel gebalanceerde mixer. Het intermodulatie gedrag, de onderdrukking van 36 MHz signalen via de antenne ingang en ook de buffering van de VCO zijn dan beter.
De 820 ohm weerstand tussen HF versterker en mixer kan misschien worden weggelaten. Maar zonder deze weerstand veroorzaakte een signaal van 10 dBm op de ingang van de ontvanger zoveel verstoring richting VCO dat deze van frequentie versprong.... Deze signaalsterktes komen alleen voor wanneer je op een tweede antenne je eigen zender inschakelt.
![]() Het 36 MHz ladder filter afgeregeld op maximale zijband onderdrukking, 40 dB op 600 Hz. De bovenste trace is de filterkromme, de onderste de onderdrukte zijband. |
![]() Het 36 MHz ladder filter afgeregeld op optimale vlakheid. De zijband onderdrukking is nu minder maar altijd nog 25 dB op 600 Hz. |
Ladder filter
Het ladder filter is opgebouwd uit 5 kristallen van 36 MHz die via 40 pF trimmers met elkaar verbonden zijn. Waarschijnlijk moet je een beetje geluk hebben met de nauwkeurigheid en kwaliteit net zoals dat geldt voor alle andere dingen in het leven. Met de trimmers kun je de banddoorlaat afregelen op maximale zijband onderdrukking of optimale vlakheid van het filter. Het afregelen kun je het eenvoudigst doen met een ruisbron en een audio spectrum analyzer programma via de PC geluidskaart. Na het ladder filter volgen twee anti parallel geschakelde dioden als begrenzer voor sterke stoorpieken.
BFO en laagfrequent voorversterker
De BFO is zeer eenvoudig: twee anti parallel geschakelde dioden. Deze mixer is ook bekend als de Poljakov mixer of de RA3AAE mixer. Hij is bewust geselecteerd omdat de injectie frequentie de helft is van het 36 MHz signaal oftewel 18 MHz. Er kan nu een grondtoon kristal gebruikt worden voor de BFO. Een oscillator met een grondtoon kristal is veel eenvoudiger te realiseren en kan veel makkelijker op de juiste frequentie worden gezet dan een oscillator met een overtone kristal. De goede werking van zo’n mixer is afhankelijk van het (sinusvormige!) oscillatorsignaal. Stel de 1k weerstand in op maximaal audio niveau bij ontvangst van een CW signaal.
Na de BFO volgt een LF versterker om het signaal eerst wat op te krikken alvorens de audio filters weer wat ruis gaan toevoegen. Door het wijzigen van de waarde van de 47 ohm emitter weerstand kan de versterking naar je eigen wensen worden ingesteld.

Het audio deel
AVR en laagfrequent versterker
De BF256 fet zorgt voor de AVR en ook voor het muten tijdens het zenden. De ontvanger bevat hier en daar mute schakelingen en een side tone schakeling om hem tezamen met een zender te kunnen gebruiken. Kun je gerust weglaten, ik heb het zelf nog niet eens uitgeprobeerd en kan een goede werking dus niet garanderen.
Na de fet volgt de eerste audio trap IC5B, de volume potentiometer met twee anti parallelle begrenzingsdioden en het eindversterkertje de LM386. IC5A is de versterkertrap voor het AVR signaal met daarachter de audio detector. De AVR werkt niet bij zwakke signalen. Een voordeel vind ik dat de ontvanger veel rustiger klinkt en de kamer niet met ruisgeluiden vult wanneer er geen signaal ontvangen wordt. De werking kun je zelf nog enigszins beïnvloeden door het wijzigen van de versterking van IC5A (wijzigen van de 330k weerstand tussen pin 1 en 2). Mocht de AVR heel irritant "ploppen" dan kan een weerstand van 470 - 680k vanaf de ingang (470 ohm, 470k ohm, fet, 1nF knooppunt) naar massa verbetering brengen. Hierdoor wordt het instelpunt gewijzigd.
De IF potentiometer zit hier in het laagfrequent gedeelte (er is immers geen middenfrequent versterkertrap) maar de werking kun je vergelijken met die van de middenfrequent versterkingsregelaar in een "normale" ontvanger.

VFO
Hoe werkt die VFO?
Vele kleine afstembereiken (23.6 kHz op 10 kHz en 52 kHz op 30 MHz) kunnen met de 10 turn potentiometer worden afgestemd. Je hebt dus een prima bandspreiding van 2.36 tot 5.2 kHz per omwenteling! Druk op de up/down schakelaartjes om naar het eerstvolgende kleine afstembereik te gaan. Voor grote frequentie wijzigingen moet je S1 in de stand grof (coarse) zette en kun je met de 10 turn potentiometer grof afstemmen. Zonder deze voorziening zou je maar liefst 1000 keer op de up toets moeten drukken om de ontvangstfrequentie van 10 kHz naar 30 MHz te wijzigen!!
Het systeem is gebaseerd op een frequentie lock schakeling met een sampler, een VCO (Voltage Controlled Oscillator) en een VXO (Variabele Xtal Oscillator). Harmonischen van de (VCO/16384) worden gelocked aan de VXO. De frequentie van de VXO is 8867 kHz maar je kunt gerust een andere frequentie kiezen. De frequentie variatie van de VXO is ongeveer 7 kHz. Wanneer je een afstembereik wilt berekenen kun je de volgende formule gebruiken:
(VXO frequentie variatie) x (VCO frequentie) / (VXO frequency)
Je ziet dus dat de grootte van het frequentie bandje dat met de 10 turn potentiometer kan worden afgestemd, afhankelijk is van de VCO frequentie.
De maximale uitgangsfrequentie van IC4 (hier 4028 Hz) moet aanzienlijk kleiner zijn dan de 7 kHz VXO variatie voor een goede werking.
Voor het afregelen van de regellus weerstand (de potentiometer van 100 ohm) heb je geen meetinstrumenten nodig, dit kan zelfs beter op het gehoor gebeuren dan met meetinstrumenten! Stem de ontvanger af op een sterk en schoon CW signaal op een lage frequentie ergens beneden de 3 MHz. Regel de 100 ohm weerstand zodanig af dat je een volledig vervormingsvrij signaal hoort zonder "bijgeluiden". Hele kleine bijgeluidjes waren eerder hoorbaar dan zichtbaar op de oscilloscoop!
De Up/Down schakelaartjes van de VFO
Even een belangrijke opmerking: De UP schakelaar werkt alleen indien de VXO op een hoge frequentie staat afgestemd, dus in het bovenste deel van het 7 kHz bereik. Voor de DOWN schakelaar geldt het omgekeerde, die werkt alleen indien de VXO op een lage frequentie staat afgestemd.
Wanneer je een schakelaartje drukt dan kan de regellus de snelle frequentie wijziging niet volgen en zal hij gaan locken op een volgende harmonische relatie van het gedeelde VCO signaal en de VXO. Bij het loslaten van het schakelaartje keert de VXO langzaam terug op zijn frequentie en nu kan de regellus deze langzame verandering wel volgen.
Soms gebeurt het dat de VCO (niet erg stabiel) lockt terwijl er een rimpelspanning op de regellus staat. Dit kun je oplossen met enige DC offset door de 10k potentiometer een beetje te verdraaien.
De frequentie counter.
"1" wordt weergegeven gedurende 250 milliseconden.
" " display is uit gedurende 80 milliseconden.
"4" wordt weergegeven gedurende 250 milliseconden.
" " display is uit gedurende 80 milliseconden.
"0" wordt weergegeven gedurende 250 milliseconden.
En na een meettijd van 500 ms wordt de "140" weer getoond.
In de kHz stand wordt dan weergegeven:
"6" wordt weergegeven gedurende 250 milliseconden.
" " display is uit gedurende 80 milliseconden.
"2" wordt weergegeven gedurende 250 milliseconden.
" " display is uit gedurende 80 milliseconden.
"3" wordt weergegeven gedurende 250 milliseconden.
En na een meettijd van 500 ms wordt de "623" weer getoond.
De schakeling met de 74HC4066 is aangebracht om ook de frequentie van een zender uit te kunnen lezen. Het is de bedoeling dat de zender tezamen met een HF signaal een gelijkspanning op de TX ingang zet waardoor de frequentie teller omgeschakeld wordt. Die zender is echter nog een toekomstproject, de behuizing ligt hier al jaren klaar in de kast....

De start van het ontvanger project.
Schetsjes en wat componenten. Zal het ooit werken?
![]() Het SSB filter (groen) en de onderdrukte zijband (oranje). |
![]() Het CW filter (groen) en de onderdrukte zijband (oranje). |
Resultaten
De ontvanger werkt echt! Er zijn al vele plezierige uren doorgebracht met het luisteren naar deze ontvanger. Hoewel hij niet zo goed is als een echte dure commerciële ontvanger is er toch veel DX mee gehoord op alle amateur banden. De selectiviteit en gevoeligheid zijn goed, het afstemmen is heel comfortabel. De CW en SSB filters voldoen prima, het CW filter klinkt niet "smal". Ook de AVR werkt goed alhoewel het regelbereik wat beperkt is, bij sterke signalen moet de HF verzwakker worden gebruikt om het signaal binnen het AVR bereik te krijgen.
Omdat de mixer niet super goed is moet s’avonds op 30 en 40 meter de HF verwakker worden gebruikt. Maar zelfs met de maximale verzwakking van 18 dB is de gevoeligheid op deze banden nog voldoende. En het voordeel is dat je derde intercept point ook met 18 dB verbeterd!
Natuurlijk was er ook een foutje: de 56k en 10k weerstanden van het under-voltage circuit van de frequentie teller waren verwisseld (het schema klopt, maar op de foto staan ze verkeerd). Het gevolg was dat de EEprom waarden soms wijzigden bij het uitzetten van de ontvanger.
| Frequentie | 3525 kHz | 10125 kHz | 28125 kHz |
| Gevoeligheid (SSB) | -130 dBm | -131 dBm | -123 dBm |
| 3rd IP (-50 / -100 kHz) | -4.5 dBm | -10.5 dBm | +1.5 dBm |
| Supply current | 100 to 150 mA |
SOFTWARE VOOR DE FREQUENTIE TELLER
"FREQRX02.ZIP" MET "FREQRX02.ASM" OM DE FREQUENTIE TELLER TE PROGRAMMEREN
FOTO'S

Bovenaanzicht van de binnenzijde.

Onderaanzicht van de binnenzijde.

HF voorversterker, mixer met trifilair gewikkelde spoel op een plastic asje (Geen ferriet!)
ladder filter, BFO met Poljakov (RA3AAE) mixer, LF voorversterker

De frequentie teller met SMD chips.
Voordat de chips werden gemonteerd, zijn dunne draden aan de pennetjes gesoldeerd.
Tijdens het solderen van zo'n dun draadje, werd het pennetje met aluminium folie van de naastliggenden gescheiden.
De SMD chips zijn op een stukje hout (van een lucifer) gelijmd dat weer op de print gelijmd werd.
Stukjes van een lijmstaafje van een lijmpistool werden gebruikt om de weerstanden enz. vast te lijmen.
(Smelt de stukjes met de soldeerbout).

Achterkant van de ontvanger