CONTROLE REMOTO
ELETRONICO DA LOOP (Manual)

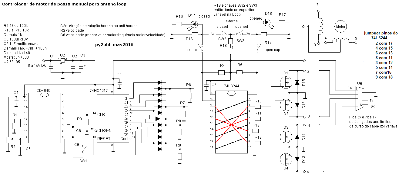
Ola amigos, vamos descrever o nosso controle manual com componentes
discretos de uma antena loop.
Eu montei minha loop com material de sucata, com um tubo de cobre de 15
mm de diametro usado em ar condicionado industrial. Consegui em um
deposito de material de sucata (ferro-velho).
O capacitor variavel eu usei um de recepção de duas
seções e usei as duas seções em
série ou seja liguei a loop nas duas seções fixas,
deixando o eixo e o terra do capacitor flutuando.
Note que coloquei tres capacitores de mica prateada para diminuir a
capacitancia total para cobrir a partir de 14Mhz e cobrir até
28,5MHz.

foto a direita no centro fio vermelho vindo do resistor R8 que
dá o sinal de fim de curso (acima e abaixo do fio vermelho)

foto caixa completa mostrando a dirita p motor e o conector DB9
O motor de passo (tem redução de 1:64) comprei na
internet datasheet do motor
Ola
Acoplei o motor ao eixo do capacitor com um acoplamento feito com
um tubo plastico de caneta esferografica isolando assim o eixo do
variavel do motor de passo.

A conexão entre o comando manual e o motor foi feito com um cabo
manga de 10fios e conectores tipo serial de PC de 9 pinos.
Para informar ao comando se o capacitor esta totalmete aberto ou
fechado e interroper o motor de passo usei dois fim-de-curso feitos com
contatos retirados de um rele antigo. Ao atingir o limite um led se
acende e o motor fica inoperante para seguir adiante, mas tem comando
para retornar.
Coloquei duas velocidades que podem ser alteradas ...uma rapida e
outra super lenta para sintonia ...que apesar de tudo ainda continua
dificil.
O acionamento abrindo o variavel é feito por um botão de
pressão e o fechamento do variavel por outro botão. Como
o motor tem uma folga de aproximadamente 60 steps (ou passos) a
sintonia fica muito trabalhosa. Mas viavel.
A descição da parte eletronica esta neste site acionamento
motor de passo

Esquema

Com este aparelho consigo ajustar minha loop remotamente e funciona
muito bem.
Estive tentando um sistema que detecta o zero de RF de retorno em um
medidor de swr, assim este aparelho poderia trabalhar automaticamente,
abrindo e fechando o variavel até encontrar o ponto zero
de retorno da estacionaria onde temos SWR 1:1.
Com um arduino já consegui este ajuste, mas é possivel
somente com baixa potencia pois a SWR é muito elevada em alguns
pontos o que danificaria o radio.
Com o arduino é possivel colocar um atenuador na linha de
entrada de tal forma a proteger o estagio final de alta estacionaria
e ao atingir o ponto de estacionaria baixa o atenuador seria
desligado.
Em breve colocaremos a montagem do controle automatico da loop com o
arduino.
Veja no YOUTUBE UM FILME DESTE
ACIONAMENTO
73 de py2ohh miguel