11. Amplificador de RF de Transmissão (buffer BFt)

Esquema

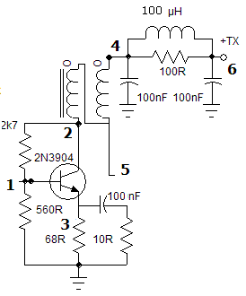
Nota: o indutor de 100µH podera ser qualquer valor acima de 10µH.

Layout

Montagem

1. Soldar o transistor 2N3904

2. Soldar resistor de 560R entre base e terra

3. Soldar resistor de 2k7 entre base e coletor

4.Soldar resistor de 68R entre emissor a terra

5. Soldar em pé capacitor de 100nF na ilha 3 do emissor.

6. Soldar resistor de 10R entre terra e capacitor em pé.

7. Soldar resistor de 100R entre ilhas 4 e 6

8. Soldar indutor de 100µH (22µH na foto) entre ilha 4 e ilha 6.

9. Soldar capacitor de 100nF entre ilha 4 e terra

10. Soldar trafo (bobina) bifilar ilhas 2, 4 e 5.