Under construction

ENGLISH begins after portuguese...please look Down

Receptor simples de dupla conversão para 40m AM e SSB/CW

 

RX schematic

Up 0 - 99kHz frequency meter / 17.7 - 18Mhz VXO / RX with led Smeter

Up 0 - 999kHz frequency meter / 17.7 - 18Mhz VXO / RX with led Smeter

Opened RX ... added the Smeter in the top with Totem building (two lm324 ICs stacked)

 

VXO schematic

 

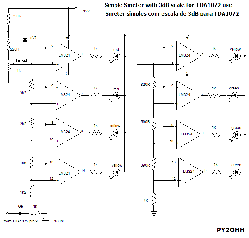
Poor men TDA1072 Smeter

Schematic