The article is written in Dutch language.
Use the below Google Translate dropdown menu to choose a language of your choice.

Restauratie van een Butternut HF6V 6-band vertical (februari / juli - november 2022, juli - oktober 2023)

Geschiedenis van deze en een andere antenne
Deze legendarische antenne werd ontwikkeld door Don W0DN (sk) en Pat WA0TDA in de jaren 70 van de 20e eeuw (Butternut Antenna Company).
Locatie: Butternut, Minnesota, USA. Later verhuisde de Butternut Antenna Company naar Texas. Overgenomen in 1994 door Bencher. DX Engineering nam Bencher en Butternut over in 2014.
Deze antenne wordt nog steeds geproduceerd.
Ze werkt op de 10-15-20-30-40-80m banden, weegt 5.4 kg en is 7.8 meter lang. Kan een vermogen van 1.5 kW aan (30m: 500 W). Een goed grondvlak (radialen) is nodig.

In juli 1994 voerde onze club vergelijkende testen uit tussen 4 verschillende types multiband vertikale antennes.
De HF6V-X die we toen testten, kwam als beste antenne naar voren. De testsessie en de resultaten kan je hier nalezen: vertical antenne testen
Er is ook een film opgedoken van deze testen: https://youtu.be/9VEN7niOFCA

HF6V was het type voor de Amerikaanse markt, HF6V-X was voor export. Het verschil ligt in de lengtes van het gebruikte buizenmateriaal.
Ik vond een oude en nieuwe manual voor de HF6V en een manual voor de HF6V-X.

Deze weblink geeft interessante details weer over Butternut antennes: https://officinahf.jimdofree.com/antenne-hf-mf/hf-butternut-project/ (courtesy Marc ON6HI).

Op 25 juni 2022 schreef ik in een mail gericht aan de clubreflector:
Mogelijk volgt er nog één artikel over een 6-band Butternut HF6V vertical…
Als ik erin slaag om deze antenne tot leven te wekken (nogal erbarmelijke staat momenteel), zal ze mogelijk worden doorgegeven aan een nieuw clublid (modaliteit nog te bepalen).

In februari 2022 had Patrick ON7ASN de Butternut HF6V van de zolder van zijn ouderlijk huis gehaald, en was ze in mijn garage beland.
"Voor als ik ooit eens tijd vond..."

Niet veel later vroeg Luc ON6UL me of ik zijn Hy-Gain TH6-DXX (Thunderbird) kon nazien (een legendarische 6 element 3-band yagi).
Deze antenne heeft 30 jaar op de mast gestaan bij Luc, en was aan nazicht toe. 35 jaar geleden had Luc ze overgenomen van Jaak ON6IG, toen die met de hobby stopte.
(blijkbaar is Jaak terug actief vanuit Nieuwpoort... op qrz.com staat een foto van zijn toenmalige TH6-DXX in Waregem)
Ik had me voorgenomen dat de Butternut HF6V de laatste antenne voor nazicht zou zijn, ik moest Luc teleurstellen.
Gelukkig hebben enkele enthousiastelingen in de club deze taak op zich genomen en wordt de TH6-DXX deskundig onder handen genomen.
Bedoeling is dat deze antenne na restauratie in de clubmast gemonteerd wordt. Hopelijk documenteert iemand de restauratie van die antenne...dat is dan voor een ander artikel.

Terug naar Patrick en de Butternut. Patrick heeft deze antenne in 2013 van Gaston ON4QD (sk) overgenomen. Waarna ze op zolder belandde en in mijn garage.
"Voor als ik ooit eens tijd vond..." ?
Het was vooral de staat van de antenne die me tegenhield om dit project gezwind af te werken.
Reeds tijdens de testen in 1994 werden we geconfronteerd met 'slechte contacten' in de HF6V-X.
Roland ON7UF (die toen zijn HF6V-X ter beschikking stelde) heeft die antenne ondertussen omgebouwd tot een HF9V.
(er zijn 'kits' voorhanden om een HF6V(-X) te complementeren met de 6, 12, 17 en 160m banden)
Af en toe moet Roland een slecht contact herstellen in zijn HF9V...buiten dat, werkt die antenne UFB!

Roland en zijn Butternut HF9V (de grote spoel onderaan de antenne is voor de 160m band) en 2 printscreens van de impressionante SWR-curve (1-18MHz en 10-60MHz):


(klik op deze en alle volgende foto's voor originele versie/grootte)

Restauratie van de Butternut HF6V
Slechte contacten, betekende dat ik de antenne volledig zou moeten demonteren en opkuisen.
Metingen met een ohmmeter toonden aan dat verschillende buisovergangen inderdaad dermate geoxideerd waren dat ze geen elektrisch contact meer gaven.
Wat met de capaciteiten, zouden die nog in orde zijn?
Er zou ook een radiaalsysteem moeten gemaakt worden.
En, de onderkant van de antenne was in ronduit erbarmelijke toestand...zie volgende foto's.
De onderste buis die grotendeels in de grond gemonteerd wordt, ontbrak bijna volledig (3e foto, de onderste buis was afgescheurd).
En wat met de bevestiging in de grond? Daar was geen pasklaar systeem voor.
Ook de draad waarmee de 15m band afgeregeld wordt, was niet compleet en een van de isolators hiervoor ontbrak. De 14 MHz 75 ohm matching coaxkabel ontbrak ook...
Werk aan de winkel !

In een vorig artikel (herstelling Cushcraft R7) schreef ik:
> ik las ergens dat aluminium opkuisen met staalwol niet de goede manier is (corrosie van achtergebleven stalen partikels kan optreden); tegenwoordig gebruik ik 'stripping pads' van 3M - allicht zijn er nog betere alternatieven

Marc ON4MA had me toen gezegd dat hij Jex zeepsponsjes gebruikt om aluminium buizen op te poetsen.
Een doosje Jex zeepsponsjes werd in huis gehaald om deze methode uit te testen.
Werkt prima, maar je moet deze sponsjes met water gebruiken en na reiniging de aluminium buizen afspoelen - eerder een buitenactiviteit.
Aangezien de opkuis grotendeels binnenshuis gebeurde, werden vooral de 3M stripping pads gebruikt.

Foto's: 3M stripping pads, Jex zeepsponsjes, sterk geoxideerde binnenbuis, opgepoetste binnenbuis, Penetrox (hiermee dienen alle aluminium buisovergangen en bout/vijs contacten ingesmeerd te worden om oxidatie tegen te gaan; courtesy Marc ON4MA)

Alle buisklemmen en bouten vertoonden sterke oxidatie. Ze werden losgemaakt en opgekuist zodat er opnieuw perfect elektrisch contact was.
In de literatuur wordt vermeld dat de Jennings high voltage capaciteiten al eens durven te sneuvelen. De 3 capaciteiten werden losgemaakt, nagemeten en bleken in orde te zijn.
De onderste basisspoel was in een erbarmelijke staat en werd in ere hersteld (deze was allicht voor stockage over de buis gemonteerd, maar dient parallel over de antennebuis en grondbuis gemonteerd te worden).

Foto's: wit oxidatiepoeder op een bout, een Jennings capaciteit en merk ook de sterke vervuiling/oxidatie aan de buisklem/vleugelmoer op, erbarmelijke staat van de basisspoel

Een 75 ohm matching coax voor 14 MHz werd gemaakt, alsook een grondvlak met 32 radialen van elk 5m lengte (koperplaat courtesy John ON4UN - sk).
Op een woensdagnamiddag nam ik delen van de antenne mee naar de club om onder andere het probleem van de afgescheurde onderste buis te bespreken.
Patrick had thuis buismateriaal voorhanden en maakte een nieuwe onderste buis op correcte lengte die perfect op de isolator paste.
In een later stadium maakte Patrick ook een 'grondbuis' die voor grondbevestiging van de antenne zou dienen. Het nieuw gemaakte onderste deel van de antenne schuift perfect in die grondbuis.
Door die grondbuis kon de antenne tijdens de afregelprocedure zeer eenvoudig en snel geplaatst en verwijderd worden.
Patrick maakte ook een nieuwe isolator die de draad voor de 15m afregeling op gepaste parallelle afstand van de antenne houdt.
Gezien deze draad niet meer compleet was, werd een volledig nieuwe draad voorzien.

Foto's: de isolator waar Patrick een passende buis voor maakte, de 14 MHz 75 ohm coax aanpassingslijn en (l-r) Patrick ON7ASN-Roland ON7UF-Maurice ON6VK die het probleem van de ontbrekende onderste buis bespreken, koperen grondvlak met 32 radialen
(in het grondvlak zijn een gat voor de grondbuis en een gat voor de aardingsspil voorzien), nieuwe draad en isolator(en) voor de 15m afregeling

Opstelling van de HF6V in de tuin
Na de grondige opkuis, herstellingen en toevoegingen, was de tijd aangebroken om de antenne in de tuin te plaatsen.
Zoals eerder vermeld, had Patrick een grondbuis gemaakt waarin de antenne eenvoudig in- en uitgeschoven kon worden.
Met een grondboor werd een passend gat gemaakt, de buis erin gestopt en stevig vastgezet met een deel van de eerder verwijderde grond.
Het koperen grondvlak met de 32 radialen werd over de grondbuis geplaatst, een aardingsspil werd bijkomend toegevoegd en de radialen afgerold.

Foto's: grondboor en grondbuis, dwarsbout onderaan grondbuis zodat antenne op gepaste hoogte staat, vastzetten grondbuis met grond, plaatsing grondvlak over grondbuis met onderste isolatordeel/buis van de antenne in grondbuis geschoven, aardingsspil toevoegen, ingeslagen aardingsspil

De 14 MHz 75 ohm coaxkabel en de basisspoel werden onderaan op de antenne aangesloten, alsook de aardingsspil.
Een eerste test met het onderste deel van de antenne, toonde aan dat de grondbuis voortreffelijk dienst doet om de antenne snel te plaatsen en verwijderen.
Bij het plaatsen van de volledige antenne, merkte ik een libel op die een poging deed om op de top van de (nog zwiepende) antenne te landen. Landing gelukt !
De HF6V heeft alvast een eerste mascotte...

Foto's: uitgerolde radialen en 75 ohm matching coaxkabel, detail aansluiting 75 ohm coaxkabel en basisspoel en aardingsspil, onderste deel van de antenne in de grondbuis geplaatst, de 30-40-80m spoelen en bijhorende capaciteiten, volledige antenne, libel op top van de antenne

Metingen en afregeling van de HF6V
De antenne die Patrick via ON4QD in handen kreeg, is het Amerikaans model - HF6V.
Bij het nameten van de afmetingen van alle buisovergangen en de componenten op de buizen, leek het alsof de antenne geassembleerd werd aan de hand van de afmetingen opgegeven in de handleiding van het export model HV6V-X.
Dit zorgde voor enige verwarring en gefronste wenkbrauwen. Achteraf bekeken, bleek dit niet problematisch - deze antenne laat zich zeer gemakkelijk afregelen.
Daartoe is er een uitgebreide afregelingsprocedure voorzien in de handleiding. Deze procedure lijkt aanvankelijk wat overdonderend, maar is uiteindelijk zeer simpel.

Er werd begonnen met SWR-metingen neer te pennen met behulp van een MFJ-259B analyzer::
- eerst zonder radialen, enkel met de aardingsspil
- dan met 16 radialen (verspreid over 180 graden van het grondvlak, dus niet over 360 graden)
- dan met 32 radialen
- met of zonder basisspoel (base coil)
- basisspoel vervangen door een regelbare spoel (courtesy John ON4UN - sk)
- met uitgerokken basisspoel
- met 10/15m buisje/draad ingekort
- met 30m spoel ietwat uitgerokken (meting 9 = laatste meting)

De metingen werden neergepend op papier en kan je hier nalezen. Merk hoe de antenne stilletjesaan tot leven kwam, en eigenlijk vrij eenvoudig tot een prima eindresultaat kwam.
Ik heb de antenne slechts 1 maal neergehaald, om de 10 en 15m band gelijktijdig aan te passen (zaten te laag in frequentie - 10m topbuisje 15cm ingeschoven en 15m draad 20cm ingekort, klaar was Kees).
Nadat 10 en 15m afgeregeld waren (meting 8 op het hierboven vermeld document), bleek dat de antenne ook op 20m verschoven was en perfect in-band resoneerde (van 13965 naar 14045 kHz).
[Note: de oude en nieuwe handleiding HF6V verschillen wat betreft het afregelen van de basisspoel; de nieuwe vermeldt dat er windingen moeten verwijderd en afgeknipt worden bij het uitrekken van de spoel; de oude vermeldt enkel 'uitrekken']
[door die verschillende benadering tussen de beide handleidingen, werd besloten eerst een test te doen met een regelbare spoel]
De metingen met de regelbare spoel toonden aan dat je een perfecte SWR kan bekomen op 80m.
Door met de regelbare spoel een perfecte SWR op 80m na te streven, ging de SWR op 20m wat omhoog.
Ik koos ervoor om met de vaste basisspoel een compromis tussen 20 en 80m te bekomen. De basisspoel werd uitgerokken tot ongeveer de dubbele afstand/lengte van het origineel. Er werden geen windingen verwijderd.
Merk ook het verschil van plaatsing van de basisspoel op foto 3 hieronder, met voorgaande foto's (zie foto's "Opstelling van de HF6V in de tuin").
De spoel werd gescheiden van de 75 ohm coaxkabel en de aansluiting van de aardingsspil/radialen. Dit vergemakkelijkt het experimenteren met de basisspoel (= uitrekken).
Op 30m zat de frequentie te laag (9760 kHz) en door de 30m spoel wat uit te rekken, kwam de antenne perfect in resonantie op 10120 kHz.
Ik besloot om geen verdere aanpassingen te doen - dit kan gebeuren wanneer de antenne een definitieve standplaats krijgt.
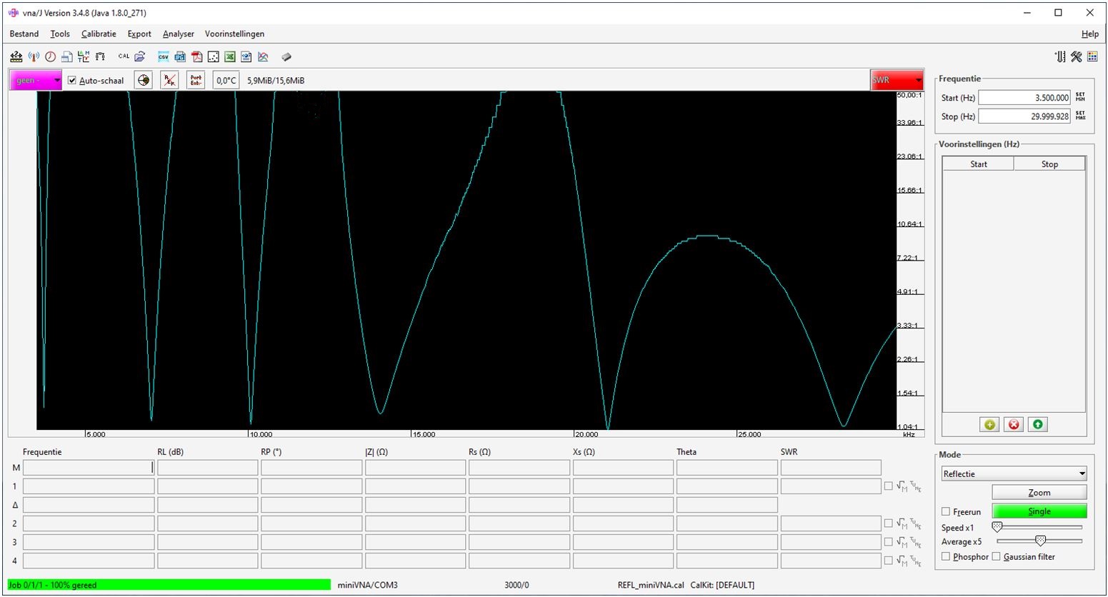
Tnx aan Luc ON5UK om met zijn laptop en Mini-VNA analyzer een overzichtsopname van het spectrum 10-80m te maken!

Foto's: regelbare spoel ON4UN, perfecte SWR op 80m met regelbare spoel, basisspoel uitgerokken tot het dubbel van zijn oorspronkelijke staat, Luc ON5UK maakt metingen met de Mini-VNA, screenshot Mini-VNA SWR-meting 10-80m band

Live test met de antenne
Nu de antenne afgeregeld was, was ik uiteraard nieuwsgierig hoe ze werkte.
Op 21027 kHz CW, vond ik vriend en ex-collega Robert S53R die actief is als 9N7AA vanuit Kathmandu, Nepal.
Robert genereert steeds veel volk wanneer hij op de HF-banden komt... Nepal is gegeerd!
Hij had een zwak signaal en ik kon niet door de simplex pileup geraken met 100W en de Butternut antenne.
Maar, van zodra Robert 'UP' seinde en split werkte, was het QSO onmiddellijk gemaakt.
De HF6V werkt UFB!

Bestemming voor de antenne
Er werd hierboven reeds aangehaald:
Als ik erin slaag om deze antenne tot leven te wekken (nogal erbarmelijke staat momenteel), zal ze mogelijk worden doorgegeven aan een nieuw clublid (modaliteit nog te bepalen).

Meer dan een jaar later, hebben Patrick ON7ASN en Luc ON5UK andere, wilde plannen met deze antenne.
In plaats van één nieuw clublid gelukkig te maken, willen ze deze antenne gebruiken om meerdere clubleden gelukkig te maken.
Een tipje van de sluier oplichten?
Daarvoor kan je bij Luc en Patrick terecht :-)

Foto's: Patrick ON7ASN komt een kijkje nemen naar de testopstelling, Luc ON5UK toont waar de antenne gestockeerd wordt in afwachting van...

Tnx Patrick voor de opportuniteit om deze antenne van dichtbij te kunnen bekijken en ontrafelen!

73 - Mark - on4ww.