Er zijn meerdere
mogelijkheden om op elektronische wijze een beeld te ontleden.
Om de vorming van
een videosignaal beter te begrijpen zullen we de beschrijving geven van
een
eenvoudige beeldontleder: de lichtstipaftaster. (fig. 1.5)

Een lichtstipaftaster is opgebouwd uit:
1. een kathodestraalbuis
2. een diapositief op het scherm van de kathodestraalbuis bevestigd
3. een lenzenstelsel
4. een fotocel
Op het scherm van de kathodestraalbuis wordt een raster gevormd. (fig. 1.6)

Het lichtpunt
beschrijft een raster dat uit hetzelfde aantal lijnen bestaat als
waarin men
het diapositief wil ontleden.
Dit raster wordt
zoveel maal per seconde gevormd als het aantal beelden dat men per
seconde wil
overbrengen. De lijnen worden geschreven van links naar rechts en van
boven
naar onder.
De lichtstip van
het raster verlicht het diapositief. Het doorgaande licht wordt door
het
lenzenstelsel gebundeld op de kathode van de fotocel. Door de
uitwendige kring
van de fotocel vloeit een elektronenstroom waarvan de sterkte evenredig
is met
de intensiteit van het invallende licht. De spanning die over de
weerstand R ontstaat,
is dus evenredig met de intensiteit van het invallende licht.
Wanneer wij het
diapositief bekijken dan zien wij de gehele oppervlakte van het
diapositief.
Dit omdat door de traagheid van het oog wij de indruk krijgen dat de
gehele
oppervlakte van het diapositief verlicht is. In werkelijkheid kan de
lichtstip
zich op één bepaald ogenblik slechts op
één plaats bevinden.
De fotocel bezit deze
traagheid echter niet en “ziet” het diapositief op
één bepaald ogenblik slechts
op één punt. De spanning over R op dit ogenblik
zal dan ook evenredig zijn met
de gemiddelde lichtsterkte van dit ene punt en ook met de afmetingen
van de
lichtstip. Aangezien de lichtstip het ganse beeld overloopt en de
lichtintensiteit van punt tot punt kan veranderen, zal de
uitgangsspanning
eveneens veranderlijk zijn. Men noemt deze spanning de videospanning.
Wanneer wij de
uitgangsspanning van de fotocel beschouwen gedurende de tijd nodig voor
het
aftasten van één lijn dan spreken wij van de
videospanning van één lijn. Het
videosignaal van een beeld is de uitgangsspanning van de fotocel
gedurende de
tijd die nodig is voor het aftasten van het volledige beeld.
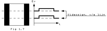
Beschouwen wij enkele voorbeelden:
1. een beeld bestaande
uit een zwart vlak met
een witte verticale dwarsstreep (Fig. 1.7)

Alle lijnen zijn gelijk. Voor iedere lijn zal de videospanning dezelfde
zijn.
We kunnen deze spanning voorstellen in een loodrecht assenstelsel. De
tijdsschaal wordt zo gekozen dat de duur van het videosignaal van een
lijn
overeenkomt met de breedte van het beeld.
2. Het beeld bestaat uit
een zwart vlak waarin
een witte driehoek is afgebeeld. (Fig. 1.8)

Een lijn bovenaan bevat slechts een smal gedeelte wit. Het videosignaal
van
deze lijn is voor het grootste deel van de tijd nul (op zwart niveau)
uitgezonderd in het midden. Naarmate het witte deel van het beeld
breder wordt,
zal de maximumspanning van het videosignaal langer aanhouden.
3. Een zwart vlak met
witte dwars streep (Fig.
1.9)

4. Een beeld dat
verticaal van zwart naar wit
overgaat. (Fig. 1.10)

5. Een beeld dat horizontaal van zwart naar wit overgaat (Fig. 1.11)

Om
in de ontvanger
het beeld terug samen te stellen kan men als volgt tewerk gaan:
Op een
kathodestraalbuis wordt een raster gevormd gelijk aan dit van de
lichtstipaftaster. Wanneer men het videosignaal aan de Wehneltcylinder
aanlegt
kan de helderheid van de lichtstip worden veranderd. De instelling
wordt zo gekozen dat zwart overeenstemt met een elektronenstraal die
juist
onderdrukt wordt. Op die manier wordt terug het oorspronkelijke beeld
verkregen.
Het oorspronkelijke
beeld wordt slechts dan onvervormd weergegeven, wanneer de ontleding of
aftasting en de samenstelling in dezelfde volgorde plaats vinden.
Men zegt dat er
moet synchronisatie zijn tussen zender en ontvanger. Dit kan alleen
bekomen
worden wanneer de zender controle uitoefent op de ontvanger. Daarom
worden er
door de zender speciale signalen, synchronisatiesignalen, uitgezonden.
De omzetting van een optische afbeelding in elektrische signalen geschiedt in een speciale opneembuis. Deze buis is aan de zenderzijde in een TV kamera ingebouwd. In deze buis grijpen twee zeer belangrijke werkingen plaats:
Bespreking:
Bespreking van een eenvoudige beeldomzetter: de iconoscoop.
De iconoscoop ligt aan de basis van de moderne TV beeldontleders. De iconoscoop is samengesteld uit twee belangrijke delen (fig. 2.1):» het elektronenkanon
» het opnamegedeelte

Het belangrijkste onderdeel in het opnamedeel is het mozaïekvlak. Het mozaïekvlak is samengesteld uit een isolerende grondplaat waarop langs de ene zijde een groot aantal onderling van elkaar geïsoleerde deeltjes zijn aangebracht. Deze deeltjes zijn gevoelig aan de invallende lichtstralen.
Langs de andere zijde van de isolerende grondplaat is een metalen film neergelegd. Elk deeltje van de ene zijde vormt samen met de geleidende film van de andere zijde een condensator. Al deze condensatoren bezitten dus een gemeenschappelijke plaat. Door middel van een optisch lenzenstelsel wordt een beeld op het mozaïekvlak geprojecteerd. Het beeld is samengesteld uit een zeer groot aantal punten of elementen welke allen een eigen lichtsterkte bezitten. Dit heeft voor gevolg dat al de deeltjes van het mozaïek getroffen worden door een lichtstraal waarvan de lichtsterkte evenredig is met de lichtsterkte van het overeenkomstig punt uit het beeld. Daar de punten van het mozaïek lichtgevoelig zijn, zal hier foto-elektrische emissie ontstaan. Hierdoor ontstaat op elk punt van het mozaïek een lading evenredig met de invallende lichtsterkte. De vrijgekomen elektronen worden door de collectoranode opgevangen. Op deze wijze zijn wij erin geslaagd om een beeld (dat feitelijk bestaat uit lichtsterkteveranderingen) om te zetten in een ladingsbeeld dat bestaat uit ladingsveranderingen.
Het elektronenkanon is samengesteld zoals de kathodestraalbuis van een oscillograaf (uitzondering voor de afbuiging). Met behulp van een elektronenstraal tasten wij het mozaïekvlak af. Deze aftasting gebeurt op dezelfde wijze als de aftasting op het scherm van de ontvanger. Door het feit dat de elektronenstraal over de deeltjes van het mozaïekvlak zwiept, wordt de evenwichtstoestand van elke condensator hersteld. De elektronenstraal levert terug aan elk deeltje die hoeveelheid elektronen die het deeltje onder invloed van een invallende lichtstraal vrijgegeven had. De vereffeningstroom vloeit van de gemeenschappelijke plaat over de weerstand R naar de voeding en vandaar via de kathode van het elektronenkanon en de elektronenstraal naar het deeltje dat een tekort aan elektronen had ten gevolge van de emissie.
Dank zij de elektronenstraal (die in feite niets anders is dan een beweegbare geleider) worden de ladingsverschillen omgezet in stroomveranderingen. Deze elektrische stroomveranderingen vloeien over een weerstand waar ze omgezet worden tot spanningsveranderingen en verder versterkt worden. Op deze wijze kunnen we de lichtsterkte veranderingen van de punten van een beeld omzetten in elektrische spanningsveranderingen.
De fijnheid bij de ontleding van een beeld in punten hangt hoofdzakelijk af van de fijnheid van het mozaïek. Daar echter het aftasten van het mozaïekvlak met een elektronenstraal gebeurt, zal ook deze een rol spelen bij de beeldontleding.
Opmerkingen:
