Kleur overdracht

Technische artikels

In volgende beschrijving wordt een kleur beeld optisch opgenomen en vertaald in een elektrische grootheid.

De kleur van een voorwerp.

Licht is een elektromagnetische golf waarvoor ogen gevoelig zijn. Zo is een infra-rode lamp een elektromagnetische bron. Dit uitstralen wordt als een warmtebron ervaren.
In een donkere kamer kan er geen kleur waargenomen worden. Alle voorwerpen die we "zien"  weerkaatsen het licht van de zon of kunstzon. De kleur van het voorwerp gaat bepalen welk kleur er wordt weerkaatst. Een rood voorwerp belicht met wit licht, gaat enkel de rode kleur weergeven. Wordt dit rode voorwerp belicht met een lichtbron van dezelfde kleur, dan wordt dit gezien als een wit voorwerp. Belichting met een andere kleur, dan is dit voorwerp als zwart weergegeven.
Gekleurde verven die gemengd worden weerkaatsen een ander soort licht. Zo blijkt, na mengen van blauw en geel resulteert in een groene weerkaatsing.
Deze menging wordt subtractieve menging genoemd.  Dit type van menging wordt NIET gebruikt in de kleurtelevisie. In de kleurentechniek wordt additieve menging gebruikt. De primaire kleuren zijn rood, groen en blauw.
additieve menging                                                 subtractieve menging

Een kleur wordt bepaald door twee kenmerken; de kleuraard of chrominantie en de helderheidsindruk. Ons oog  bevat ongeveer 120 miljoen helderheidsgevoelige staafjes en ongeveer 7 miljoen chrominantie gevoelige kegeltjes. Deze kegeltjes zijn verder opgedeeld in een drietal soorten. De grootste groep bevatten de groene gevolgd door de rode groep en als laatste de blauwe. Niet alle kegeltjes tonen dezelfde gevoeligheid voor de verschillende kleuren.



Opdat een KTV-signaal door een zwart-wit ontvanger kan worden weergegeven, moet de zender het luminantiesignaal (heldergheidssignaal) uitzenden. De signalen van de drie camera's worden opgeteld. Het bekomen resultaat is een zwart-wit signaal na toevoeging van de synchrosignalen.



De drie potentiometers worden zodanig ingesteld dat bij opname van een wit beeld een uitgangsspanning van 1V afgeeft. Daar onze ogen niet voor alle kleuren even gevoelig zijn wordt een correctie toegepast. Het luminantiesignaal noemen we "Y". Dit signaal is dus samengesteld uit de drie basiskleuren, Rood,Groen en Blauw.

De gekozen correctiewaarden zijn afgeleid, na een groot aantal personen te hebben laten bepalen, met behulp van een colorimeter, een wit signaal samen te stellen met de drie primaire kleuren. Het Y-signaal wordt dan als volgt geschreven:

Y = 0.3R+0.59G+0.11B

Er wordt voor gezorgd dat het Y-signaal 1V bedraagt.

Om een kleursignaal over te zenden zijn er 4 parameters nodig. Het luminantiesignaal(Y) Rood,Groen en Blauw. Een zender bouwen om deze 4 signalen uit te zenden zou een zeer grote bandbreedte in beslag nemen. Praktisch is dit niet haalbaar. Een andere oplossing dient gezocht te worden.
Men is verplicht het Y-signaal uit te zenden om zwart-wit toestellen te laten werken. Op het ogenblik dat het Y-signaal in de ontvanger aanwezig is weten we al met zekerheid dat het beeld bestaat uit Rood Groen en Blauw.
Alleen weten we niet in welke mate deze aanwezig zijn. Om dit te kunnen bepalen in welke mate de verschillende kleuren aanwezig zijn, zijn  er minstens twee kleuren nodig. Rood en Blauw verwijderen van het Y-signaal laat toe het Groen signaal te bepalen. Hoe gaat het in zijn werk?

In het Y signaal zijn Rood,Groen en Blauw samen gebracht. Vereenvoudigd voorgesteld:
Y=R+G+B
Het ontbreken van 1 kleursignaal (Groen) is terug te vinden door van het Y-signaal Rood en Blauw signaal af te trekken.
G=Y-R-B
Het overblijvende signaal is het gezochte signaal. Dit impliceert dat naast het Y signaal ook het rode en het blauwe signaal dienen uitgezonden te worden.Om dit te bereiken worden twee nieuwe signalen gemaakt.

(B-Y)
(R-Y)

Beide signalen worden samen met het Y signaal uitgezonden.
Aan de ontvanger zijde:
-Voor z/w monitors is het Y signaal beschikbaar.
-Voor de kleurmonitors worden eerst de primaire kleuren gedestilleerd.
B=Y+(B-Y)
R=Y+(R-Y)
G=Y-(Y+(B-Y))-(Y+(R-Y))

Deze twee nieuwe signalen (B-Y en R-Y) zijn te groot om in die vorm te moduleren, er zouden zich overstuurverschijnselen voordoen. Om dit te vermijden worden deze signalen gereduceerd met een zekere waarde. De uiteindelijke signalen worden dan:

U = 0.493 x (B-Y)
V = 0.877 x (R-Y)

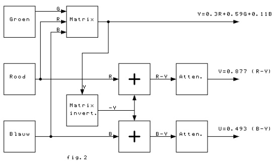
Hierna het blokschema hoe de verschillende signalen worden samengesteld.



De RGB signalen worden opgeteld in de matrix schakeling, dit is dan het Y signaal, tevens wordt ook het inverse signaal gemaakt (-Y). Rood wordt samen gebracht met (-Y) en nadien verzwakt waarna het signaal naar de modulator kan. Hetzelfde proces voor het Blauw signaal.

Deze drie signalen Y, U en V zijn nodig aan de ontvangst zijde om kleurbeelden weer te geven.

De U en V signalen worden meegegeven met het videosignaal. Daarvoor worden beide signalen op een speciale wijze gemoduleerd.
Het luminantiesignaal (Y) en het geluidssignaal mogen geen verandering ondergaan, zoniet komt de decodering voor de zwart-wit monitors in de problemen. De volgende figuur laat zien hoe een z/w signaal zich laat optekenen in het frequentiedomein.



Aan de hoge zijde van de beeldinformatie is het mogelijk een AM gemoduleerd signaal in te voegen, zonder dat deze informatie het Y en het geluidssignaal gaan beïnvloeden. De frequentie van deze hulpdrager, voor het PAL model, is 4.433618MHz. Op deze frequentie worden beide signalen U en V in kwadratuur gemoduleerd. Dit wil zeggen dat beide signalen tot één signaal gevormd worden. Het resultaat ligt in een van de vier kwadranten van de goniometrische cirkel. Hierdoor is niet alleen de amplitude maar ook de faze bepaald.



Een doordachte frequentie keuze van de hulpdrager (HD) laat een minimale storing zien in het beeld. De twee signalen U en V zijn op dezelfde drager gemoduleerd met een verschil van 90°. V ijlt voor op U.



Aan de ontvanger zijde scheidt men U en V van elkaar. De draaggolf is onderdrukt en dient lokaal opgewekt te worden.
Het is van het grootste belang dat de faze van de hulpdrager gelijk loopt met de zender faze. Daartoe plaatst men enkele perioden in het videosignaal, genoemd de burst. Dit laat toe het lokaal opgewekte signaal in faze te laten lopen met de zender.  In geval de faze van het opgewekte signaal (4.43MHz) niet gelijk loopt met de faze van de in de zender opgewekte signaal (4.43MHz) dan treden er kleur vervormingen op.



Begin pagina

Technische artikels

Updated: 11/07/2012 ON1BEW ©