Spectrum monitor 23cm
Home
In de
printbak vonden we een mooie belichte, ontwikkelde en geëtste print. Bij
nader onderzoek blijkt dit een ontwerp te zijn van ON1AHT (Dank je
wel Harry om dit te mogen publiceren).
Wat doet het en waarvoor dient het is de hamvraag. Via enkele OM's is
het schema opgespoord. Het is een spectrum monitor.
De elektronica laat een tuner de 23cm band aflopen van de laagste
frequentie tot de hoogste frequentie. Bij elk moment wordt de signaal
sterkte gemeten en uitgezet op een video scherm. Een eenvoudige
manier om een spectrum uit te zetten op een scherm. In één oogopslag is de
volledige band te overzien, een soort panorama.
Een bron wordt weergegeven met een smalle lijn, hoe sterker het signaal
des te langer de lijn.
De onderdelenlijst
Dit deel kan over geslagen worden, alhoewel het een beter inzicht geeft in
de werking van de spectrum monitor.
Werking:
IC1, D1,D2,D3,D4 en de elcos vormen een step-up generator. De 555
maakt een blokgolf signaal welke gelijkgericht en verviervoudigd
wordt. Op de uitgang staat er 23.7V. Deze spanning is nodig voor het
aansturen van de tuner. Door de spanning te variëren wordt de tuner op een
andere frequentie afgestemd. Het regel gebied strekt zich hier
uit van 0 tot 16V. (eventueel later aan te passen als een glijdend
venster om alzo de span te verkleinen en de start te verplaatsen.)
T1 en bij horende componenten vormen een constante stroombron. Deze
stroombron wordt aangesloten op C6 welke zal opladen volgens een
lineair spanningsverloop. De zaagtand wordt gebruikt om de tuner af
te stemmen.
Na 20ms wordt C6 ontladen met T2. Deze 20ms komt overeen met juist één
beeld. De tuner wordt dus continue afgestemd tussen 0 en 16V. De stap
grote van de afstemming bedraagt 0.8V. Dezelfde 20ms wordt ook
gebruikt om de synchropulsen te genereren voor de ontvangerskant.
Door het gebruik van een rastertijd van 20ms(50Hz), een lijntijd van
64us(15.625Hz) levert dit 625 lijnen per raster, geinterlinieerd.
IC3,4,5 vormen de raster generator. Hieruit wordt de lijntijd en de
rastertijd afgeleid. Deze signalen zijn de synchrosignalen en worden
toegevoegd aan het video signaal met T7. Het zijn deze signalen die
de elektronen straal een raster laat schrijven op het videoscherm.
Het baseband signaal wordt versterkt door T3 en IC6B waarna het toegevoerd
wordt aan de niet inverterende input van comparator IC6A. Op de
inverterende input wordt een spanning gezet afgeleid uit C14, welke de
kans krijgt zich op te laden met de constante stroombron, gevormd
door T4 en omliggende componenten.
Het moment dat de comparator omklapt, vertegenwoordigd de
amplitude van het base band signaal. Vanaf dit punt wordt een
spanning (maximum wit) bij het videosignaal toegevoegd. Op het einde van
de lijn gaat T5 de condensator C14 ontladen, om alzo klaar te zijn
voor de volgende lijn.
Het electronisch gedeelte rond IC7 en IC8 met bijhorende componenten
hebben we niet gemonteerd. De informatie de we hiervan verkrijgen is
echter niet heel zinvol daar er om de 20mS een nieuw frame sweept. Deze
ICs 7 en 8 met bijhorende componenten zijn dan ook niet gemonteerd
op de spectrumprint.
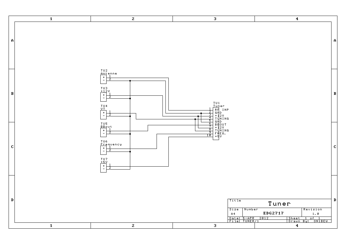
De Tuner
Van waar komt het ingangsignaal voor deze
spectrum monitor? Inderdaad een ingangssignaal is nodig om het
spectrum te bekijken. Hier maken we gebruik van een kant en
klare tuner, meer bepaald het boven mixer type,
fabrikantnummer SAT5601, veel gebruikt in sat ontvangers en
voor een kleine prijs aan te kopen. Hier de product data van deze tuner.
Een print is gemaakt om deze te monteren, samen
met printstekkers dit om een gemakkelijke samenbouw
te voorzien.


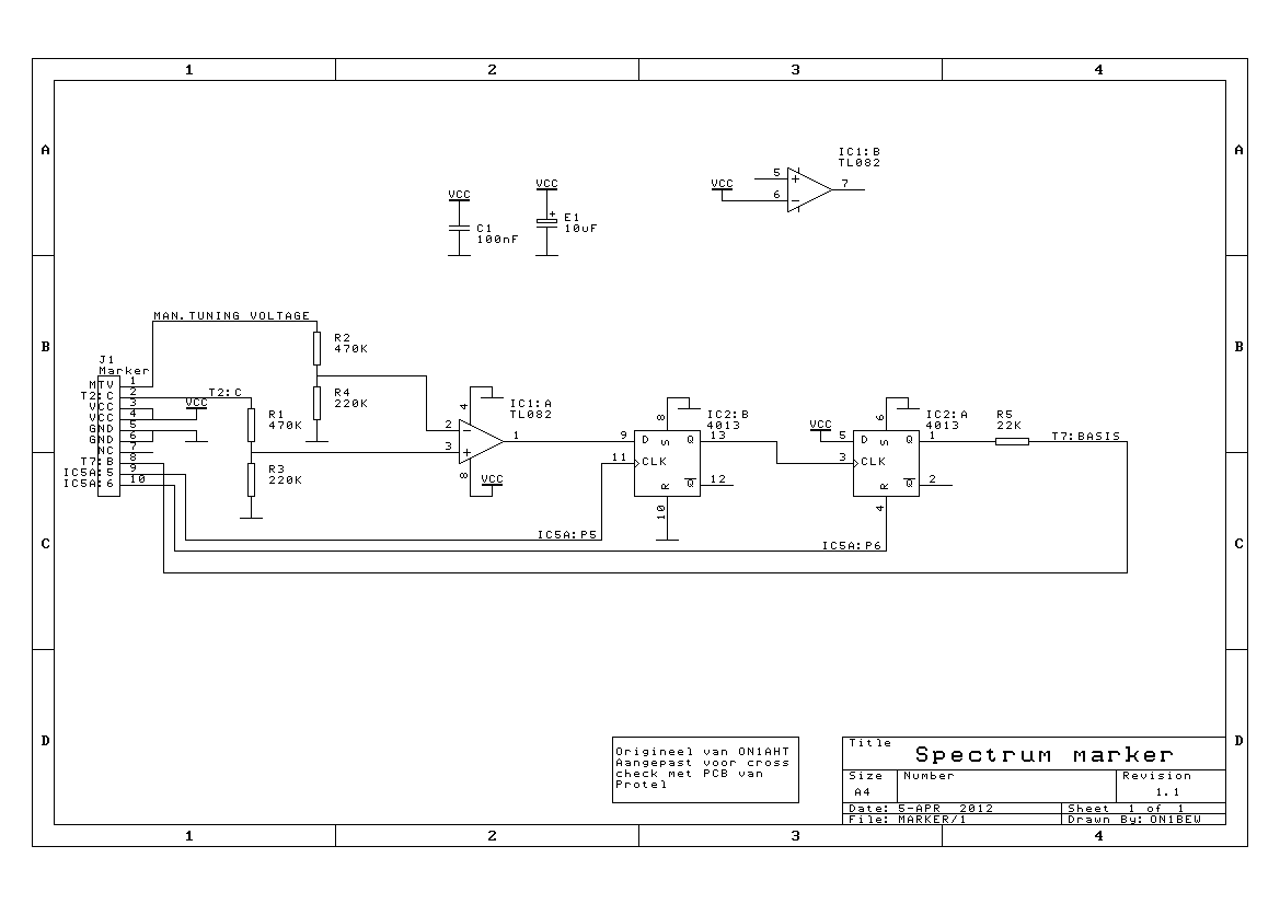
De Marker
De marker is uitgedrukt als een fijn wit lijntje, het verplaatsen ervan
gebeurt door middel van een potentiometer, dit over het tentoon
gestelde spectrum. Op deze wijze kan eender welke plaats in het
spectrum geselecteerd worden. De frequentie wordt afgelezen
op de frequentiemeter,
elders op deze site beschreven.
Schema van de marker:
Alle aansluitingen zijn voorzien via een tien polige connector(J1)
verdeeld over twee rijen van vijf pinnen. Voeding, massa en
besturingslijnen zijn via dezelfde connector gemaakt. Iedere verbinding
met deze pin geeft een netnaam, bv: de verbinding J1 pin 9 draagt de naam
IC5A:P5; wat in feite wil zeggen, verbind deze lijn met IC5A van de
spectrum monitor op pin 5.
De print voor de spectrummarker is zodanig ontworpen dat de print boven op
de spectrum marker komt te staan op zijn plaats gehouden door enkele
afstandsbussen. De verbindingen zijn dan eenvoudig en relatief kort te
leggen naar de betreffende punten op de spectrumprint.


De power supply.
Om dit alles te voeden is er een stroombron nodig. De transformator is
gesloopt uit een of ander toestel. Natuurlijk kan voor de voeding eender
welke transformator gebruikt worden zolang de uitgangsspanning en stroom
maar voldoen aan de gewenste waarden. Natuurlijk gaan we de voeding
testen alvorens te gebruiken, dit met een vaste weerstand of met de
zelfgebouwde dynamische
belasting.
Samenbouw van de verschillende
modules.
Na het bouwen van de verschillende modules, zijnde de spectrum monitor, de
marker, de frequentiecounter, de display en de voeding is het tijd om
alles samen te brengen in een behuizing.
Het is vanzelfsprekend dat elk onderdeel al gedeeltelijk getest is
alvorens alles samen te brengen in een behuizing. Inderdaad een fout in
één van de gebouwde modules kan heel wat problemen geven bij de finale
test.
De frequentiecounter kan ook getest
worden, met een voedingsbron van 5V. De display gaat bij aansluiten van de
voedingsspanning een bepaalde waarde tonen, zonder bron weinig waardevol
maar vaststellen of de PIC naar behoren werkt, is het een goed begin.
De spectrum monitor is wat moeilijker te testen daar de tuner ook wat
extra bekabeling vergt. Het is belangrijk deze stap niet over te
slaan, deze module is de kern van het hele systeem en een goed werken
bepaalt of het project al dan niet slaagt. De tuner is hierbij
onontbeerlijk, alle aansluitingen zijn terug te vinden op het schema van
de spectrum monitor en het schema van de tuner.
Hoe alles samen te knopen, volgens volgend schema.
Nog wat klein werk uit te voeren, een groen filter om voor de display te
plaatsen, een afstemknop, en natuurlijk een mooie frontplaat met
belettering.
De foto hierna toont de spectrum monitor in frequentie mode.



De spectrum monitor met voorgevel en achtergevel.
Begin pagina
Home
Updated:
20/03/2013 ON1BEW ©