DTMF bouw

Home

Op een bepaald ogenblik is er nood aan een DTMF bron om instructies te kunnen doorgeven aan een remote systeem.
De meer recente tranceivers hebben deze functie aan boord. In de schack is het gemakkelijk zo een bron standby te hebben.

De bouw van zo een DTMF generator is reeds gebouwd, dit door verschillende telefoon fabrikanten. Een kijkje nemen in een afgedankte telefoon is een goede start...


Een kant en klare DTMF bron met print en componenten.
Product data: PBD3535


Enkel nog een paar componenten toevoegen. Opgelet de witte en bruine draad zijn niet met elkaar verbonden, toeval, bij het nemen van de foto liggen ze op elkaar.



Alles in een doosje monteren....


afwerken en testen


Volgens de eerste berichten een pure toon vorming...

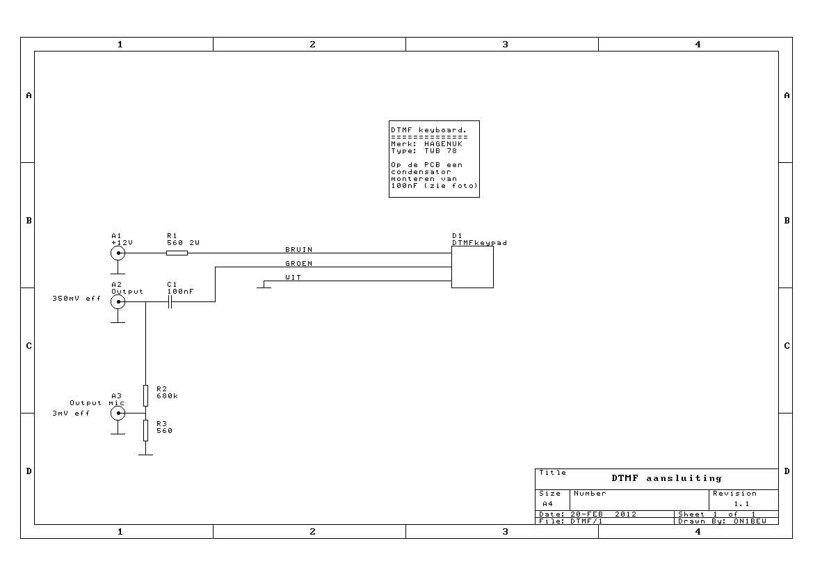
Hierna de aansluitgegevens van het key-pad





Begin pagina

Home

Updated: 29/07/2011 ON1BEW ©