

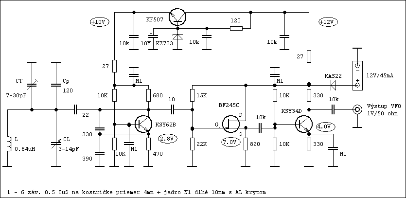
Oscilátor - VFO (variable frequency oscillator) som skonštruoval pre transceiver Nivea 2 ktorý je riadený kryštálom na pevnej frekvencii v pásme 14MHz. VFO umožní prevádzkovať TRX v celom pásme 20m - od 14000 kHz po 14350 kHz. Na stránkach autora konštrukcie Petra OK1XGL je kompletný stavebný návod a stiahnutá dokumentácia vo formáte .pdf je tu. Transceiver Nivea 2 bol popísaný aj v časopise Rádiožurnál, jedná sa o krásnu konštrukciu TRX hlavne pre deti a začiatočníkov a je dodávaný aj ako stavebnica ktorú je možné objednať u Romana OM3EI.
Oscilátor je postavený na jednostrannej doske plošných spojov
ktorá je vletovaná do rámiku z konzervového pocínovaného plechu. Aj horný a spodný
kryt krabičky je ohnutý z tenkého pocínovaného plechu, dobre sa strihá aj ohýba. Pre vývod
vf signálu a napájanie je použitá malá gumenná priechodka. Napájanie oscilátora je 12V,
prúd okolo 45mA. Výstupná úroveň je okolo 1V / 50Ohmov.
Ako ladiaci kondenzátor som použil malý keramický kapacitný trimer, zmeraná kapacita
3 - 14pF. Keď bude použitý iný ladiaci kondenzátor, hodnoty súčiastok oscilačného obvodu
je možné vypočítať podľa upraveného Thompsonovho vzorca, pre pásmo 20m (začiatok
pásma 14.000MHz a koniec 14.400MHz s presahom) po substitúcii dostaneme:

Pre výpočet parametrov oscilačného obvodu môžete skúsiť použiť program Thompson
od Ivana OM7UR. Ak by bol použitý ladiaci kondenzátor s veľkým preladením alebo
by na cievke vychádzala moc malá indukčnosť treba pred ladiaci kondenzátor vradiť
sériový kvalitný kondenzátor Cs (nepoužitý, ale na doske plošných spojov sa s ním počíta len bude treba preškrabnúť plošný spoj) ktorý zníži deltaC a prepočítať. Dá sa to aj skusmo keď je
k dispozícii čítač ale je to pracnejšie. Kostrička cievky L je bakelitová o priemere 4mm
a použil som jadierko M3 z hmoty N1 - žlté - a na cievku som dal hliníkový kryt.
Cievka má 6 závitov natesno Cu smaltovaného vodiča o priemere 0.3 - 0.6mm a celé vinutie
je zafixované nakoniec po nastavení oscilátora pečatným voskom.
Jadierko treba v kostričke zafixovať- najlepšie tenkou gumennou nitkou z ponožky.
Jadierka v cievkach po dlhoročných skúsenostiach v žiadnom prípade nezalievam ani
voskom (ani pečatným!) ani lakom alebo kolofóniou - keď bude treba doladiť jadro určite sa
roztrhne alebo sa vylomí drážka pre ladiaci skrutkovač a potom treba vymeniť celú cievku -
určite nič príjemné. Nezabudnite osadiť jednu drôtovú spojku zo strany spojov.
Viac o konštrukcii napovedia fotografie hotového VFO.
Bloková schéma pripojenia oscilátora a pásmového filtra k rádiu Nivea II.

Zostava rádia Nivea II s pripojeným oscilátorom a pásmovým filtrom, po kliknutí na obrázok sa zväčší.
Osvedčilo sa mi pár drobných úprav rádia Nivea II:
1. Úprava vstupu aby bolo možné pripojiť do signálovej cesty pásmový filter - cievka L3 sa pripojí na krajný pin kolíkovej lišty a z druhej strany dosky sa malým vrtákom na kov odstráni fólia okolo jumperového kolíka. Pôvodne bol kolík pripojený na zem. Funkcia J5 ostane zachovaná.
Hotový pásmový filter pre pásmo 20m, cievky sú použité z rádiostanice WXN020.
2. Skratovanie kryštálu keď sa pripojí externý oscilátor VFO - kryštál je veľmi živý a rozkmitáva sa aj
keď je odpojený pravdepodobne kapacitou kolíkov jumpera J4. Na vývody kryštálu som priletoval skratovací
jumper z kolíkovej lišty a pri pripojení externého oscilátora sa jumper J4 založí hneď vedľa.
Prijímač je dosť citlivý, po odpojení antény LW 16 metrov ktorá bola doladená do pásma pí článkom
znateľne poklesol šum prijímača. Nemal som možnosť presne zmerať parametre prijímača ale dojem z rádia Nivea
bol veľmi príjemný a tak isto možnosť prepínania CW/SSB jumperom je vítaná. Pripojením externého
oscilátora k rádiu Nivea II získame novú dimenziu - možnosť počúvať aj vysielať v celom rozsahu
amatérskeho pásma 20m.
73 Igor OM3CUG G QRP club 5976