Power supply

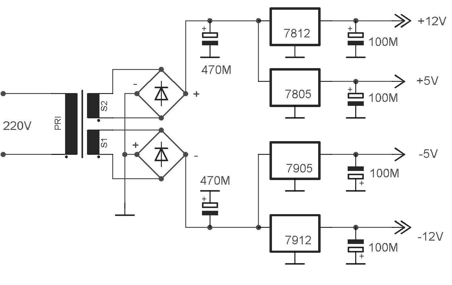
Power supply is serving +-5 and +-12V DC. Transformer EI48/16 has outputs 2 x 12V. Rectifiers are DIL 1A. IC are screwed to Al coolers with dimensions 30 x 30 mm.

Schema zdroje:

schema.jpg, 39 kB

PCB (bottom side):

pcb.jpg, 46 kB

Inputs and outputs of ICs are blocked directly on PCB by condensers 100 nF (not shown).

Components placement:

components.jpg, 48 kB

Photo:

power.jpg, 28 kB