Basic DDS unit:


PIC based control unit:


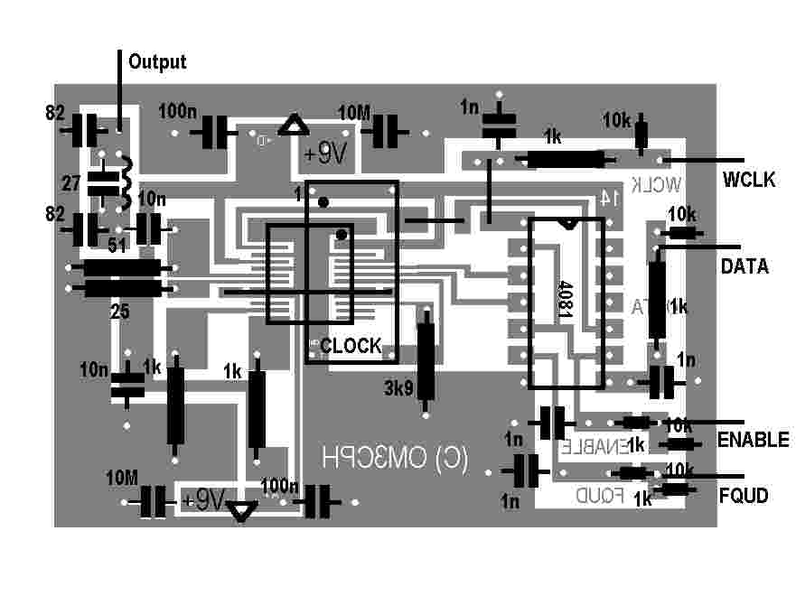
Complete generator unit: