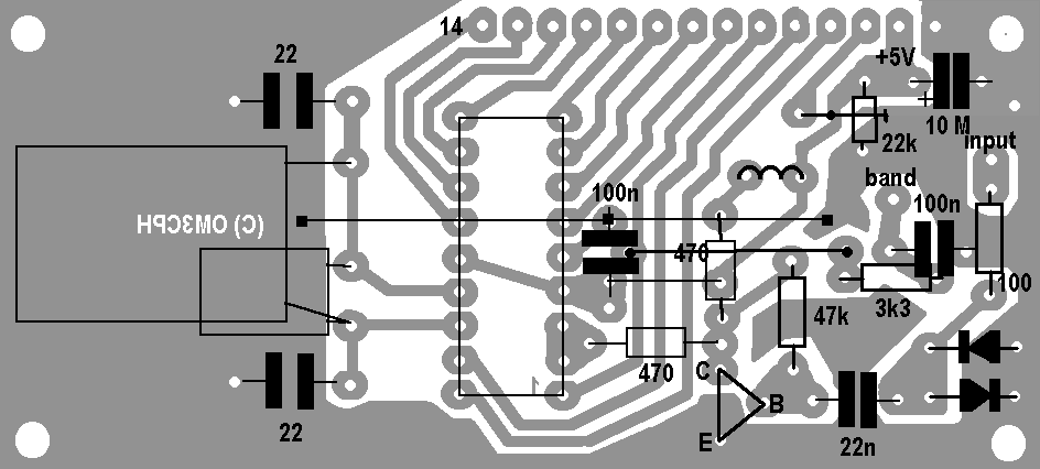
PCB for both counter and digiscale:

The dimensions are 80 x 37 mm. Onesided copper is used.

PCB

Component's positions::

components