Simple ICOM CAT Interface by OK2WY

 

RS-232 Connector - PC side (DTE)

1 - DCD - input/output - programmable
2 - RD - data input
3 - TD - data output
4 - DTR - output
5 - GND - signal ground
6 - DSR - input
7 - RTS - output
8 - CTS - input
9 - RI - input/output - programmable

 

 

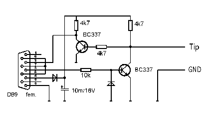
This simple and low cost interface circuit is designed for use with any ICOM amateur radio equipment with CIV interface. All parts are soldered directly to pins of DB9 female connector, no PCB is needed. The circuit is powered directly from COM port, no external power supply is necessary. Voltage level generated on COM data input are not true RS-232 level, but most commonly used RS232 level converters in computers can recognize incoming data correctly. I have tested this circuit with a lot of desktop PCs and some notebooks succesfuly, except one PCMCIA COM interface. But solution was a simple change of COM1/COM2 connection of TNC and this interface :-)... For using with HF transceivers is recommended to add an RF choke betwen output of transistor and cable to rig and an blocking capacitor to ground. Diodes are ordinary small Si type, i.e. 1N4148.

I have succesfuly tested this interface for programming of popular transceiver IC-Q7E too. There is necessary simple change of connection of output cable: 3.5mm stereo jack must be used instead of mono jack for CIV interface, the live wire must be connected to second ring in connector, not to tip. Here you can find software for IC-Q7E programming .

Important note: Because this interface is powered from Com port, it depends by software. Some programs give 0 V level to DTR (pin 4). In this case you can try to use RTS (pin 7) or both these pins with Si diodes or if there are still problems simply use external power supply (small battery...).

Home