Minitransceiver pro přenos dat

Šerák

Ing. Radek Václavík, OK2XDX, FEI VUT Brno

Ing. Pavel Lajšner, OK2UCX, Motorola Rožnov p. R.


Digitální provoz Packet Radio (PR) přitahuje stále více radioamatérů. Je to způsobeno nízkou cenou jak výpočetní techniky tak i různých profesionálních radiostanic, které ale umožnují pouze pomalý provoz 1200 nebo 2400 bitů/sec. Pro zvýšení přenosové rychlosti na standardní hodnotu 9600 bitů/sec je potřeba použít speciální k tomu určené radiostanice. Návod na stavbu takové jednoduché radiostanice najdete v následujícím článku. Bližší informace o problematice PR může čtenář najít v knize "Packet radio od A až do Z", kterou vydal BEN Technická literatura v srpnu 1996.

Technické údaje:
Napájecí napětí: 12-14V
Odběr proudu: 80mA RX/ 550mA TX
Kmitočtový rozsah: 430 - 440 MHz
Modulace: FSK (9600 Bd G3RUH)
Přijímač: superheterodyn s dvojím směšováním
Mezifrekvence: 10.7 MHz, 455 kHz/30kHz
Výkon vysílače: min 1W / 13.5V

Úvod

Počítače se v dnešní době hojně užívají i mezi radioamatéry. Jedním z provozů, který doznal v poslední době velkého rozmachu, je Packet radio. Packet radio (dále jen PR) je vlastně bezdrátový přenos dat celosvětovou digitální sítí. Je to velmi užitečná pomůcka. V síti tzv. BBSek najdete množství informací, novinek z oboru, výsledků závodů, různých programů apod. Řada uživatelů však považuje PR za věc okrajovou a podřadnou, nemající nic společného s "pořádnou" radioamatérskou činností. To je ovšem velký omyl. Technika PR skýtá mnoho zajímavého a zvláště budování sítí s vyššími modulačními rychlostmi (ne 1200 Bd) vyžaduje poměrně hluboké znalosti digitální i vysokofrekvenční techniky.

Současný stav naší sítě PR není ideální, avšak máme síť hustější a spolehlivější než například v Rakousku. Taktéž spolupráce jednotlivých sysopů je na dobré úrovni. Převládají linky v pásmu 430 MHz s rychlostmi od 1200 Bd do 14400 Bd, přibývají linky v pásmu 1.2 GHz s rychlostmi od 9600 do 38400 Bd. Hlavní a nejvytíženější linky pracují dnes minimální rychlostí 9600 Bd. Uživatelské vstupy (označované jako USERy) jsou převážně v pásmu 144 MHz a pracují rychlostí 1200 nebo 2400 Bd. Objevilo se několik vstupů v pásmu 430 MHz, ale většinou pracují rychlostí 1200 Bd. Pouze několik jich využívá rychlost 9600 Bd.

Zkušenost ukazuje, že s rostoucím počtem uživatelů se stává rychlost 1200 Bd naprosto nedostačující. Pracuje-li na jednom kmitočtu 5 a více stanic, stává se provoz velmi pomalý a nepříjemný. Pokud navíc někdo čte dlouhý výpis či si nahrává program, je situace neúnosná a řada uživatelů raději vyčká na noční hodinu, kdy je provoz menší. Řešení této situace je známé - zahuštění sítě nódů a zvýšení přístupové rychlosti na minimálně 9600 Bd.

Pro provoz rychlostí 9600 Bd nelze použít běžné ruční transceivery. Na transceiver (dále jen TRX) jsou kladeny náročnější požadavky hlavně na šířku pásma, na zavádění modulace, na výstup signálu či na rychlost přepínání příjem/vysílání. Na trhu jsou dostupné i TRXy renomovaných firem schopné provozu 9600 Bd, ale jsou mobilního či stolního provedení, a jejich cena je dosti vysoká. Navíc všechny tyto TRXy mají spoustu dalších funkcí, tlačítek a displejů, které se při provozu PR neuplatní. Drahé a kvalitní zařízení je tak vlastně degradováno. Ne všechny TRXy označené "9600 PR" navíc fungují bez problémů.

Ideální by tedy byl malý jednoúčelový TRX, který by splňoval všechny technické požadavky, byl jednoduchý a levný. Byl by trvale připojený k modemu a k počítači. Odpadla by častá manipulace s kabeláží a ušetřený profi TRX by mohl sloužit jiným účelům. Proto jsme se pokusili takový TRX postavit. Výsledek své práce Vám předkládáme v následujícím článku.

Evropa a my

Myšlenka malého jednoúčelového TRXu není ničím novým. V Německu vzniklo několik konstrukcí, avšak byly na náš vkus poměrně složité. Skládaly se z několika hustě osazených desek a byly v nich použity různé "nepříjemné" součástky jako semi-rigid kabel či 15W hybrid ve vysílači.

V zemi, která je dnes s PR nejdále, ve Slovinsku, vznikl také jednoduchý TRX pro 38400 Bd PR. Využívá ale širokopásmové modulace a pro uvedenou přenosovou rychlost je zapotřebí 200kHz pásma. Samotná konstrukce je jednoduchá, ale pro úzkopásmovou FSK ji nelze použít. Navíc v ní autor používá staré součástky, které již nelze často zakoupit. Při jejich náhradě novými se stává zapojení nestabilní a chvíli trvá, než se jej podaří umravnit.

V současné době se u nás v síti PR využívá téměř 100% hardware i software z Německa. Například mohu uvést řídicí SW nódů (FlexNet), BBS (BayCom BBS), z HW jsou to potom linkové TRXy LinkTRX1, 3 nebo HW nódu RMNC FlexNet. Všechny linky a USERy tedy využívají pro přenos co nejužší pásmo (cca 20 kHz pro 9600 Bd G3RUH). Jak jsme uvedli výše, ve Slovinsku úspěšně aplikovali systém širokopásmový a dnes běžně využívají rychlostí 38kBd. Díky malé rozloze Slovinska pracují všechny uživatelské vstupy na jednom kmitočtu (v pásmu 430 MHz) a zaberou tak právě 200 kHz. Nódy jsou na vysokých kopcích a bez problémů pokryjí celé území.

U nás není možné tento systém aplikovat z několika důvodů. Tím prvním je geografické uspořádání naší země, která je velmi členitá a má větší rozlohu. Díky tomu je pro pokrytí signálem potřeba více nódů a tím i kmitočtů. S tím souvisí druhý problém - nedostatek volných kmitočtů v pásmu 430 MHz. Situace v tomto pásmu je v naší republice dosti nepřehledná. Nachází se zde vedle radioamatérů také velké množství různých profislužeb, datových pojítek a dálkových ovládání čehokoliv. Pro příklad můžem uvést případ Brna, kde na downlinku japonské radioamatérské družice pracuje oficiálně schválený datový spoj s velkým výkonem. Na vysokém kopci tak už nelze najít v radioamatérském digitálním segmentu žádný volný kmitočet. Proto musíme s pásmem zacházet šetrně a tudíž nemůžeme pro uživatelské vstupy v pásmu 430 MHz využívat jednoduchý slovinský systém. Na vyšších pásmech je naštěstí situace jiná a slovinské TRXy již pracují na některých linkách. Jejich výhodou je nízká cena, jednoduchost a spolehlivost.

Řešení pro rychlý a levný přístup uživatelů do sítě PR, splňující požadavek využití co nejužšího pásma pro přenos, opět pochází z Německa. Henning DF9IC a Johannes DG3RBU nabízejí velmi jednoduchý modem PICPAR pro 9600 Bd PR, který se připojuje přímo na paralelní port počítače a který je jako stvořený k použití s níže popsaným TRXem. Podrobněji bylo o modemech 9k6 psáno v PE AR 4/98.

Jen na okraj, ve Slovinsku již instalovali na většinu hlavních linek TRXy pro 1.2MBit/s v pásmu 2400 MHz a podobný TRX v pásmu 23cm používají pro uživatelský přístup .

Koncepce TRXu

Při návrhu zapojení TRXu jsme se snažili držet následujících bodů:

Zdánlivě nejjednodušší by se jevila možnost použít některý z moderních syntezátorových integrovaných obvodů, které pracují přes 1 GHz a stojí kolem 100Kč. K tomu malý mikroprocesor a je to. Žádné parazitní produkty (mimo harmonických), snadné oživení, možnost volby kmitočtu apod. I procesor by šel vypustit a celý TRX by se snadno ovládal přímo z počítače.

Obr.1. Způsoby zavádění modulace do smyčky PLL

Nesprávné využití PLL syntezátorů pro datové přenosy může celé zařízení degradovat. U běžných TRXů se využívá několika způsobů zavádění modulace do smyčky PLL (viz. obr 1). V tom prvním se zavádí modulační signál do referenčního oscilátoru. Zde musí být celá smyčka tak rychlá, aby sledovala modulační průběh. Je-li smyčka rychlá, může být potencionálně nestabilní, snižuje se potlačení parazitních produktů apod. Ve druhém případě se superponuje modulační napětí přímo k ladicímu napětí. V tomto případě musí být smyčka naopak tak pomalá, aby nesledovala průběh modulačního napětí. Potom ale trvá mnohem déle zavěšení smyčky při změně kmitočtu či zaklíčování.

Tento parametr nehraje při běžném fónickém provozu žádný význam. Uživateli je celkem jedno, jestli se od stisknutí tlačítka PTT (Push to talk) zavěsí smyčka za 20 či 200ms. Jenže při rychlém datovém přenosu se dá za dobu 180ms přenést spousta informace. Je tedy snahou konstruovat datový TRX s co nejkratší dobou přepínání příjem/vysílání (TXD - TX Delay). Nectnost vysoké hodnoty TXD má i řada komerčně vyráběných TRXů renomovaných firem - Kenwood, Alinco, ICOM aj. s označením "9600 PR ready" !!!

V profesionálních datových TRXech se proto využívá přímé modulace krystalového oscilátoru, ze kterého je signál buď přímo násoben na výsledný kmitočet (obr. 2), nebo je směšován se signálem z oscilátoru na vysokém kmitočtu (ten již může být řízen PLL, neboť nemá vliv na modulaci), viz. obr.3.

Obr. 2. Využití modulace krystalového oscilátoru a řetězců násobičů.

Obr.3. Kombinace modulovaného krystalového oscilátoru a fázového závěsu.

U první varianty TRXu Šerák jsme zvolili nejjednodušší řešení s krystalovým oscilátorem pracujícím na 1/27 požadovaného kmitočtu (pro pásmo 430 MHz vychází krystal kolem 16 MHz), který se v řetězci násobičů násobil na výsledný kmitočet.

Po důkladném testování prvního prototypu jsme se ale rozhodli toho zapojení zavrhnout pro jeho nectnosti. Volně vinuté cívky mají značné rozptylové pole, které vadilo zvláště vstupnímu předzesilovači přijímače, čistota výstupního spektra nebyla dobrá a TRX se občas choval nestabilně. Navíc se těžko regulovala správná injekce signálu do prvního směšovače přijímače.

V poslední variantě zapojení využíváme zavádění modulace přímo do referenčního oscilátoru syntezátoru PLL. Díky vysokému porovnávacímu kmitočtu ve fázovém detektoru použitého obvodu Motorola MC13176 (zde cca 13MHz) nečiní přenos modulačního signálu do 10kHz žádné problémy. Výrobce udává maximální šířku pásma přenášeného signálu 5MHz.

Vysílač i přijímač je opět řízen krystalem, nevýhodou je tedy nemožnost snadného přelaďování TRXu. Je nutné si však uvědomit, že TRX je určený pro domácí využití, kdy provozuji PR přes nejbližší nód 70 cm/9600 Bd a nemusím hledat po pásmu méně vytížený nód. Pokud se chystám na cesty a rád bych měl sebou PR, vezmu si stejně svoji "ručku" do kapsy a jednoduchý modem 1200 Bd. Uživatelské vstupy pracující rychlostí 1200 Bd v pásmu 144 či 430 MHz nevymizí, zůstanou právě pro tyto účely a pro přístup uživatelům, kterým tato rychlost dostačuje.

TRX je konstruován kombinovanou technologií, jsou zde použity součástky klasické i pro povrchovou montáž. SMD provedení jsou oba syntezátory, přijímačový čip a pasivní součástky na exponovaných místech (blokování, vazby,..) zapojení.

Další důležitou součástí je deska plošných spojů. Zvláště u výkonovějších částí nebo u částí s velkým zesílením je potřeba dbát na rozmístění součástek, blokování a stínění. V nejexponovanějších částech je nežádoucí vazba potlačena řadou prokovených otvorů spojených s kostrou přístroje. Doporučuji proto všem případným zájemcům, kteří nemají dostatek zkušeností z vf techniky, aby použili originální desku. Podle podkladů v časopise, dokáže sice spousta firem desky fotocestou vyrobit, ale ne s prokovenými otvory. Originální deska je navíc opatřena nepájivou maskou a osazovacím potiskem, která značně snižuje riziko zkratu při pájení. To je zvláště u SMD součástek a při použití trafopájky veliké.

Zapojení TRXu

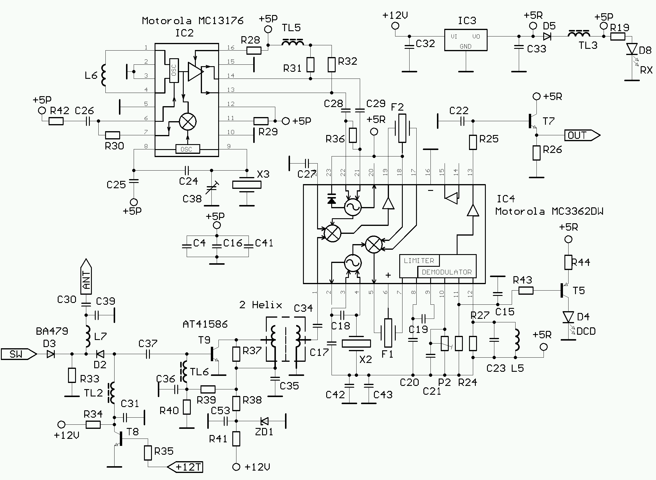
Základ vysílače tvoří jednokanálový syntezátor MC13176 (IC1). V něm je sloučen proudem řízený oscilátor (CCO) , referenční oscilátor, pevný předdělič 32 (nebo 8 u MC13175), fázový komparátor, budiče a podpůrné obvody. Výstupní výkon je až 10dBm, kmitočtový rozsah do 900MHz. Obvod umožnuje i regulaci výstupního výkonu (čehož je využito v přijímači), dále amplitudovou modulaci (AM) či ASK apod. Pro podrobnější informace doporučuji nahlédnout do originálních katalogových listů.

CCO kmitá s externí cívkou L1, paralelní rezonanční kapacita je součástí obvodu. Uvnitř je signál dělen 32 a přiveden do fázového detektoru, kde se porovnává s referenčním signálem odvozeným z krystalu X1. Výstup detektoru je veden přes aktivní filtr tvořený T1 do řízení CCO. Filtr smyčky, který ovlivňuje parametry PLL tvoří hlavně R3, R4 a C1. C40 potlačuje parazitní produkty vzdálené o kmitočet krystalu X1 od nosné. Dosažené potlačení je lepší než 50dB. Filtr smyčky je navržen tak, aby stačil sledovat modulaci zaváděnou do referenčního oscilátoru. C2, C3 tvoří kapacitní dělič referenčního oscilátoru, R2 a R1 zajišťují napájení obvodu, C48, C49 a C50 jsou blokovací kondenzátory SMD umístěné ze strany spojů.

Modulace se přivádí přes R10 na varikapy D1 a D1' (BB409) a přes vazební kondenzátor C5 rozlaďuje krystal. Jemně se dá kmitočet krystalu regulovat předpětím varikapu trimrem P1. Krystal v uvedném zapojení kmitá na paralelní rezonanci a na ni je potřebné si nechat krystal vyrobit. Zatěžovací kapacita se dá snadno vypočítat sérioparalelním řazením kondenzátorů C2, C3, C5 a kapacity použitých varikapů pro dané předpětí. Pro předpětí 6V je podle katalogu kapacita varikapu BB409 C=15pF.

Při použití s konkrétním modemem je potřeba nastavit optimální zdvih a ne všechny typy modemů mohou dodávat potřebné modulační napětí. K rozlaďování krystalu dochází změnou paralelně připojené kapacity. Je tedy zřejmé, že zdvih bude záležet také na momentálním nastavení P1, na C5, D1, D1ď, C2 a C3. Pokud se nepodaří dosáhnout požadovaného zdvihu s danými hodnotami součástek, stačí změnit správným směrem hodnoty C5, C2 a C3 tak, aby referenční oscilátor stále kmital.

Výstup budiče IC1 by měl v ideálním případě pracovat do selektivní zátěže a pro nesymetrický výstup by měl být symetrizován například pomocí balunu. Z důvodu co největší jednoduchosti jsme ponechali zátež rezistívní a využíváme jen polovinu budiče. R12 a R21 zajišťují přes tlumivku TL1 napájení koncových tranzistorů obvodu. Výstupní signál je veden přes C14 do dvou zesilovačů s T2 a T3 (BFR96S nebo TS). Rezistory R13 až R16 zajišťují nastavení pracovních bodů tranzistorů, R17 omezuje proud T3.

Přes laděný obvod C10, C11 a L2 je signál veden do koncového tranzistoru. Ten pracuje pro maximální zjednodušení a účinnost ve třídě C (R20). Koncový tranzistor MRF555 firmy Motorola má zisk kolem 13dB a výstupní výkon 1.5W (obr. 4). Vše v malém plastovém pouzdře podobném tranzistorům BF981 či BFR91 (obr 5). Vývod kolektoru tvoří 3.5mm široký pásek, kterým se odvádí teplo s vlastního čipu. Teplo se tak rozptýlí a vyzáří deskou plošného spoje. Pro provoz 9k6 PR, kdy je poměr příjem/vysílání vysoký, tranzistor nepotřebuje žádný přídavný chladič. Pro ostatní případy je vhodné na desku přišroubovat nebo připájet pásek měděného plechu pro zlepšení odvodu tepla. Výstupní výkon se pohybuje od 1 W do 1.5W při napájení 13.5V.

S výběrem vhodného koncového tranzistoru byly velké problémy. Katalogy renomovaných firem nabízí řadu vhodných typů, ale tuzemští dovozci nejsou ochotni dovézt u levnejších typů řádově desítky kusů. Balící jednotky tvoří většinou 100 až 1000 kusů, což je pro experimentování nepřijatelné. Koncový tranzistor tvoří největší finanční položku, proto jsme se snažili najít co nejlevnější typ. Takové tranzistory mají většinou klasické pouzdro TO-39 (jako KF507). Při svých pokusech jsme vyzkoušeli různé typy tranzistorů, jak pro pásmo 430 MHz tak i pro 144MHz, ale MRF555 se jevil jako nepřekonatelný. Nakonec se mi jej podařilo zajistit jen díky ochotě pracovníků firmy GES Electronic Plzeň. Ostatní dodavatelé se spokojili s konstatováním, že se jedná o "...zastaralý typ", přitom katalogvé listy jsou z roku 1995 a přitom se jedná o součástku preferovanou firmou Motorola.

Obr.4. Graf závislosti výstupního výkonu na vstupní výkonu a napájecím napětí tranzistoru MRF 555

Výstupní signál je veden přes L3, C13, D3 do antény. Anténní přepínač využívá vlastností diod PIN, které mají v otevřeném stavu (stejnosměrným proudem) nízký vysokofrekvenční odpor. Při vysílání je otevřena dioda D3 (+12VTX - D3 - R33), dioda D2 má anodou uzemněnu přes TL2 a T8, tudíž se signál nedostane na vstup přijímače. Při příjmu se otevře dioda D2 (+12V - R34 - TL2 - D2 - R33) a signál z antény je veden do přijímače.

Obr.5. Pouzdro Power Macro tranzistoru MRF 555

Dále je signál z anténního přepínače veden do předzesilovače s T9. Vstupní tranzistor jsme použili typu AT41586, díky jeho výborným parametrům a ceně. Přes laděný obvod F3 typu Helix je signál veden do prvního směšovače v IC4. Tento filtr vyrábí firma NEOSID a dá se zakoupit v cenách kolem 15 DM. Je to sice téměř nejdražší položka v celém zařízení, ale nelze ji jednoduše zhotovit doma. Při ladění přijímače oceníte tu skutečnost, že filtr ladí tam kde má a není do něj potřeba zasahovat. Navíc je celý stíněný a zabraňuje tak pronikání nežádoucích produktů z okolí, zmenšuje se vazba mezi vstupem a výstupem předzesilovače apod. R37 až R41 zajišťují napájení předzesilovače, ZD1 stabilizuje napájení 9V.

Obvod MC3362 firmy Motorola je určen pro FM přijímače do 200 MHz, ale s externí injekcí do prvního směšovače se dá použít až do 450MHz. Jak jsme praktickým odzkoušením a změřením zjistili, je to za cenu ztráty zisku prvního směšovače, která je na 430 MHz pouze kolem 6dB. Několikrát jsme se rozhodovali, zda nepoužít jiné řešení s externím směšovačem, například s tranzistorem. Nakonec jsme ale zapojení ponechali v původní podobě a smířili se s horší citlivostí, která ovšem nemusí vadit (viz. dále). Značnou výhodou zůstává jednoduchost zapojení přijímače, díky SMD provedení také malé rozměry.

Požadovaný signál pro první směšování se získává opět z MC13176 (IC2), který je zapojen pouze s pasivním filtrem smyčky R30, R42, C26. Symetrický výstup je přes oddělovací kondenzátory C28, C29 přiveden do prvního oscilátoru IC4. Úroveň injekce je řízena rezistorem R28; C4, C16 a C41 jsou opět blokovací kondenzátory SMD. Referenční oscilátor kmitá s X3 o mezifrekvenční kmitočet (10.7MHz) níže než je přijímací kmitočet. Jemně se dá doladit změnou trimru C38. O jeho parametrech platí stejné podmínky jako u IC1.

Signál o prvním mezifrekvenčním kmitočtu je filtrován v F2. Ten tvoří běžný filtr 10.7MHz pro použití ve VKV FM přijímačích. Jeho šířka se pohybuje kolem 200kHz. Výhodnější by se jevilo použití užšího filtru, například krystalového, ale MC3362 je optimalizován pro připojení keramických filtrů. Použití filtru krystalového by vyžadovalo další přizpůsobovací obvody.

Mezifrekvenční signál je dále směšován se signálem o kmitočtu 10.245 MHz (X2, C17, C18) a filtrován v F1. Ten je opět keramický, 455kHz, šířka pásma 30kHz (označení B), 25kHz (označení C) nebo 20kHz (označení D).

Dále je signál veden přes zesilovač do demodulátoru s L5, C23. R22 je potřeba zvolit tak, aby byla lineární část demodulátoru široká nejméně 20kHz. Demodulační cívka, přesněji řečeno rezonanční obvod, se u nás dají zakoupit u firmy EMGO nebo Conrad, v tom případě pak není nutné osadit C23 (je součástí rezonančního obvodu).

Demodulovaný signál je přes jednoduchou dolní propust R25, C22 a emitorový sledovač (T7) vyveden na konektor. Jelikož přijímač nemá nf zesilovač pro příposlech a nedá se tak určit přítomnost signálu "uchem", je vyveden indikátor vstupního signálu. Využívá S-metru a komparátoru v IC4. Úroveň sepnutí T5 (spíná LED D4 na předním panelu) se nastavuje trimrem P2.

Stabilizaci napájení 5V pro syntezátory a přijímač zajišťují tříbodové stabilizátory 78L05 IC3 a IC5, tranzistor T8 přepíná napájecí napětí pro vysílač a je ovládány signálem PTT z modemu. Pro příznivce blikání všeho druhu jsou zapojeny LED D7 a D8 označující příjem či vysílání. Pozn.: Obvody řady MC3362, MC13135 mohu vřele doporučit pro stavbu nejrůznějších jednokanálových, krystalem řízených přijímačů všeho možného. Obvody vyžadují pouze minimální množství externích součástek a pracují na první zapojení. Tyto obvody jsou běžně k dostání například u firmy GES apod. Podrobné katalogové listy lze najít na Internetu [5].

Provoz PR 9k6 a TRX Šerák

Výše popsaný TRX je schopen provozu 9600 Bd FSK podle standardu G3RUH. Původní modem Jamese Millera G3RUH byl několikrát upravován a zjednodušován. Vzniklo tak několik variant modemu, vesměs jednodušší než originál, ale všechny jsou plně kompatibilní. Mezi nejznámější patří modifikace od Henninga DF9IC(DF9IC nebo PICPAR) či Guntera DK7WJ (RMNC FlexNet).

Tento standard se používá pro provoz na linkách i USERech i v České republice. Pro přenos rychlostí 9600 Bd potřebuje při zdvihu 3kHz přibližně šířku pásma 20kHz, pro provoz rychlostí 19200 Bd potom kolem 30kHz, což TRX bez problémů splňuje.

Pro minimalizaci vzájemného rušení několika TRXů na nódu se používá provoz half-duplex, což znamená, že TRX vysílá na jednom kmitočtu a přijímá na druhém. Rozdíl mezi těmito frekvencemi se nazývá "shift" a nejčastěji bývá 7.6 MHz nebo 6 MHz. TRX ovšem nemůže zárověň přijímat i vysílat.

TRX umožnuje provoz s libovolným shiftem, stačí vhodně zvolit krystaly v oscilátorech. Pro "vysílací" krystal platí jednoduchý vztah fXTX=fTX/32, pro "přijímací" pak fXRX=(fRX -10.7MHz)/32. Další parametry krystalů jsou uvedeny v seznamu součástek.

TRX má vzhledem ke své jednoduchosti i několik slabších míst, o kterých je dobré vědět. Tím prvním je volba nízké 1. mezifrekvence, která by správně měla být volena tak vysoká, aby vstupní obvody spolehlivě potlačily parazitní zrcadlový příjem. V současné době se u nás bohužel nedá zakoupit keramický filtr na vyšší kmitočet než 10.7MHz. Renomované firmy nabízejí například keramické filtry na 21.4MHz, který by byl pro tento účel ideální. Použití krystalového filtru na tomto kmitočtu by přineslo zesložitění konstrukce o přizpůsobovací obvody mezi filtrem a IC4 (2 LC obvody navíc). Změřená charakteristika vstupních obvodů je na obr. 6.

Obr.6. Změřená charakteristika vstupních obvodů

Ovšem TRX je určen pro běžného uživatele PR, který nebydlí na 1000 m vysokém kopci, kde je velké rušení po celém pásmu 70cm. Ve velké většině případů je na pásmu 70cm u "uživatele v údolí" klid. Podle našeho monitorování je na radioamatérském pásmu 430 MHz velmi malý provoz. Proto nepokládáme menší odolnost TRXu za závažnou či problémovou.

Citlivost přijímače se pohybuje kolem 2 uV, což lze vzhledem k jednoduchosti zapojení považovat za dobré. Výpočtem můžeme zjistit úroveň signálu na anténě, na modelovém příkladu.

Uvažujme PR spojení mezi uživatelem a nódem s těmito parametry:

Ztráty šířením ve volném prostoru lze určit ze vztahu:

Pro vlnovou délku 0.7m vychází v našem případě útlum přibližně 100dB. Výsledná úroveň signálu -49dBm odpovídá 12 uW, což odpovídá, při impedanci antény 50 ohmů, napětí 25mV. Pokud odečteme 20dB rezervu, dostanem se na hodnotu 2.5mV. V této úvaze nejsou samozřejmě započítány další útlumy, které mohou na trase vzniknout (ty se dají postihnout právě výše uvedenou 20dB rezervou).

Pro 20km vychází hodnota 1.4mV, pro 30km 890 uV a pro 40km 700 uV na svorkách antény, včetně 20dB rezervy. To je hodnota stále vysoko nad citlivostí přijímače.

Pokud se někomu přece jen bude zdát citlivost malá, stejně tak jako výstupní výkon, může si postavit malý externí modul s anténním předzesilovač s filtrem a výkonovým zesilovačem.

K výpočtu profilu mezi dvěma místy v České a Slovenské republice existuje speciální sofware. Po zadání přesných souřadnic obou míst vykreslí přesný (po 100 m) obrázek trasy. Z něj je okamžitě vidět, zda jsou v cestě nějaké přírodní překážky a dá se odhadnout útlum signálu. Je to velký pomocník při plánovaní nových linek sítě PR, neboť se lze vyhnout podrobnému hledání v mapě či zkouškám s radiostanicemi. Dá se použít i pro předběžné posouzení trasy uživatel-nód, viz. obr. 7.

Obr.7. Příklad dobrého profilu trasy nód-uživatel.

Zdůrazňujeme, že nemá cenu se snažit o provoz PR 9k6 přes vzdálený nód, jehož signál je slabý či dokonce s úniky. Má smysl pracovat přes nód do 40-50km, nejlépe s přímou viditelností. Řádnou rozvahou svých podmínek si můžete ušetřit zklamání a spoustu času. Pokud nemáte v této vzdálenosti nód s 9600Bd 70cm vstupem, zkuste se zamyslet nad možností postavit vlastní nód. Ve vašich počátečních úvahách Vám určitě rád pomůže každý sysop okolního nódu.

Do míst s horšími podmínkami je možné použít některou z přestavěných použitých profesionálních radiostanic, které se občas objeví. Jejich parametry jsou různorodé, výhodná je jejich robustní konstrukce, obvodové řešení, výstupní výkon a hlavně cena. Naladěné radiostanice lze sehnat od 3500Kč. Aktuální nabídku rád sdělí Radek, OK2XDX@OK0PBB, na požádání. Je to tudíž vhodné řešení i pro zájemce, kteří nemají alespoň základní zkušenosti z vysokofrekvenční techniky, nebo kteří by rádi začali provozovat 9k6 PR metodou "plug and play".

Pro provoz v místech s velkým radiovým smogem nebo pro použití na 70cm vstupu nódu doporučuji použít jednokanálový TRX firmy TEKK. Jeho blokové schéma je podobné tomuto TRXu, ale na vstupech i výstupech jsou použity kvalitní pásmové propusti helix. TRX se dodává kompletní, není nutné jej nastavovat. Bližší informace podá Vláďa OK2WX.

Stavba a oživení.

Úplně na začátek bychom rádi zdůraznili, že se nejedná o zařízení typu LED blikače či autoalarmu, takže se neobejde bez určitého nastavování, které vyžaduje alespoň základní znalosti a zkušenosti z vf techniky. Základním předpokladem úspěchu je pečlivá práce při osazování. Pokud se na stavbu necítíte a nemáte v okolí známého, který by Vám při oživování pomohl, raději zkuste něco našetřit a koupit si TRX hotový (viz. výše).

Nejprve zkontrolujeme vizuálně i ohmetrem desku plošných spojů. Jako první osadíme všechny součástky zajišťující přepínání napájení TRXu a stabilizátory 78L05 (T6, IC3, IC5 včetně příslušných rezistorů a kondenzátorů). Voltmertem zkontrolujeme odpovídající napětí a vyzkoušíme přepínání napájení aktivací signálu PTT (je aktivní v "0").

Oživování začneme vysílačem. Dále osadíme obvod IC1, součástky kolem něj. Po zapnutí napájení a aktivaci PTT kontrolujeme čítačem za C14 kmitočet a funkci PLL. Laděním cívky L1 se snažíme docílit zachycení syntezátoru. Pokud je výsledný kmitočet příliš vysoký, použijeme k doladění feritové jádro N01P, v opačném případě jádro mosazné. Snahou je docílit správné funkce PLL s cívkou co nejméně ovlivněnou jádrem. Pokud je jádro hodně zašroubované, doporučuji korigovat počet závitů. Konstrukci cívky L1 (a také L6 v PLL přijímače) je potřeba věnovat pozornost. Musí být stíněna kovovým krytem zapájeným po celém obvodu na kostru TRXu (vrchní strana desky plošných spojů), které minimalizuje ovlivňování PLL signálem z vysílače.

Doporučují nastavit cívku L1 bez krytu, měřením výstupního signálu PLL, kmitočtově o něco výše než bude výsledný kmitočet. Přidáním krytu se její indukčnost o něco sníží (vzroste kmitočet). Nastavovat se dá roztahováním či stlačováním závitů v případné kombinaci s jádrem. Na závěr vinutí zajistíme zakápnutím voskem. Přiděláme kryt a jádro nastavíme doprostřed mezi obě krajní polohy zachycení a rozpadení smyčky PLL. Jádro zajistíme kouskem gumy či páskem PVC. Změnou trimru P1 je možné jemně korigovat výsledný kmitočet.

Dále osadíme součástky výkonového stupně (včetně tranzistorů T2 až T4), všechny součástky anténního přepínače (D3, D2, T8), na výstup připojíme umělou zátěž a vf sondu, případně absorpční wattmetr. Laděním trimrů C11 a C13 se snažíme dosáhnout maximálního výstupního výkonu. Zkontrolujeme kolektorové proudy tranzistorů T2 a T3 (měřením napětí na R14 a R17), které by se měly pohybovat kolem 50mA a neměly by překročit 70mA. Zároveň kontrolujeme odběr proudu vysílače, který by se měl pohybovat kolem 600mA a stabilitu kmitočtu. Tím je nastavení vysílače ukončeno.

Obr.8. Výstupní spektrum vysílače.

Nyní můžeme osadit všechny zbývající součástky, tedy přijímač, předzesilovač (SMD součástky jsou zapájeny ze strany spojů) a PLL přijímače. Na výstup z TRXu (emitor T5) připojíme osciloskop, nebo přes jednoduchý nf zesilovač (například s LM386) reproduktor. Máme-li k dispozici modulovaný generátor na 455kHz, připojíme jej přes oddělovací kondenzátor na pin 7 IC4 a demodulační obvod C23, L5 naladíme na nezkreslený signál. Bez generátoru stačí naladit L5 na maximální šum. Trimrem P2 vyzkoušíme činnost DCD.

Stejným způsobem, jako se nastavoval syntezátor vysílače, oživíme i syntezátor přijímače. Výstupní kmitočet kontrolujeme na pinech 13 nebo 14 IC2 (za oddělovacími kondenzátory C28 a C29), dá se jemně korigovat pomocí C38. Záleží na parametrech kupovaného krystalu, tedy na zatěžovací kapacitě Cl (viz seznam součástek).

Pro nastavení vstupních obvodů je nejlepší použít odpovídající generátor s nastavitelným ateunátorem. F3 potom ladíme na nejmenší šum v demodulovaném signálu. Lze také využít vestavěného S-metru MC3362, který je k dispozici na pinu 10. Je to proudový výstup, který poskytuje 4 - 12 uA. Stačí tedy zapojit mikroampérmetr místo R24, nebo si postavit jednoduchý převodník proud-napětí s operačním zesilovačem (obr.9) a ladit na maximum výchylky.

Obr.9. Posilovač S-metru.

Místo generátoru lze použít i protistanici, ať už to je profesionální TRX s útlumovým článkem, či přímo anténa namířená na nód. Stačí se domluvit se sysopem svého nódu a ten Vám může na dálku zaklíčovat vysílač nódu. Nastavení pak probíhá stejně jako bylo uvedeno výše.

Tím je celé nastavení TRXu ukončeno. Úroveň modulačního napětí je vhodné dostavit až ve spojení s konkrétním modemem.

Mechanická stránka TRXu.

Nyní můžeme vestavět celý TRX do odpovídající krabičky. Pro první prototyp byla použita výborná krabička firmy Bopla, kterou u nás dodává firma Eling Bohemia. Přesné typové označení je UNIMAS U110, objednací číslo 26110000. Dle inzerce v AR 3/97, str. 40 nabízela firma radioamatérům krabičku za speciální zvýhodněnou slevu "HOBBY": 169Kč bez DPH, což považujeme vzhledem k její kvalitě za pakatel. TRX lze samozřejmě vestavět i do jiné krabičky, která sice bude o pár korun levnější, ale i levnějšího vzhledu. Zastáváme názor, pokud má zařízení vypadat a máme se na něj celou dobu dívat na stole, musí se něco zainvestovat do krabičky. Navíc v tomto případě se jedná o investici téměř zanedbatelnou. Z našich zkušeností s krabičkami firmy Bopla můžeme zaručit, že za vynaložené peníze dostanete výrobek opravdu kvalitní a každý sebehorší "bastl" v ní bude alespoň vypadat profesionálně.

Novou verzi miniTRXu jsme navrhovali opět na míru krabičkám Bopla, tentokrát jsme použili ALUBOS. Jedná se o Al obdélníkový profil s černou povrchovou úpravou, do kterého se zasune deska plošných spojů a na profil se nasadí čelní a zadní krytka. Opět tím zařízení získá naprosto jiný, profesionální, vzhled. Rozhodně potěší, když se náhodný známý zastaví, podívá se na zařízení a prohlásí: "...to je hezký, kdepak jsi to koupil a kolik to zařízení probůh stálo?"

Na čelním panelu je vhodné umístit LED indikující vysílání (červená), příjem (zelená) a DCD (žlutá). Na zadním panelu je umístěn BNC konektor pro připojení antény a konektor Cannon 9 (samice), na který jsou vyvedeny všechny signály, včetně napájení. Je vhodné dodržet následující číslování pinů: 1 - vstup modulace (TXAF), 3 - PTT, 4 - +12V, 5 - výstup z demodulátoru (RXAF), 6 až 9 - GND.

Co, kde a za kolik

V TRXu je použito několik součástek, které nejsou běžně dostupné v obchodech s elektronickými součástkami. Zvláště integrované obvody v provedení SMD je možné zakoupit pouze v desítkách kusů, které tvoří balicí jednotku. Velmi špatně se shání i koncový tranzistor a mezifrekvenční filtr. Helix filtr F3 a všechny kostřičky na cívky se mi podařilo zajistit díky firmě ELSY, Areál VÚ Běchovice-B22, 19011 Praha 9, tel. 02-6440354. Kostřičky již byly na stránkách PE AR inzerovány (PE AR 11/1997) a helix filtr se dá zakoupit i v kusovém množství v ceně kolem 300Kč. Firma nabízí i další komponenty firmy NEOSID.

Filtr 455B je možno obdržet u firmy EMGO, Areál VÚHŽ, 73951 Dobrá. Demodulační cívku je možné si zhotovit sám nebo ji zakoupit u firmy Conrad či Emgo. PIN diody jsem zakoupil u SOS Electronic, nabízí je i GES nebo PS Electronic v cenách kolem 15Kč. Koncový tranzistor nabízí firma GES za cca 350Kč. Tranzistory BRF96S nebo TS jsou k sehnání všude v ceně kolem 20Kč, ATF41586 nabízí GM Electronic za 30Kč, stejně tak jako ostatní komponenty. PLL MC13176 nabízí v kusovém množství firma SPOERLE Electronic, Praha, 02-731355. Krystaly si lze nechat zhotovit u firmy KRYSTALY, Okružní 1144, Hradec Králové a stojí kolem 100 Kč.

Omezené množství koncových tranzistorů a přijímačových čipů je možno poptat na adrese OK2XDX.

Poděkování.

Rádi bychom na závěr poděkovali našim spolupracovníkům, kteří nám při konstrukci TRXu pomáhali. Konkrétně Ing. Milanovi Samkovi z Brna za pomoc při návrhu vysílače a zhotovení fotografií a mnoha konzultacích kostrukčních problémů, panu Zdeňkovi Krejčímu za superrychlé zhotovení kvalitních desek plošných spojů z papírových podkladů a Ing. Milanovi Gutterovi OK1FM za pomoc při zajišťování některých součástek.

Závěr.

Naším cílem byla konstrukce jednoduchého, experimentálního zařízení, které by bylo malé, levné a umožňovalo provoz PR 9600Bd. S využitím moderních a perspektivních součástek firmy Motorola vznikl TRX, který splňuje v úvodu uvedené požadavky, hlavně nízkou cenu a snadné nastavení. Může být využit jak na přístup uživatelů PR vyššími rychlostmi, tak i pro experimentální propojení dvou počítačů apod.

Nechceme jej srovnávat s různými profesionálními datovými pojítky, na které jsou kladeny mnohem větší nároky. Šlo nám o konstrukci zařízení, které by si mohl šikovný radioamatér postavit za několik večerů a které by mu dobře sloužilo nebo které by přineslo trochu inspirace ostatním konstruktérům. Jeho vývoj trval více než rok a nebylo jej zatím možné plně odzkoušet v praktickém provozu. Jakékoliv připomínky, další vylepšení a zkušenosti z provozu jsou proto vítány. Případné dotazy prosím pouze písemně spolu s SASE (ofrankovaná obálka se zpáteční adresou) na adresu OK2XDX (Radek Václavík, Pod Senovou 44b, 78701 Šumperk), případně PR OK2XDX@OK0PBB.

Doufám, že se rozšíří mezi radioamatéry se zájmem o PR a přispěje ke zlepšení stavu naší PR sítě. Přesně podle hesla "Co je český, to je hezký...".

Už jste letos finančně přispěli na provoz svého nebližšího nódu sítě PR? My jsme síť!

Použitá literatura.

[1]
IPPISCH, A.: Fur das 70-cm-Band Miniatur-Transceiver. Funkschau 13/1982, s. 80-85.
[2]
STEYER, M.: 430-MHz-Transverter fur den FT-757 GX. CQ-DL 4/1987, s. 218-224.
[3]
VIDMAR, M.: Sirokopasovna 70cm FM postaja. Materiály z přednášek, otisknuto v CQ ZRS.
[4]
RECH, W.-H.: 70-cm-FM-Baugruppen fur Duplex-Digis und Phone-Relais. ADACOM 5/1993, s.11-30.
[5]
MOTOROLA: katalogové údaje a aplikační zprávy integrovaného obvodu MC3362 a tranzistoru MRF555, http://design-net.com/cgi-bin/dlsrch, http://design-net.com/lit/index/Applications.html.

Obrázky

Obr.1. Způsoby zavádění modulace do smyčky PLL
Obr. 2. Využití modulace krystalového oscilátoru a řetězců násobičů.
Obr.3. Kombinace modulovaného krystalového oscilátoru a fázového závěsu.
Obr.4. Graf závislosti výstupního výkonu na vstupní výkonu a napájecím napětí tranzistoru MRF 555
Obr.5. Pouzdro Power Macro tranzistoru MRF 555
Obr.6. Změřená charakteristika vstupních obvodů
Obr.7. Příklad dobrého profilu trasy nód-uživatel.
Obr.8. Výstupní spektrum vysílače.
Obr.9. Posilovač S-metru.
Obr. 10. Schéma zapojení vysílače.
Obr. 11. Schéma zapojení přijímače.
Obr.12. Osazovací výkres, strana součástek.
Obr.13. Osazovací výkres, strana spojů, zrcadlově.
Obr.14. Výkres plošných spojů, strana spojů.
Obr.15. Výkres plošných spojů, strana součástek, zrcadlově.
Kondenzátory:

C1             4n7   
C2,24,40       100p  
C3,25          33p   
C4,16,41,
C48,49,50      47n SMD
C5             39p
C6             18p
C7,8,9,
C12,27,31,
C32,51,52,
C53            47n
C10            3p9
C11,13,38      6p - trimr 5mm
C14            68p
C15,19,20,
C21,33,42,
C43,44,45      100n    
C17            150p
C18,37         47p
C22,30,34      1n     
C23            rezonanční kap.
C26            15n    
C28,29         220p   
C35,36         1n SMD
C39            4p7
C46,47         10u/6V 

Filtry:

F1             455kHz/B, keramický
F2             10.7 MHz, keramický
F3             NEOSID 00510501     

Cívky:

L1             3 a 1/4 závitu vodičem CuL 0,35mm na kostru XXX NEOSID 
L2             1.5 závitu vodičem CuAg 0,8mm na průměr 5mm, samonosná
L3             0.5 závitu vodičem CuAg 1mm na průměr 10mm, samonosná
L4             0.5 závitu vodičem CuAg 1mm na průměr 10mm, samonosná
L5             455kHz demodulační cívka
L6             3 a 3/4z závitu vodičem CuL 0,35mm na kostru XXX NEOSID
L7             1.5 závitu vodičem CuAg 0,8mm na průměr 5mm, samonosná

Rezistory:

R1             2k2
R2,29          27k
R3,9,30        15k
R4             6k8             
R5             120k
R6             33k
R7,24,35,
R43            10k
R8             9k1
R10,11         56k
R12,21         50R
R13,42         8k2                
R14            120R
R15            3k9
R16            18k
R17            22R
R18,19,44      R podle použité LED
R20            18R
R22,23         330
R25            12k
R26            2k7
R27            22k
R28            5k6
R31,32         12R
R33            470
R34            330
R36            120 SMD             
R37            150 SMD
R38            100
R39            1k8
R40            220
R41            120R
P1,2           100k, trimr

Tlumivky:

TL1,2,3,
TL4,5,6,7 33u

Polovodiče:
ZD1            9V1
D1             BB409  
D2,3           BA479
D4,7,8         nízkopříkonové LED
D5,6           KA206
T1,5,6         KC640
T2,3           BFR96S nebo BRF96TS
T4             MRF555
T7,8           KC237
T9             AT41586                   
IC1,2          MC13176
IC3,5          78L05              
IC4            MC3362DW           


Krystaly:

X2             10.245 MHz
     
X1             vysílací kmitočet/32, paralelní rezonance, Cl=42pF,
               pouzdro HC49, přesnost +-25ppm pro 20°C, 
               stabilita +-25ppm pro 10-40°C
X3             přijímací kmitočet - 10,7MHz)/32, paralelní rezonance,
               Cl=42pF, pouzdro HC49, přesnost +-25ppm pro 20°C, 
               stabilita +-25ppm pro 10-40°C