Nabíječ akumulátorů - stabilizátor proudu

Schéma nabíječe Různých nabíječů už bylo zveřejněných habaděj. Od jednoduchých žárovkových "stabilizátorů", až po konstrukce typu "tohle bych nikdy nepostavil". Mám doma několik akumulátorů 12 V 15 Ah. Pro jejich nabíjení jsem zkoušel postavit už kde co. Jednoduchý tyristorový nabíječ s vypnutím při plném nabití - katastrofa. Potom jsem zkusil stabilitátor proudu s tranzistorem a zenerovou diodou. Taky mě to nenadchlo. Nakonec jsem baterii dlouho nabíjel přes odpor ze zdroje 25 V. Přes jeden rozpálený letní den o dovolené jsem poskládal stabilizátor proudu s operačním zesilovačem.

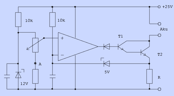
Princip činnosti je jednoduchý: Nabíjecím proudem vzniká na odporu R úbytek napětí. Ten je přiveden na invertující vstup operačního zesilovače. Operační zesilovač porovnává napětí na odporu R s řídícím napětím na neinvertujícím vstupu a výsledným signálem se řídí výkonový tranzistor. Operační zesilovač musí být běžně napájen symetrickým napětím. To se dá obejít tak, že napětí porovnávaná na vstupech OZ se posunou zhruba na polovinu napájecího napětí. K posunu napětí slouží zenerova dioda 5V. Já jsem poskládal odpor R z několika výkonových odporů o výsledné hodnotě 3.9 ohmů. Při nabíjecím proudu 100 mA vzniká na odporu úbytek napětí 0.39 V. Toto napětí se pomocí zenerovy diody zvedne na 5.39 V a přivede se na vstup OZ. Při proudu 1.8 A je úbytkové napětí asi 7 V a napětí na invertujícím vstupu OZ 12 V. Zhruba v tomto rozmezí by se mělo řídící pohybovat napětí na potenciometru. Odpor v serii s potenciometrem by měl být zvolen tak, aby napětí v bodě A odpovídalo zenerovu napětí diody 5V.

Tranzistor T1 je KF507, T2 je KD3055. Tranzistor T2 je nutné opatřit chladičem. Při nabíjecím proudu 1.8 A a akumulátoru 6 V je ztrátový výkon na odporu R 12.6 wattů a na tranzistoru T2 21.6 wattů.

Operační zesilovač v tomto zapojení nedokáže na výstupu snížit napětí až na nulu. Proto je v bázi tranzistoru T1 zapojená křemíková dioda, která výstupní napětí z OZ sníží asi o půl voltu, takže výsledné napětí při nastavení minimálního proudu dokáže tranzistory zcela uzavřít.

Operační zesilovač můžete použít v podstatě jakýkoliv. Já jsem použil šuplíkový MAA725. Při použití tohoto OZ musíte pamatovat na kmitočtovou kompenzaci, stejně tak při použití OZ MAA501 až MAA504, MAA748 apod. U každého uvedeného OZ vypadá kompenzace jinak, ve schematu proto není uvedena.

Ze šuplíkových zásob je postaven celý nabíječ. Odpor R má dosti vysokou hodnotu. Vhodnější by byla hodnota maximálně asi 1 ohm, ale nenašel jsem doma nic, co by během několika vteřin neshořelo. Při použití menší hodnoty se zvětší výkonová ztráta na tranzistoru T2 a je možné použít i hodně větší nabíjecí proudy, než asi jen 1.8 A. Kondenzátory jsou běžné blokovací v hodnotách řádově desítky nF. Při použití plochých keramických kondenzátorů dejte pozor na jejich provozní napětí. Vetšina kondenzátorů alespoň v mém šuplíku je určeno pro napětí 12 V. Stabilizátor proudu není teplotně kompenzovaný, při změnách teploty se může proud měnit.