Home
  Zařízení
  Technika
  Download
  DX Cluster
  Linky


Aurora:
Status

E-skip in EU:
Status




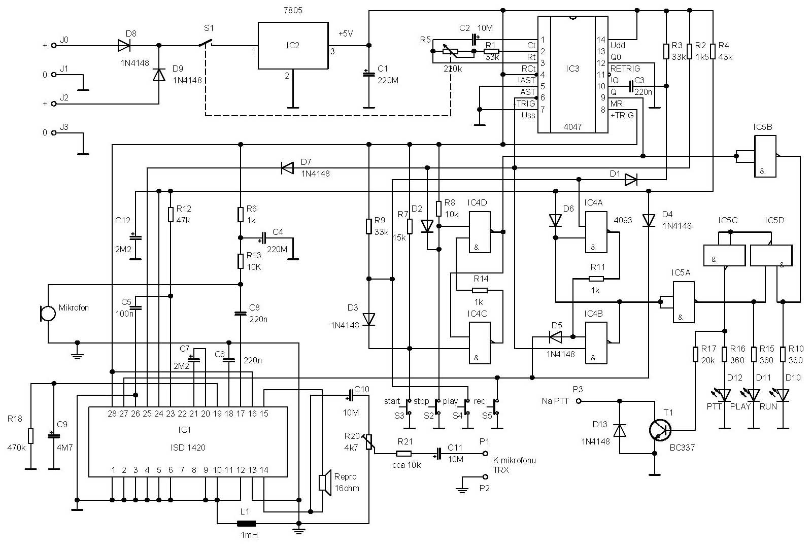
    Při závodech na UHF a SHF je někdy namáhající jet "na výzvu". Dlouhé minuty voláte do mikrofonu a nikdo se neozývá. Pro tyto případy je dobré mít k dispozici "papouška", nebo-li audiopaměť, či-li opakovač výzvy. I já jsem se rozhodl pro stavbu tohoto zařízení. Schema opakovače vyšlo ve slovenském Radiožurnálu 2/98. Při oživování jsem narazil na drobné problémy, které uvedené schema již řeší. Jedná se o oddělení digitální a analogové země z důvodu pronikání brumu do výstupního signálu a úprava spouštěcího impulsu pro IC1. Srdcem opakovače je obvod ISD 1420. který umožňuje do své paměti nahrát až 20 sekund audiosignálu se vzorkováním 6.4 kHz, což je pro provoz SSB zcela postačující. Popis činnosti zde neuvádím, případní zájemci jej naleznou ve výše zmiňovaném Radiožurnálu.
    Jako mikrofon pro nahrávání textu jsem využil mikrofon k TCVRu. Z toho důvodu je potřeba jej přepínat mezi vstupem opakovače a vstupem TCVRu a možností jeho vypnutí. To proto, že by jinak bral signál z příposlechového repra a navíc by ve vysílací místnosti jinak muselo být ticho, abychom do výzvy nevysílali něco jiného. Jak jednou pravil jeden můj známý, který si při výzvě lehce ulevil se slovy "tak a teď jsem si pr...ul až do Hamburku". Pohled na hotový opakovač a ve spojení s TCVR.