Alinco

DJ-120 (service manual)

DJ-160

DJ-180

DJ-182

DJ-190 náhled

DJ-191 náhled

DJ-195 náhled

DJ-196

DJ-482C1

DJ-491 náhled

DJ-496

DJ-580 náhled

DJ-580 (service manual)

DJ-582 náhled

DJ-1400 náhled

DJ-F1 náhled

DJ-G1

DJ-G5

DJ-S11 náhled

DJ-S41 náhled

DR-112 (service manual)

DR-130

DR-135 náhled

DR-140 náhled

DR-150 náhled

DR-430 náhled

DR-435

DR-570 (service manual)

DR-590 (service manual)

DR-599

DR-605

DR-605 (service manual)

DR-610

DR-M03/M06 (service manual)

DX-701

RS-4/5

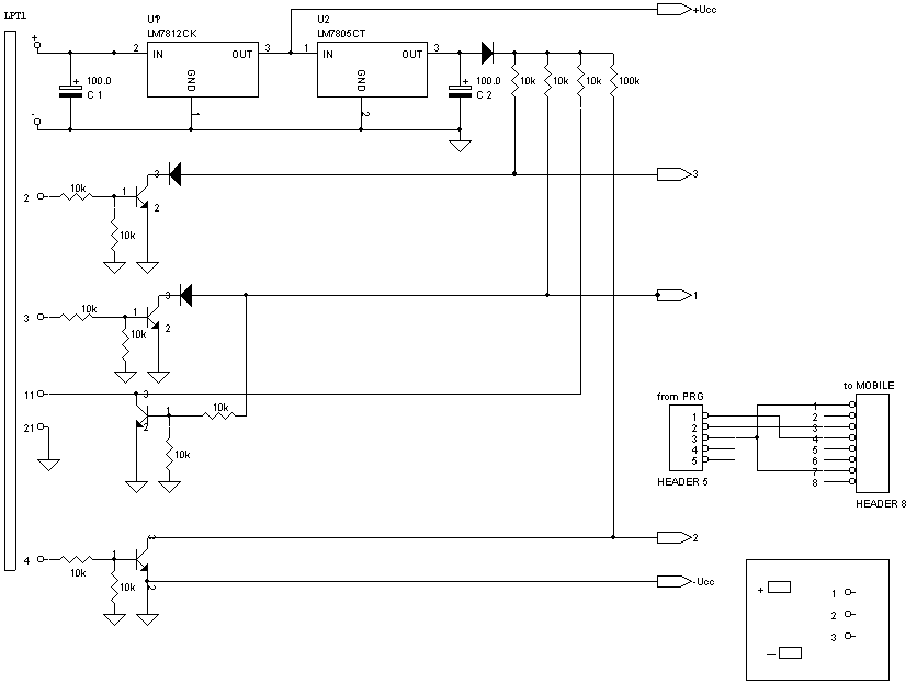
Schéma programátoru ERW2

Schéma programátoru ERW4

 

SOFTWARE

DJ serie

Další DJ serie

DJ-1000

DJ-182

DJ-185

DJ serie DJ-19x a DJ-49x

DJ-382

DJ-G5 by Milan OK1FMF

DJ serie DJ-41 a DJ-46

DJ-482

DJ-680

DR-130 a M serie

DR-140

DR-605

DR-B1

DX-701

RS-45

 

NASTAVENÍ A DOLAĎENÍ

DJ-100TE

DJ-120TE

DJ-160TE/460TE

DJ-160TDED

DJ-180TE/1400

DJ-190

DJ-191

DJ-500TE

DJ-560TE

DJ-580T

DJ-582TETATC

DJ-C1/C4

DJ-F1TE/S1TE

DJ-F4TE/S4TE

DJ-G1TE

DJ-G5TE

DR-110TE

DR-119TE

DR-1200T

DR-130TE

DR-140TETE1TE2

DR-150TE

DR-430TETE1TE2

DR-510TE

DR-570TE

DR-590TE

DR-599TE

DR-600T

DR-605TETE1TE2

DR-610T

DR-M06T

DX-70THEH

DX-77T

 

zpět na hlavní stránku