Z11 TEST
Uvod:
Kdysi jsem tvrdil, ze QRP zarizeni v prirode zadny ATU nepotrebuje. Problem ladeni anteny jsem jednou provzdy vyresil nastrizenim anteny do rezonance pri jejim umisteni v predpokladane vysce (2m nad zemi HI). Takto jsem dlouhou dobu provozoval sveho DATLA. Protoze jsem zadne SWR nemeril, domnival jsem se, ze existuji lokality odkud to chodi lepe a odkud hure. Datel se mi nikdy nezavrel (ma na PA neznicitelny tranzistor KU611). Bohuzel pri pouzivani FT817 jsem najednou zjistil, ze k SWR ochrane dochazi a nejsem schopen vyzarit plnych 5W vykonu. Po pokusech s MFJ 971 (portable 100W automaticky tuner ATU) jsem vsak nebyl spokojen s jeho velikosti. Az pouzivani Z11 mi tento problem vyresilo.
Automaticky antena tuner Z11 je zalozen na principu tuneru A11. Oproti nemu je vsak konstruovan tak, aby mel minimalni rozmery a minimalni vlastni spotrebu. Jeho minimalni rozmery a vaha ho predurcuji pro pouziti ve spojeni s QRP zarizenimi. Obsahuje kolem 150 soucastek a jeho sestaveni se da provest v case od 2 do 4 hodin.
Hlavni rys Z11 je ale v tom, ze obsahuje "LATCH" rele a tak jakmile jednou dojde jiz k naladeni, neni treba vice napajeciho napeti. Tim se redukuje jeho trvala spotreba na minimum. Toto je dulezite obzvlaste u zarizeni napajenych s baterii.
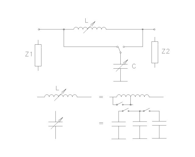
Princip cinnosti je mozno osvetlit na nasledujicim obrazku:

Jedna se vlastne o bezne doladovani pomoci L clanku. Prizpusobovani pro nizke, ci vysoke impedance je provadeno pomoci rele. Tim vznika bud L clanek s indukcnosti na vstupu, nebo s kapacitou na vstupu. Aby bylo dosazeno promenne kapacity, je k tomu vyuzivano osmi rele, ktere pripinaji paralelne kapacity. Tim je dosazeno zmeny kapacity v rozmezi do 2700 pF v 256 krocich (8 bits). Promenna indukcnost se vytvari obdobne a to za pomoci serioveho razeni indukcnosti a meni se v rozsahu 256 kroku az do hodnoty 20 uH.
Pomoci snimani SWR je automaticky nastavena takova kombinace L a C , aby bylo dosazeno co nejlepsiho prizpusobeni. Pri vlastni cinnosti ATU je spotreba od 10 do 190 mA (prumerne 75 mA) a to v zavislosti na poctu spinanych relatek. Napajeci napeti muze byt v rozsahu 11 az 14 voltu. Prumerna doba naladeni je asi 1.5 vteriny. Jakmile dojde k naladeni a my mame zvolen rezim AUTO, pak dojde k sleep modu, kdy vlastni procesor odebira proud mensi jak 1 mA. Pokud by z neznamych duvodu doslo k rozladeni, aktivuje se automaticky novy ladici cyklus.Rozsah ladeni je od 6 do 800 ohms. Trvaly prenaseny vykon muze byt az 30W a kratkodobe az 60W (modulacni spicky). ATU prekryva rozsah 1.8 az 30 MHz.
ATU se da prepnout i do manualniho rezimu, kdy pomoci tristavovych prepinacu a pomoci systemu UP DOWN menime kapacitu a indukcnost. Opticke vyhodnoceni je velice jednoduche a pomoci tri LED diod je rozliseno celkem 5 stavu:
SWR<1.5 sviti zelena LED
SWR mezi 1.5-2 sviti soucasne zelena a zluta LED
SWR rovno 2 sviti zluta LED
SWR mezi 2-3 sviti zluta a cervena LED
SWR>3 sviti cervena LED
Ke spravne cinnosti ATU postacuje vstupni vykon 100 mW.
Pokud si zakoupite stavebnici, je vse pripraveno a skutecne doba sestaveni neni delsi jak 4 hodiny i pro mene zrucne amatery. Vice snad na: http://www.ldgelectronics.com/index.html
Podle prvniho obrazku je zrejme, ze pudorysne rozmery jsou temer shodne s rozmery FT817. Pri polozeni na sebe tim vznikne kompaktni celek. Moc jsem neveril, ze by neco mohlo fungovat tak, jako muj portablovy MFJ 971. Praxe vsak overila, ze funkce je vynikajici. Pri testovani jsem i v restauraci vyladil asi 7 m dratu v pasmu 40m a udelal jsem na to spojeni HI. Pri porovnavani s MFJ 971 je jasne, ze doladovani neni spojite. Vznikaji tim nekdy situace, kdy MFJ antenu doladi na 1:1, ale Z11 pouze na napriklad 1:1.7. Rozdil je vsak minimalni a v praxi temer nepostrehnutelny. Pokud se doladuji anteny s vysokou impedanci, pak tento rozdil je zretelnejsi (poznatek OK1IR).
Z11 je hlavne vyhodna pro doladovani LW anten. Sam ji s uspechem pouzivam k doladovani i dipolu 2x20m (bez napajece), ktery pak vyladim na vsech pasmech od 80m do 10m. Pokud by cena nebyla tak vysoka (145 USD), bylo by to idealni zarizeni.