Direct conversion 80m receiver.

The aim of this project was to build a simple and cheap receiver for the new hams. Three receivers similar to the shown have been built by the students of our school. Some junkbox components helped to keep the cost under 300 Kc (10$), but winding of 6 special coils in each RX was quite a boring work for the students. That's why I work on a new version now. AF LC filter will be replaced with an operational amplifier circuit and I will try to use the factory made inductors in the front end.

The final circuit will be described on this page later.
Receiver in my garden


VFO

The VFO is a varicap tuned Clapp oscilator, powered with 9V from a simple 78L09 stabilizer. The "Russian mixer" used in this RX needs the VFO running on the half of the received frequency - 1.75 to 1.9 MHz here. KA202 is an old 33 pF varicap, but some high C type should be preferred. KSY62 are equivalents of BSY62 - any fast HF or switching NPN transistors can be used. The capacitors marked with asterisk should be some good RF types - polystyrene or s.m. The coil is wound in a powdered iron pot core, the inductivity being about 68 microhenry.

Front end filter

Using the old shielded TV cores was the cheapest way to build a front end filter. In one RX it was replaced with toroid cores and C trimmers with even better results.

Mixer

Over the years, I have tried many mixers for direct conv. receivers, but this one is simply the best. Good sensitivity, no birdies, no broadcast stations going through. It was originally designed by RA3AAE, so it's sometimes called "Russian mixer". The input transformer is wound on a small toroidal core - FT23-43 or so. The bifilar secondary winding is 2x10 turns, the input winding (6 turns) is on the opposite side of the core. Nothing is to be adjusted except of the VFO level.

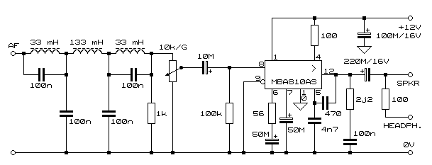
AF amplifier

The AF amplifier uses a common monolithic IC. MBA810AS is a direct equivalent of TBA810AS. The eliptical filter uses polystyrene capacitors and pot core inductors. If you want to use this part separately, do not forget terminate the input with a 1k resistor. (In this RX it is a part of the BC237 source follower).

Happy listening!