An experimental polarimeter by Dr. Jiri Polivka:

Return to homepage


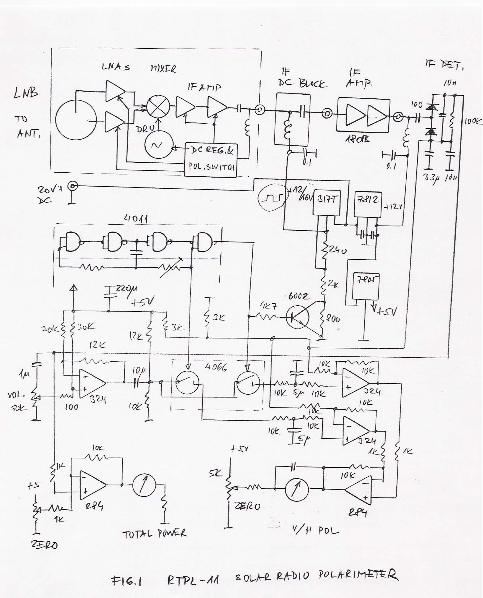
- Dr. Jiri Polivka was enthused with my polarimeter experiments and built his own improved (408k) switching dual-channel detector to go with a 30 cm TVRO dish (19.11.2007)

- here is a photograph (191k) of the setup he first used for successful addition and subtraction (12k) Stokes parameter transit detection of the solar flux  (19.11.2007)

- the antenna was manually scanned at low elevation (the hotter noise level at the right is from a nearby wall, the 30 cm dish beamwidth is approx. 7 degrees)

- the latest comment: "I need a bigger antenna" - now where have I heard that one before... ?

- another solar transit scan with the subtraction channel; the drift at the beginning of the scan is most likely due to the equipment still warming up.

- more to come !


Return to main page
Updated 16.01.2019