Preparing for Hydrogen Line detection:

Return to homepage


- gradually beginning work with my 5.4 m dish using this homebrew LNA, a modified YU1AW design (first attempts Autumn 2010)

- note NF minimum (0.47 dB) offset from max. gain (13.5 dB), typical of non-50 ohm input LNA's (so the LNA needs to be tuned for minimun noise in situ)

- front-end configuration of the first attempt with LNA, isolator, BPF and high gain low noise buffer

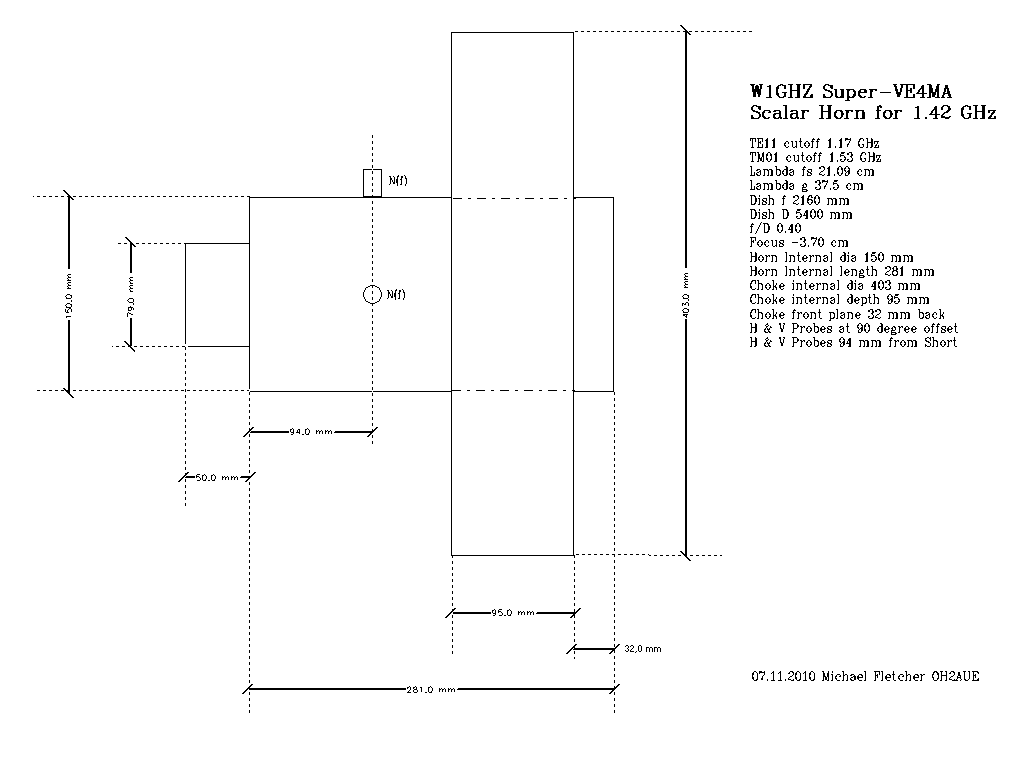
- worked out the numbers for a Super-VE4MA Scalar Horn for the Hydrogen Line

- OM Thomas, OH6NVQ put his Aluminium welding talent to work and produced a fine horn according to my drawing

- no positive results yet, due to lack of time and manpower to manually handle the dish

- I REALLY need to get the pedestal project kick-started...

- all else is ready, including tracking, software tools, back-end processing etc.


Return to main page
Updated 16.01.2019