I built a full 5.7 GHz EME rig ( 118 k
) for 6 cm EME for the very first EME contacts from Finland on the 6 cm
amateur band ( top photo ( 62 kb ), bottom
photo ( 56 kb ) and front view ( 44 kb )
). If you want to work out your own numbers, here
you may find a Word Document describing part of the dimensioning.

This is a photograph of the 6 cm feedhorn. The design is basically a VE4MA/W2IMU design rescaled for 6 cm. The feed section is the same as used for the 3 cm ( 10 GHz ) antennas on the P3D satellite transmitter supplied by the AMSAT-OH team ( more on this elsewhere in my homepages ). As you can see, this design can be used for both linear and circular polarisations as the EME fraternity is somewhat divided in this matter ( the screw sets at +-45 degrees from the linear plane ). Isolation, cross polarisation and matching are excellent if the feedhorn is aligned properly.

This is a photo of the scalar section. The scalar collar distance from the aperture is adjustable to facilitate different dish f/D's.
Here you can also find the dimensions of the feedhorn feedhorn ( 213 k ) if you would like to build one for yourself.
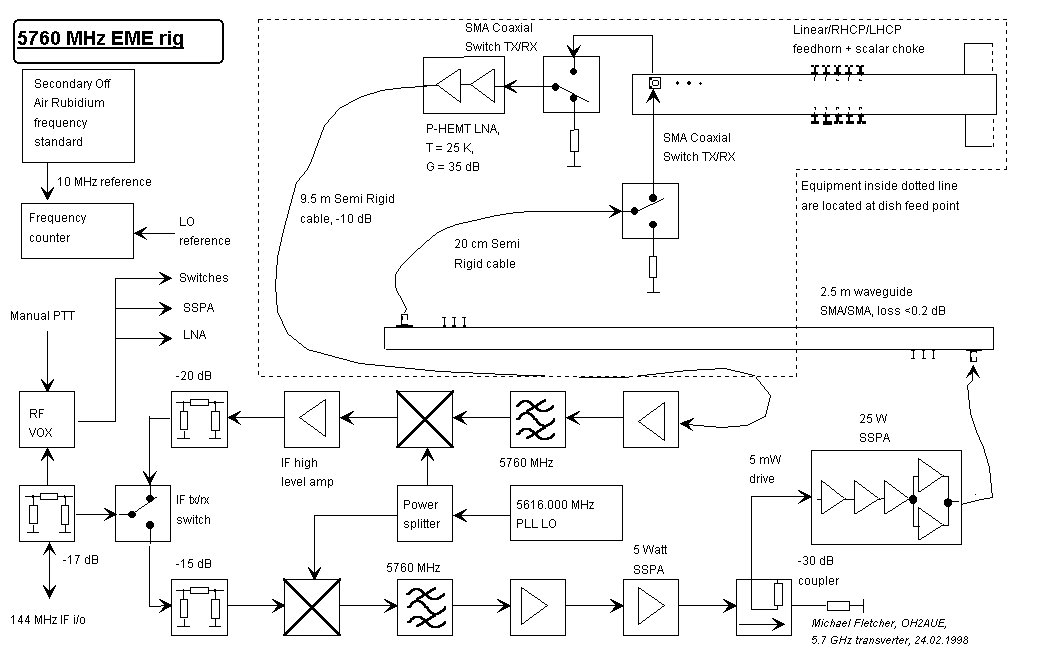
Here are also the dimensions of the actual 5.7 GHz waveguide section ( 87 k ) built for our 5.7 GHz EME system ( the rig and HPA were located directly behind the dish and the LNA was at the feed right next to the RX port of the feedhorn.
The 5.7 GHz LNA ( 11 k ) I designed for the EME setup uses the NE32584C and MGA-86576 devices and achieves 34 dB of gain. The noise temperature is still unknown due to lack of equipment, but lunar noise was easily detectable with the 6.4 m dish used at OH2AXH. Here is a photograph of the populated LNA PCB ( 64 kb ). My good friend, OH2JMS, produced the PCB for this project. The NEC32584C at the input ( 75 kb ) is performing apparently well, but as said, the absolute noise temperature is still unknown at this stage. The MGA-86576 at the output ( 73 kb ) is a high gain broadband MMIC device, but as you can see in the photo, this has been fine tuned for 5.7 GHz with good results ( the total gain being 34 db for the amplifier ). See also the schematic of the LNA business end.
The HPA is a separate modified 25 W C-band SSPA. The power level at the feedhorn TX port after all necessary waveguide, coaxial lines and couplers was 18 W of RF.