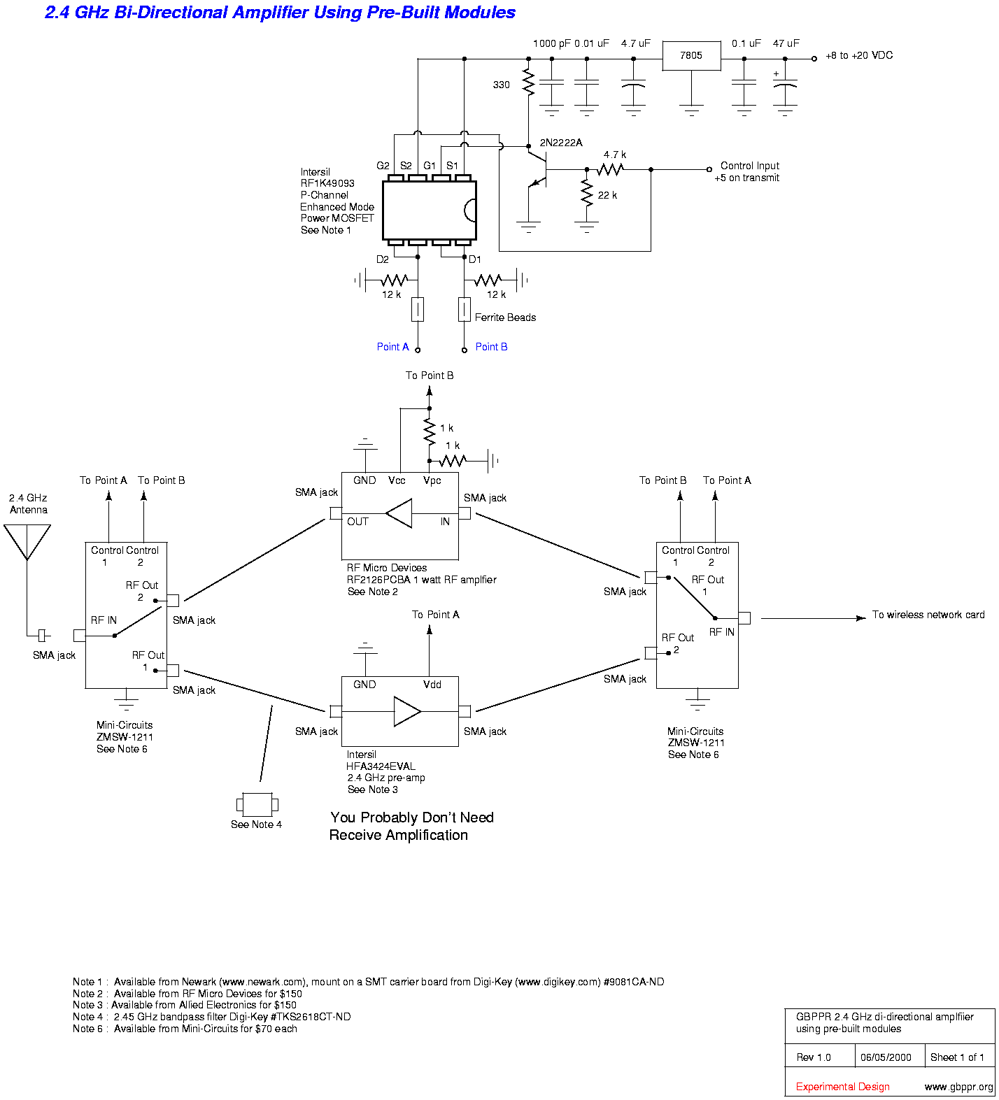
Bi-Directional 2.4 GHz Amplifier Using Pre-Built Modules


[2.4amp-module]
PostScript version.

Quantity      Description

Capacitors

yeah it needs some

Inductors

yeah it needs some

Resistors

yeah it needs some

Other

yeah it needs some

Notes

Suppliers