N6EV's
Glowbugs Page
Last Updated 6/1/2007
Glowbug References from ARRL Handbooks
-
Regenerative Receivers section from 1957 ARRL Handbook (with diagrams!)
-
Crystal Oscillators section from 1968 ARRL Handbook (with diagrams!)
Glowbug Schematics and Projects
-
Receiver/Transmitter Schematics and Parts Lists from 1957 ARRL Handbook
-
Transmitter Schematics and Parts Lists from 1961 ARRL Handbook
-
35 Watt 6L6 Transmitter by Jeff Duntemann, KG7JF (ZIPed M/S Word Document)
-
The Mighty Midget 10 Watt Transmitter from February 1966, QST by Lewis McCoy, W1ICP Page 1
Page 2
Page 3
Page 4
-
6AQ5A QRP 80/40Mtr Transmitter by Scott Brigham, AA0HU
-
80Mtr "Pebble Pulverizer" QRP Transciever by Doug DeMaw, W1CER and Gus Wilson, W1NPG from July, 1973 QST, Page 1 of 7
- Page 2 of 7
- Page 3 of 7
- Page 4 of 7
- Page 5 of 7
- Page 6 of 7
- Page 7 of 7
-
6BM8 Transmitter from Dirk PA3GNR ([email protected])
-
6BM8 Xmtr by Lee Richey, WA3FIY ([email protected])
- Under chassis wiring view
-
AI2Q's 6L6 XMTR Schematic as built by Dave, WB7AWK ([email protected])
- Chassis View
- Another Chassis View
- Front View
-
"The 6L6 Scrounger" by Steve Smith, WB6TNL
-
The Vackar VFO by John Fletcher, ([email protected]) in England
-
G4VAM Valve Job
-
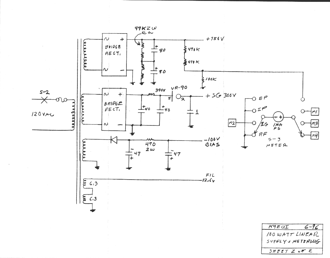
Bob Roehrig ([email protected]) K9EUI
- Linear Amplifier that uses FOUR 807s
- Power Supply for the FOUR 807 Linear Amp
-
"Li'l 7 AM Broadcast Transmitter by Walter Heskes and Philip Nelson
Philip Nelson's Li'l 7 Transmitter Web Site
-
Mississippi Historical Radio and Broadcasting Society, featuring the "515" Transmitter
Glowbug Files and Archives
Associated Glowbug Web Sites
-
Return to N6EV's Home Page
-
Send comments to: N6EV