Special Audio Message


Great Electronics Info Source

Ohm's Law Formulas

Resistor Color Code Resistor Color Code Resistor Color Code

Capacitor Symbols Capacitor Info Capacitor Types

Diode Flow Diode Schematic Symbols Diode Schematic Symbols Diode Types Bridge Rectifier

IC Schematics IC Types IC Symbols

Transformer Schematic Step Down Transformer Transformer Types

Transistor Pinouts Transistors Transistors Transistors Transistor Types

Inductor Symbols Inductor Types

Tube Types Tube

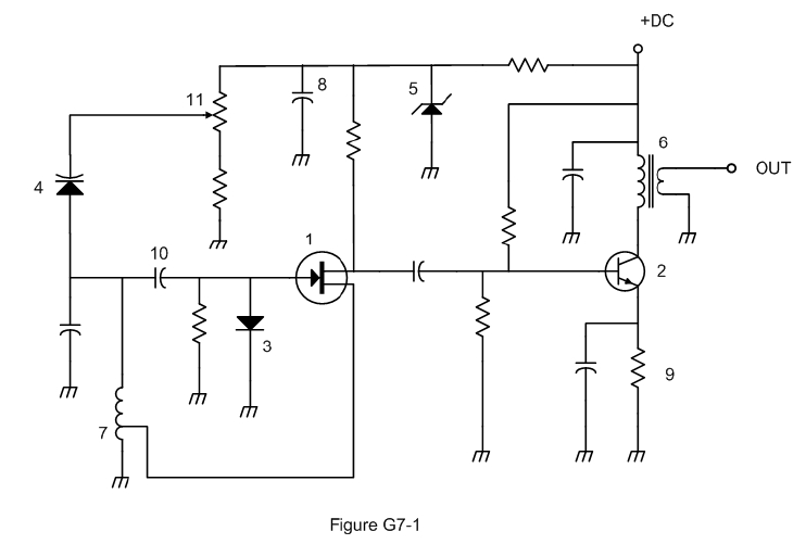
Schematic from General Class Amateur Radio Exam

HOME PAGE COMPUTER PAGE