|
|||||||||||||||||||||||||||||||||||||
All nice 'n shiney. Scotchbrite and a little silver polish did the trick.
|
It works better now that it's clean. The electrons now move smoothly through the coils without getting hung up in the crust (just kidding).
|
||||||||||||||||||||||||||||||||||||
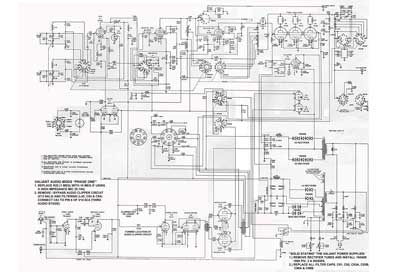
Shorted plate bypass cap...One day while tuning the Valiant I heard a "pzzzzzf" and the plate current meter pegged full scale. It turns out one of the plate bypass caps shorted to ground which fried the small RF choke that's connected to it. This was easy to diagnose and repair. The damged parts are shown in the photo below.
Modulator static (idle) current issues...From day one I had issues with the modulator static current being too high. It should be 50 - 70 mA but was up around 225 mA and could not be brought lower. I removed the meter shunt (small piece of nichrome wire), measured the actual current with two different meters and found the actual current to be 150 mA. The nichrome meter shunts in these transmitters are known to be somewhat inaccurate. I found the resistance of the shunt to be slightly higher than spec so I trimmed it until the front panel meter agreed with what I had measured. The static current was still too high but at least it came down some. Getting the hum off the audio by rebuilding the power supplies reduced the static current even further and I was able to adjust it to 60 mA with ease. I noticed that the current would drift around some and needed to be adjusted periodically. This situation slowly got worse and the current would rise and fall quickly at times like there was an intermittant connection or a dirty pot. It got to the point where it would not stay where I set it for more than a few seconds. and the adjustment pot became very "touchy". The pot used to adjust the static mod current, R62, should be a 5 K ohm pot. I found it to measure over 400 K! Disassebling the pot revealed the source of the problem, the carbon "traced" was cracked. The only pot I had on hand was a 10 K wire wound pot which was a little larger than the original but I managed to squeeze it in there where the original pot was. With the new pot the static mod current stays right where it was set and does not budge. Operating the rig...I fire this beast up everyday and run it on 10 meters during the day and on 75 meters at night. Overall I am pleased with the performance. Yes I've had to do a few repairs and mods to it but this is to be expected with a rig that is 50+ years old. I've been told that it sounds great and I'm getting 110 - 120 watts out on 10 meters and 140 - 150 watts on 75 meters. It runs good, looks good and I enjoy working on it. What more can you ask for?
|
|||||||||||||||||||||||||||||||||||||





















