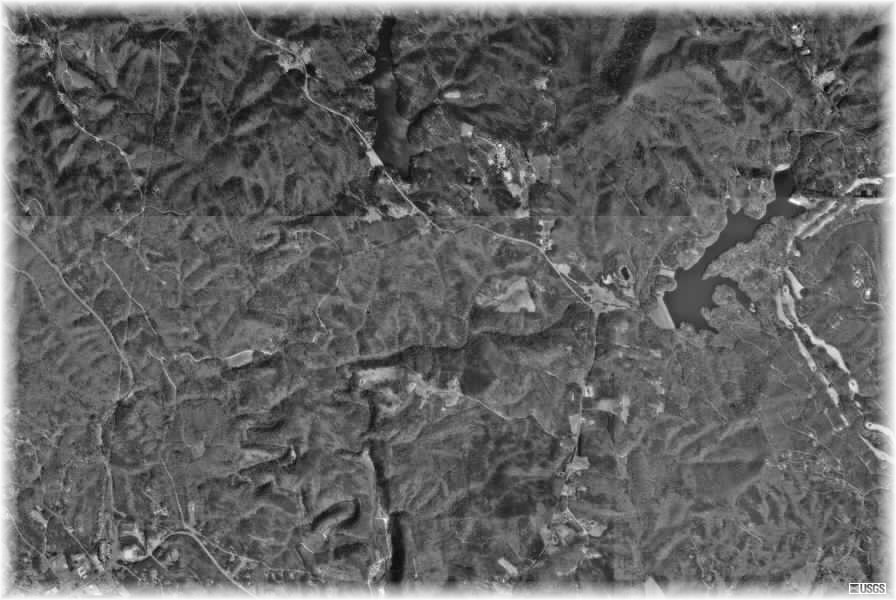
Here is a view from the USGS satellite of Jasper,Ga. and Oglethorpe Mtn and "Bent Tree".  You are looking at Lake Tamarac from the Satellite.

BentTree.jpg (62413 bytes)

 

Back to main page..