10 GHz Ham Operation with the MA-87127 Gunnplexer


by Klaus H. Hirschelman, DJ7OO

A short while ago the USA company, Microwave Associates, Inc., introduced a component which drastically simplifies the building of a 10 GHz transceiver for the ham operator, without needing knowledge of microwave construction techniques or an extensive test equipment setup.  Ham operators can now use a MA-87127 Gunnplexer to operate in the 3 cm (10 GHz to 10.5 GHz) band.  No special mechanical work is required.  The Gunnplexer is a complete transceiver consisting of a varactor-tuned Gunn source, a circulator (which decouples the transmit and receive signal) and a mixer diode for the received signal.  The circuit diagram is shown in Figure 1.

[gun-1]

The Gunn oscillator requires a 10 VDC source which is capable of supplying 200 mA current.  The output RF power is approximately 20 mW (+13 dBm) with a standard UG-39/U (WR-90) flange as the output.  A 17 dB gain horn antenna can be supplied with the unit.  The frequency of the Gunn oscillator can be tuned with the help of the varactor diode over a minimum of 60 MHz (100 MHz typical).  The required varactor voltage is +1 VDC to +20 VDC which should be regulated by a quality multiturn potentiometer.  Frequency modulation (FM) can be very easily achieved by a low voltage audio signal (mV range) superimposed on the varactor's DC voltage.  The amplification factor of a microphone amplifier is sufficient to do this, but a more elegant solution is achieved with a feedback amplifier.

To complete the transceiver, an IF amplifier is required.  Because the antenna and Gunnplexer are normally physically separated from the operating panel (e.g. roof mounting), a low noise figure IF pre-amplifier should be attached directly to the mixer diode of the receiver.  A good mixer impedance match (Z = 200 ohms @ 30 MHz) is required to achieve an overall noise factor of 12 dB or better.  With optional design, a noise figure small than 10 dB is achievable.  The coaxial connection between preamplifier and the post-amplifier in the operating panel is not critical.  A proven design will be described later.  One has to realize that the receiver has no pre-selection and the two equal receiver sidebands both contribute to the overall noise figure.

[gun-1a]

The selection of a single IF frequency is essential for the operation of a 10 GHz system.  An IF of 100 MHz has been recommended by several, but this is only useful in a communication between two fixed operators.  The result is a duplex system without transmit-receiver switching whereby the Gunn oscillator operates simultaneously as a receiver oscillator and as a frequency modulated transmitter.  Each partner operates at a different frequency, which results in the IF frequency (see Figure 3).

[gun-2]

Generally, ham operators want to contact as many partners as possible.  This requires that each station can transmit and receive on either frequency; e.g., switchable.  Because the varactor diode only allows a frequency tuning of 60 MHz maximum, the use of a 100 MHz IF would require a mechanical oscillator tuning.  The Gunnplexer range for mechanical tuning is +/- 100 MHz minimum, but this would be complicated.  By choosing a 30 MHz IF, one can switch frequencies by a simple voltage change on the varactor diode.  In the area Rhein-Main various Gunnplexers operate with a 4 VDC varactor voltage at 10.35 GHz transmit frequency while with 10 VDC, a frequency of 10.38 GHz results.  If one knows that the partner operates at the high (10.38 GHz) or low (10.35 GHz) frequency, the receiver has to be tuned only over a small frequency range.

The instability of the self-oscillating sources requires wideband frequency modulation, a transmit bandwidth of 75 kHz and an IF bandwidth of 200 kHz gives satisfactory results.

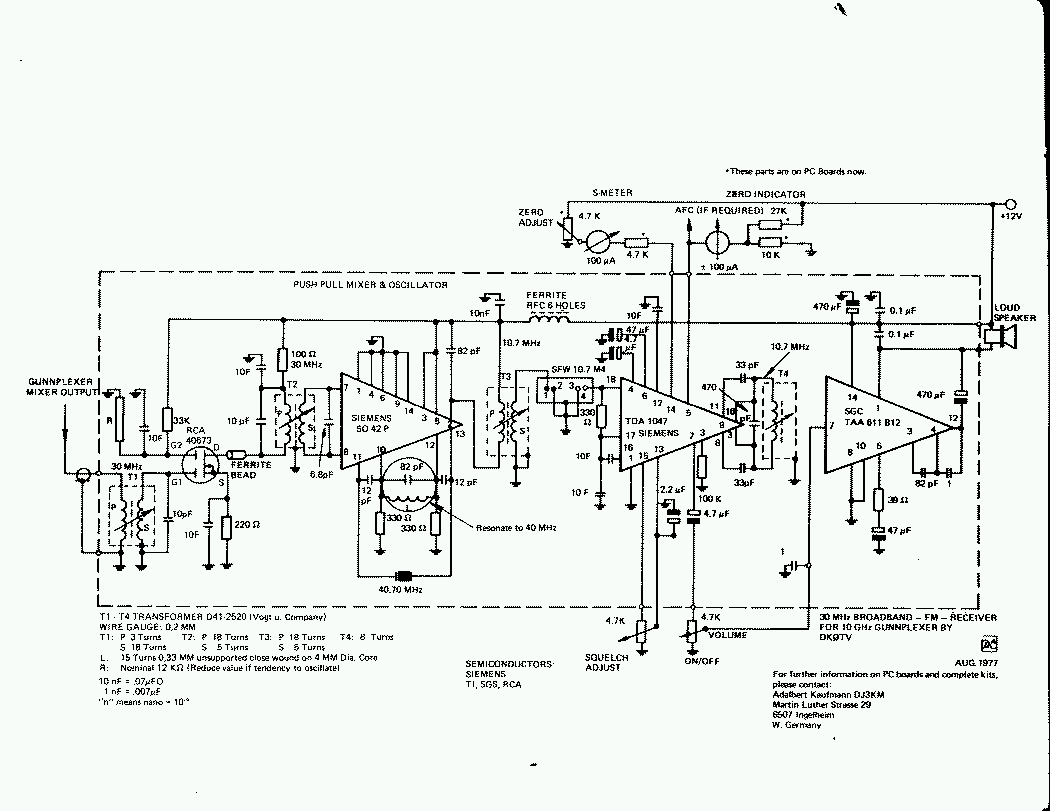
The IF Post-Amplifier

The following circuit was developed by the Zweite Deutsches Fernsehen ham group.  The 20 amplifiers built according to the circuit diagram in Figure 4 operate well.

Figure 4

The first 30 MHz amplifier stage uses a dual-gate MOSFET transistor (RCA 40673).  The self-oscillating mixer IC, Siemens SO42P translates the input 30 MHz signal into a 10.7 MHz IF.  The parallel circuit (Lo, & 82 pF) resonates at 40.68 MHz, the quartz crystal frequency.  Without Lo, the oscillator has a tendency to operate at 13.56 MHz which can result in unwanted modulation products (13.56 MHz + 10.7 MHz = 24.26 MHz).  The 40.68 MHz quartz crystal is readily available and the 20 kHz difference to the correct 40.7 MHz frequency can be neglected.  The ceramic filter SFW10.7MA, from Murata, determines the IF response of the receiver.  The 3 dB bandwidth is 220 kHz (+/- 40 kHz).  The new Siemens TDA1047 IC developed for FM radios is used as an amplifier and demodulator.  Its symmetry guarantees a trouble-free operation and it has excellent limiter capabilites and also an integrated squelch.  Pin 14 allows to connect a field strength indicator which helps to adjust the antenna for optimum signal.  The inherent noise of the TDA1047 results in a current at the indicator which can be compensated by the potentiometer adjustment.  Pin 5 generates a frequency dependent DC voltage.  It can be connected to an indictor or an AFC circuit (Figure 5) and allows to correct the Gunnplexer's frequency.  The Fairchild SGS TAA611B12 (or TI SN76001) is a low frequency audio amplifier.

[gun-4]

AFC Circuit

The RF frequency stability of the Gunnplexer is important for successful operation.  The manufacturer specifies a drift of -350 kHz maximum/°C.  The oscillator will drift for a few MHz during the warm-up period.  The IF bandwidth of 220 kHz requires a continuous tuning of the oscillator not only during warm-up but also later on.  A simple solution is to compensate the drift of a free-running oscillator (QSO partner = master) by changing the frequency of the opposite station (slave) accordingly.  The AFC circuit uses the frequency dependent voltage of the IF post-amplifier.  In QSO operation, only one partner has his AFC circuit switched on.  A 3-position switch is used because the frequency change might be up or dwn.  The coupling between the AFC circuit and the Gunnplexer determines its holding range.

Operating Experience

The successful operation of various stations in the area Rhein-Main, operating according to the above outline, shows its feasibility.  The use of a 17 dB horn antenna on both stations allows operation over 60 km or more.  The 3 dB bandwidth of the horn antenna is approximately 30° and its positioning is not very critical.

It helps to have a parallel connection in the 2m or 70 cm band but many QSOs have been achieved without it.  The operation with transceiver, map and compass is a new challange and hobby for many hams friends.

Trial runs with high gain antennas, narrower IF bandwidths and PLL circuits for oscillator stabilization are going on.  This writer would like to thank especially DJ6RW, DJ3KM, DK2DRX, DJ8QL and DJ8CY for all their help.

Return to Green Bay Professional Packet Radio for more info and contact information.