From: "Dennis Payton" 
To: n0rc
Subject: stuff for 'the Rock-Mite files'
Date: Sunday, December 01, 2002 7:58 PM

Hi Rod,

I received my Rock-Mite about the time I was leaving on a trip so gave it to
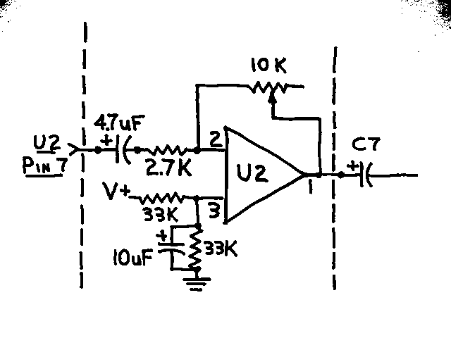
my buddy Jim, NC9H to build and play around with until I got back. Not being
one to leave an original design alone, he used the other half of U2 to add
more audio amplification and it works very well, powering an external
speaker nicely. It connects between C7's positive pad and C7's positive
lead. I don't have a scanner so drew it out and took a picture, in case you
want to put it on your site.

The picture of my Rock-Mite is nothing new and probably wouldn't add
anything to your site. If you want to use it, fine, and if you don't, fine.
I just thought I'd take it to show you the volume control with on/off
switch.

I'm enjoying this little rig much more than I expected! Now I wish I'd been
more elaborate in packaging it - maybe stacking two Altoids boxes and
including a paddle & internal speaker.

72 & thanks for the neat site,

Denny    N9JXY