TNC2xxx for PC Slotcart

The Schematic and lib. in Protel format. To download click here. 25K

The PCB in EPS format. ZIP format. To download click here . 36K

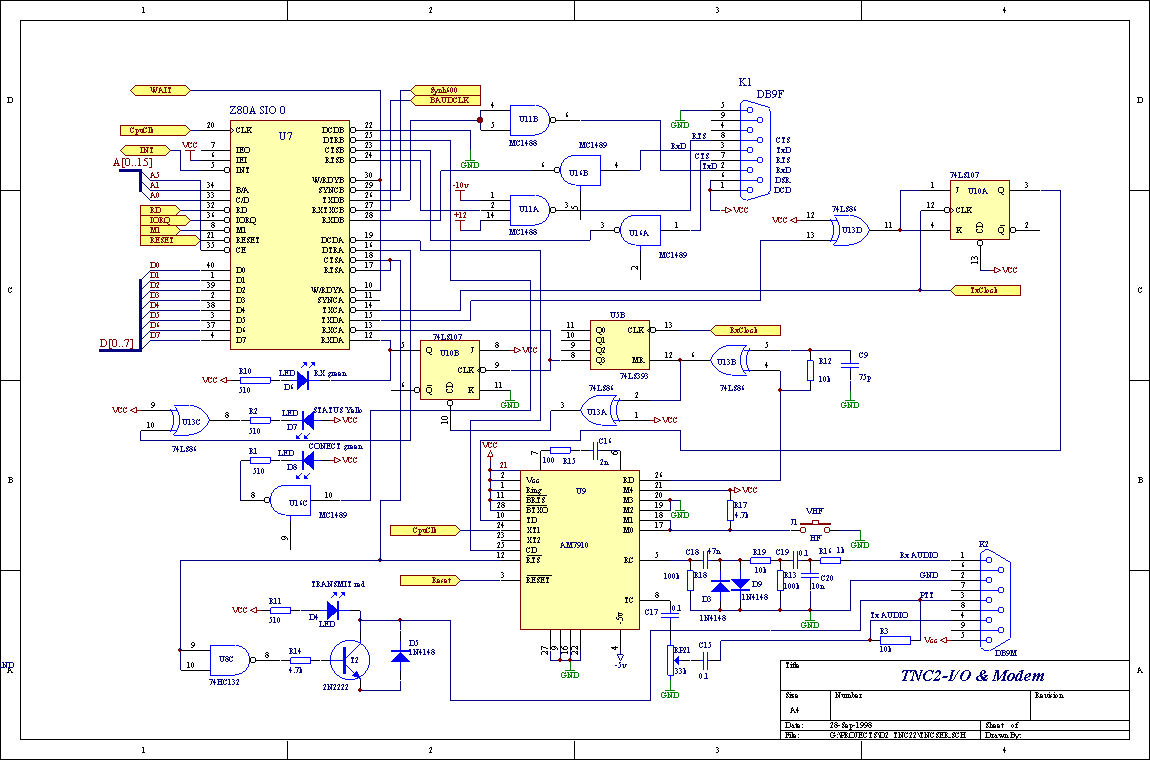
  The Schematic part1

  The Schematic part2

  The Schematic part3


You can e-mail me clicking here


Click here to see more