Balunes
 

www.geocities.ws/danielperez    www.qsl.net/lw1ecp   Ing. Daniel P�rez    LW1ECP   

fb: Daniel Ricardo Perez Alonso    contacto: danyperez1{arrroba}yahoo.com.ar


09/07/07: ampliación
Ya sabemos la definición de diccionario: BALanced to UNbalanced: un balún es algo que convierte balanceado a desbalanceado y viceversa, aunque en la práctica se le da ese nombre a otras configuraciones que no hacen exactamente ese trabajo. En esta nota nos tomaremos esa licencia, aclarándolo cuando sea necesario.

Vamos a encarar el tema haciendo un paralelo con una cuestión eléctrica de baja frecuencia:

Un típico motor de alterna consta de bobinados arrollados sobre un núcleo (estator) de chapas de hierro.
Un efecto adicional de este bobinado es una cierta capacitancia entre cada espira y ese núcleo, {balun01}.
El circuito equivalente completo consiste en una impedancia Z1 entre los bornes de alimentación, y otras dos (Z2 y Z3, capacitivas) entre cada borne y el núcleo, que usualmente está unido eléctricamente a la carcasa.

 

 

Entre Z2 y Z3 se forma un divisor de tensión que aplica parte de la tensión del vivo a la carcasa, {balun02}.
El generador ilustrado es el transformador que alimenta al barrio.
Si tocamos la carcasa teniendo nuestro cuerpo continuidad a tierra, circulará corriente por él.
La solución tradicional es conectar la carcasa del artefacto a tierra. El consumo típico de un motor hogareño anda en el orden de los amperes, mientras que la corriente de fuga es de miliamperes, una cosquilla.

 

 

Ahora supongamos que la corriente de fuga no sea para nada despreciable. Esta corriente circula por la tierra y retorna al generador a través de su conexión a tierra {balun03}. Pero si la impedancia de esta conexión no es despreciable, el cable de neutro puede llegar a tener una importante tensión respecto de tierra.

 

 

Una solución es hacer como los reparadores de TV, un transformador "aislador" 220:220, {balun04} a la izquierda. Ahora no es importante cuán buena sea la puesta a tierra del generador, ya que no circula corriente por tierra.
Es interesante que se lo llame "aislador", porque no altera la tensión de MODO DIFERENCIAL entre un cable y otro de la carga, pero sí aísla la circulación de la corriente de MODO COMÚN.
El secundario, se dice que está "flotante". Una variante posible es que posea un punto medio a tierra (ver la derecha), es la versión "balanceada", equivalente a lo anterior si la carga también está balanceada, impedancias a tierra iguales.


Ahora apliquemos esto a los balunes de antena:

Así, {balun11} es como se estudia al dipolo en la teoría: infinitamente alejado de tierra y objetos, y el generador colocado justo en sus bornes. Si mide 1/2 de onda, tiene Z = 73,1 +j42,5ohm. Acortándolo un poco se logra aprox. 58ohm con reactancia cero (resonancia) (www.justnet.org/pdffiles/N20402.pdf)

 

 

En {balun12}, la existencia de la tierra hace que aparezcan dos impedancias nuevas, con las consiguientes nuevas corrientes.
Antes, sin la presencia de la tierra, la antena era una carga "flotante", no conectada a nada. Ahora ya no es flotante, hay corrientes que circulan hacia otros lados, pero por ahora vamos a suponer que son iguales y de sentido contrario. Entonces se dice que la antena es una carga balanceada (o simétrica, corríjanme si no son sinónimos para estas aplicaciones).

 

 

Nada cambia si el generador es flotante y se conecta con una línea simétrica (que un conductor es físicamente igual al compañero) {balun13}.
A los fines de la potencia irradiada, no nos importa saber qué tensión hay en cualquiera de los terminales del generador con respecto a tierra, pero podemos estar seguros que no es cero.

 

 

Entonces, si convertimos el generador en desbalanceado, poniendo a tierra uno de sus terminales, como dijimos que tenía tensión, ahora circulará corriente por esa conexión, {balun14}.
Volvemos al caso del artefacto de 220V que tiene una importante corriente hacia tierra, ya vimos el problema de si no es buena la conexión a tierra. En el caso de antenas veremos cómo se manifiesta esto.
Hagamos de cuenta que es como tener el generador arriba, conectado directamente al dipolo, pero con el agregado de un tercer irradiante a tierra.
Nota: NO es cierto que "una rama del dipolo no irradia porque está a tierra", la Z de esa larga conexión a tierra dista mucho de ser cero, pero estemos seguros de que esa conexión nos modifica el funcionamiento.

 

 

La solución nuevamente es el transformador aislador, {balun15}.
Teóricamente no circulará corriente por la conexión a tierra.
A la antena ya no le importará si la excitación es balanceada o no, o la calidad de la conexión a tierra.

 

 

A veces, por razones constructivas, el transformador balancea pero no aísla como veníamos viendo, {balun16}. Para que esto equivalga al caso anterior, es necesario que la antena sea simétrica (no es el caso de un dipolo inclinado o una Windom).


"Ok, con el balún, a la antena ya no le importa la forma de excitación o la tierra. Pero a MÍ qué me importa eso?. Voy a llegar más lejos por poner un balún, sí o no?".
No se trata solamente de llegar más lejos, veamos qué pasa si a un dipolo balanceado se lo alimenta con coaxil así nomás:

- Si además no se tiene una buena tierra, toda la estación estará "viva" para la RF.
Cuánto de viva no dependerá sólo de una buena jabalina en tierra húmeda, sino de la inductancia de la conexión a tierra.
Esto puede ocasionar p. ej. que se acople RF rectificada al preamplificador cuando se toca el micrófono. Dicen que en casos extremos uno hasta se puede "quemar los labios".
En mi primerísima estación, usaba un téster como medidor de corriente de placa, me resultaba imposible obtener un mínimo al ajustar el PI, inexplicablemente obtenía un MÁXIMO (250mA para una 6BQ5???). Lo que ocurría era esto: con ajuste óptimo, el cuarto se llenaba de tanta RF que se metía por los diodos del téster (Central 500H), están para las escalas de tensión alterna, pero permanecen conectados siempre.
Y los medidores de ROE dan lecturas erróneas si la línea está viva. Esto sí puede impedir que uno sepa dónde está el punto del transmatch para sacarle el jugo a la estación.

- La línea irradiará de por sí, por la diferencia entre la corriente del conductor central y la malla. Esta radiación se suma y resta caprichosamente según los ángulos a la radiación de la verdadera antena, deformando el diagrama de radiación. Si Ud. busca contactar en cualquier dirección, no le importará. Pero si tiene una direccional, o busca lograr un cierto ángulo de disparo hacia la ionósfera, además de desperdiciar potencia de transmisión en direcciones no deseadas, también las captará desde ellas: si pretende rotar la antena hasta anular una estación no deseada, hallará que la línea sin balún le degradó la relación frente - espalda.

- El equivalente de lo anterior, en recepción, es mayor susceptibilidad a captar ruidos por parte de la línea. En el caso de LU6ETJ fue la razón más importante para poner balún.

- Dicen que un balún es bueno para la EMI (interferencia electromagnética). Esto es parcialmente cierto. Se refiere a que, si la línea irradia y pasa cerca de televisores (u otros aparatos) o sus antenas o líneas, podría ser que éstos reciban más señal de la línea que de una antena ubicada varios pisos más arriba. Estamos hablando principalmente de sobrecarga por la fundamental, porque si el tema son las armónicas más vale atacarlas con un pasabajos a la salida del transmisor.

Bueno, y cómo se hace físicamente un balún?. El clásico transformador de primario y secundario, descubierto por Faraday, tiene ciertos comportamientos no deseados que hace que los diseñadores se dividan entre ésta y otras implementaciones.


(Hay más componentes que no se ilustraron: resistencias, capacitancias distribuidas de bobinados y entre bobinados).

{balun21} muestra un circuito equivalente aproximado de un trafo 1:1.
Lm: "inductancia de magnetización", en paralelo con la señal.
Ld: "de dispersión", normalmente mucho menor, en serie con la señal.
Con un bobinado en circuito abierto, en el otro se "ve" la Lm.
Con un bobinado en corto, en el otro se "ve" Ld.
Para ser bueno en baja frecuencia, la X inductiva de Lm debe ser alta, varias veces mayor que las impedancias que tendrá conectadas para que no "consuma" demasiada corriente.
Para ser bueno en alta frecuencia, la X de Ld debe ser baja.

 

 

 

 

Para aumentar Lm se aumenta la cantidad de espiras. Lamentablemente, al mismo tiempo aumenta Ld. Esto se puede atacar:
- usando núcleos de alta permeabilidad, mejor aún si es sin entrehierro (toroides) para no tener que usar demasiadas vueltas.
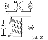
- juntando los bobinados lo más posible, {balun22} p. ej. bobinando uno encima del otro, o en forma bifilar (esto último lo convierte en línea de transmisión, ver más adelante).

 

 

 

 



Transformador Guanella, también conocido como "Choke de Modo Común", "Choke Balún" o "Balún de Corriente" (aunque no es un balún propiamente dicho).

En {balun24} presentamos el transformador Guanella, parece el Faraday pero girando 90 grados el dibujo. Los puntos sobre los bobinados indican sus fases. Aunque no parezca, demostraremos que cumple la misma misión.
En A alimenta una carga flotante. Atención al sentido de las corrientes: una entra por el lado "punto" de un bobinado, creando un flujo magnético en un cierto sentido. La otra sale por la misma fase del otro bobinado, creando un flujo igual y contrario. Si se cancelan los flujos, no hay tensión sobre los bobinados!. Es como si fuesen cortocircuitos, pero sólo para la señal diferencial.
En B hay otra forma de verlo: se permutó la carga y un bobinado, y se dibujó el núcleo (aunque sea aire), con las líneas de flujo, que se cancelan.
En cuanto a la señal de modo común (la indeseada):
- En C se alimenta una carga a tierra, no hay de dónde le venga tensión.
- En D la carga ve la alta Z de un bobinado en serie, tampoco le llega mucho.

 

 

 

 

Formas prácticas de chokes de modo común se ven en {balun25}.
El A se puede ver hasta en fuentes conmutadas, a la entrada de línea, para impedir la salida de interferencias hacia la red (pero con los bobinados separados por un tema de aislaci�n el�ctrica).
Es muy deseable que los bobinados formen una línea de transmisión con una Zo igual a la de la línea, o que estén formados por la propia línea, caso del B. En ese caso, teóricamente no hay límite superior de frecuencia.
El C es similar, una única "espira" dentro de un caño o una pila de toroides de ferrite (W2DU, W0IYH), aunque puede volverse largo para obtener suficiente impedancia.
El D sí que es raro, lo vi en alguna QST, se obtiene alta Z en la línea a la frecuencia de sintonía del lazo. Sólo para banda angosta.
El E es el balún bazooka.
Nota: si bien no se destaca en estos dibujos, se entiende que el balún se conecta directo en la antena, y la conexión larga es al transmisor.

 

 

 

 

Hasta ahora tratamos balunes 1:1. Para casos en que tengamos p. ej. una línea de 50 y una antena cercana a 200ohm, usaremos un balún que además transforme 4:1, {balun26}.
El tipo Faraday puede ser en versión transformador (A) o autotransformador (B). Este último, pese a la ausencia de la aislación galvánica, da prestaciones similares si la antena está bien balanceada de por sí, como ya mencionamos.

 

 

 

 

El Guanella 4:1 {balun27} era muy utilizado para adaptar 75 a 300 en los TV, y sigue usándose en las antenas de TV. Hizo tan popular al núcleo "binocular" o "pig nose" que se lo conoce como "núcleo balún".
Consta de dos Guanella idénticos, con igual retardo.
Ya que cada uno copia a su salida lo que tiene a la entrada, además del efecto de aislación, podemos verlos como cajas negras así: el transmisor ve dos impedancias 2Zo en paralelo, y la antena se ve excitada por dos generadores de 2Zo en serie.
Respetando las Z indicadas, no hay límite superior de frecuencia.

 

 

 

Una simplificación del Guanella 4:1 es el transformador Ruthroff 4:1 {balun28}. También conviene cuidar una determinada impedancia característica.
Al igual que el Faraday tiene un límite superior de f, pero no por la L de dispersión, sino porque debe ser corto, 1/4 de onda (a la f máxima) o menos, carece de la sección ecualizadora de retardo.
En (B) se lo redibujó como trafo convencional, no de línea de transmisión, para visualizar la relación de transformación.

 

 

 

 

Por último, probablemente el más popular de los 1:1, el Ruthroff 1:1, conocido como "Balún de Tensión 1:1" {balun29} (A).
Redibujado en (B) vemos que es un autotransformador, pero en que la cantidad de espiras pertenecientes al primario coincide con las del secundario. El bobinado es trifilar, también conviene cuidar la impedancia característica, y también vale la limitación de que sea corto en términos de longitudes de onda. (C) es una implementación práctica.
Nótese que si eliminamos el bobinado central, tenemos un Guanella.

 

 

 

 


Los balunes hacen nuestra voluntad así en la tierra como en el cielo: no sólo trabajan en los bornes de las antenas, veremos cómo las salidas a transistores también los aprovechan.

Comenzamos por considerar el amplificador push-pull de {balun51}. Por simplicidad se omite la fuente. Un transformador Faraday presenta a los transistores la impedancia de carga que exige el diseño. Misma topología que una clásica salida de radio Spica con 2SB56. La pequeña inductancia en serie con el punto medio representa el efecto de acoplamiento imperfecto entre las mitades del primario. No es precisamente algo que le guste al diseñador. Por ahora no molesta porque, trabajando en clase A, por cada mA que sube un transistor en un momento dado, el otro bajará en misma cantidad, y como muestran las flechas, ambas corrientes se cancelan en el punto medio.

 

 

Como obviamente la mayoría de nosotros no tiene acciones de la compañía de electricidad, es más probable que la salida sea clase B {balun52}. Para una dada combinación de Vcc y Z de carga, teóricamente la máxima potencia obtenible es la misma.
Ver el esquema superior. Ahora sí se hace notar la presencia de la inductancia de dispersión: como conduce 1 transistor por vez (el otro se dibujó como desconectado), no hay cancelación de corrientes.
En el esquema inferior hemos empeorado el problema. Se reemplazó el transformador convencional por un "balún" de corriente 1:4; es muy bueno para acoplar a la carga, pero le niega una referencia a masa a los transistores. La corriente del transistor que conduce quiere entrar por A, pero no lo va a hacer mientras no tenga permiso para salir por B.

 

 

La solución está en {balun53}. Se agregó un "balún" de tensión, un autotransformador diseñado para máximo acoplamiento entre sus mitades. Bueno, en realidad no está trabajando como bal-un, la salida de los transistores ya es balanceada y la red de salida presenta una carga flotante. Pero este autotransformador tiene la importante función de convertir esa carga flotante en referida a masa para el transistor al que le toque conducir.

 

 

{balun54} nos muestra que esa carga de 12,5 ohm, flotante e indigerible para el transistor de turno, termina siendo vista por él como una de 3,125 ohm bien puesta a masa, a la que es fácil entregar la excursión de Vce aún en altas frecuencias.

 

 

En {balun55} (perdón por la perspectiva surrealista) volvemos un paso atrás. Usa un transformador Faraday en que la única espira del primario se implementa "forrando" con un tubo metálico el interior de los tubos de ferrite. Está la tentación de poner al punto (X) a alimentación (masa para la RF) y obviar el autotransformador. Esto se hace en la Motorola EB63 (amplificador 140Wpep), pero es un diseño súper simplificado que ni siquiera usa transistores caracterizados para SSB. De haberse empleado el autotransformador, probablemente habría sido un poco mejor en IM y potencia en el extremo superior de la banda de operación.


Un beneficio adicional del autotransformador es que mejora también el funcionamiento en el extremo bajo. Su inductancia de magnetización, junto con los capacitores de acoplamiento, compensa la del transformador de salida, posibilitando que ésta tenga un valor menor (menos espiras) que sin el autotransformador.

FAQ sobre balunes
Bueno, no es cierto que me hayan hecho todas estas preguntas... me pareció una forma amena de seguir con el tema.

"Me dijeron que el de corriente no es un balún".
Para usar las palabras correctas, el Guanella no es un "BALanced to UNbalanced", más bien es un "lo-que-haya a lo-que-tenga-que-ser". Veamos estos casos:
- Entre coaxil y dipolo de media onda: lo que hace es lograr que la señal deje de tener una referencia a tierra (la hace flotar, la aísla, la desacopla), y después es la simetría del propio dipolo lo que hace que la tensión en sus ramas termine siendo balanceada.
- Entre coaxil y dipolo asimétrico (una Windom, o un dipolo inclinado): acá la antena no es balanceada para nada, no puede hablarse de un efecto balanceador, pero no importa, simplemente cumple su efecto desacoplador para evitar la corriente de modo común (desde luego, en la Windom también hace falta transformar impedancia).
Para terminar de fijar el concepto: el Guanella ES un choke, de modo común. Y de paso aclaremos que la palabra inglesa "choke" (no "choque") significa "obstrucción", impedancia muy alta.

"Entonces por qué, en los 1:1, es más común el Ruthroff (el de 3 bobinados) que el Guanella (el de 2)?".
No lo sé!. El documento de Ruthroff (que trataba más cosas aparte de balunes) es de 1959, y citaba al de Guanella de 1944, sin embargo últimamente se está usando cada vez más el viejo. Es que se está tomando conciencia de que lo que se necesita en general no es un balún sino un desacople: un verdadero balún funciona bien (evita corriente de modo común) sólo si la carga es verdaderamente balanceada.
Además es más complicado (un bobinado más), y tiene menos ancho de banda relativo. En el Guanella, la f máxima en que desacopla eficazmente está limitada por la capacitancia entrada-salida y la auto resonancia serie.
Nota: según el propio Ruthroff, el bobinado central "completa el camino para la corriente de magnetización", y por el dibujo físico no parece ser importante su acoplamiento a los otros dos. En una nota Philips de ~1978, "Amplificadores Lineales de BLU Transistorizados", este bobinado "da continuidad de CC entre los bobinados y mejora el equilibrio del transformador".

"Hay antenas para las que se pide un balún 4:1 u otras relaciones que no son 1:1. Para qué, si tengo transmatch?".
El transmatch, también llamado acoplador o sintonizador de antena (ATU), reduce la ROE que ve el equipo pero no modifica la ROE en la línea (por eso se dice que no es cierto que "sintonice la antena"). En cambio, un transformador de impedancia en bornes de la antena, aunque su relación no se pueda ajustar exactamente para cada frecuencia, reduce la ROE en la línea.

"Y si no me importa la pérdida adicional por ROE en la línea, porque ésta es corta y de bajas pérdidas?".
Igual conviene el transformador en la antena, porque hay más posibilidades de que la impedancia que vea el transmatch caiga dentro de su rango de ajuste. Ya que estamos, recalquemos que un transformador de impedancia en la antena hace sólo una adaptación gruesa, la fina la da el transmatch

"En una G5RV o tuttifrutti, entre la línea abierta y el coaxil hay que poner un balún, y tiene que ser 4:1".
Un balún de corriente sí, pero 1:1, porque justamente el tramo de línea abierta ya trabajó como adaptador de impedancia, no es lo mismo que p. ej. una antena de 300 alimentada con línea de 300, ahí sí se tiene 300 en su extremo y require un transformador si se quiere continuar con coaxil.

"Cómo puede irradiar un coaxil, si está blindado?"
Sí, blindado para los campos eléctricos, pero no para los magnéticos. Si la corriente del conductor central no es igual y contraria a la del blindaje, se irradia (o capta) la diferencia de corrientes.

"Entonces, qué ventajas tiene un coaxil, por qué se usa tanto?"
Por comodidad: se puede pasar por cualquier lado, atravesar paredes, adosarlo a superficies metálicas sin preocuparse. Además es inmune a la intemperie (siempre que no le entre agua por un agujerito): una línea paralela pierde menos pero sólo cuando está seca (aunque si la separación entre conductores no es continua sino en escalerita, la degradación es menor, hay menos aislante que se moje).

"Por efecto pelicular, la corriente de modo diferencial circula por el interior del blindaje, y la de modo común por el exterior".
Ufff, no sé si es tan así, que no se "choquen" esas dos corrientes porque van por carriles distintos, pero no mezclemos las cosas, el efecto pelicular no tiene nada que ver con el tema del desbalance de corrientes. Aunque el espesor del blindaje del coaxil fuese similar a la profundidad de penetración, no se alteraría el análisis. Además, una línea paralela bien puede usarse en forma desbalanceada, y ahí sí que es imposible aislar mentalmente la corriente de modo común invocando el efecto pelicular.

"No se puede poner abajo el balún?".
Hay un detalle que se omitió hasta ahora. Se dijo que el balún (de tensión si es una antena balanceada, o el de corriente en cualquier caso), al instalarlo directo en bornes de antena, corta allí la corriente de modo común. Pero esto NO garantiza que sea nula la corriente de modo común en la otra punta del cable. Si éste no baja estrictamente a 90 grados con respecto al dipolo, por más balún que haya arriba, el cable hará de antena receptora y habrá una corriente en la conexión a tierra. Desde este punto de vista lo correcto sería poner un balún de corriente cerca del equipo. Pero esto haría perder las otras ventajas del balún directo en antena. Probablemente, si realmente hace falta un balún de corriente abajo, lo correcto será agregarlo, en vez de correr hacia abajo el de la antena.

"Bueno, basta, entonces qué tipo de balún pongo?".
(Aquí, poner redoble de tambores como después que dicen "And the winner is..." en los Oscar).
Las siguientes respuestas no son basadas en mi (nula) experiencia, sino deducidas de las fuentes consultadas.
- Si la antena es razonablemente balanceada, cualquiera. Si es de tensión (Ruthroff): que posea reactancia varias veces superior a la Z de la antena (ojo!, un balún apto para 50:50 puede quedarse corto para p. ej. 300:300). Si es de corriente (Guanella): ni se entera de la Z entre ramas, simplemente métale bastante ferrite para que sea de banda ancha y a otra cosa.
- Si es muy desbalanceada, el de tensión no sirve, tiene que ser un choke. El de corriente debe tener una generosa impedancia chokeadora, pero es riesgoso usar ferrite, puede haber una considerable energía aplicada al mismo con peligro de que se coma buena parte de la misma, y uno jamás se enterará de ello (con tal que la ROE en el Tx se pueda llevar a 1, creemos ser felices), a menos que se esté usando tanta potencia que el balún se prenda fuego. También se puede estar generando armónicas por saturación del núcleo. Ante la duda: balún al aire con bastantes vueltas de coaxil, y aceptar que no cubrirá todas las bandas de HF. O tal vez, usar carbonyl (polvo de hierro).
A todo lo anterior, agreguemos la posible necesidad de transformar Z, para que la ROE en la línea sea razonable.


Mi agradecimiento a la muchachada de http://ar.groups.yahoo.com/group/hamtec/ por la riqueza de preguntas y respuestas sobre temas como éste, que me impulsaron a escribir esta nota. P. ej. una respuesta de LU9DPD fue la patada inicial para comparar los balunes de tensión y de corriente. LU6ETJ también reconocerá su tinta en varias partes.

Bibliografía:
- www.bunkerofdoom.com/lit/bal_xmit/HFbaltransys.pdf Recopilación muy completa
- Ing. Mata "Transformadores de Banda Ancha en RF", UTN F.R. Bahía Blanca
- Leer: A Better Antenna Balun www.arrl.org/qex/2005/qx9roos.pdf

 

<eof>