www.geocities.ws/danielperez www.qsl.net/lw1ecp Ing. Daniel Pérez LW1ECP
fb: Daniel Ricardo Perez Alonso contacto: danyperez1{arrroba}yahoo.com.ar
{ Ver más adelante agregados de Julio 2019 }
Terminó el siglo 20, y el tema ROE (SWR) sigue siendo motivo de acaloradas
controversias en el aire y en los radioclubes. ¿Una ROE de 3 es mala o
aceptable?. La potencia reflejada, ¿por qué se llama reflejada, porque vuelve
al equipo y quema los transistores?. ¿Un balún sirve para bajar la ROE?. Vamos
a tratar el tema por partes.
* ¿QUÉ ES LA IMPEDANCIA CARACTERÍSTICA (Z0) DE UN CABLE?
Cuando se dice que tal cable tiene una impedancia de 50ohm, por ejemplo, ¿dónde
están esos 50ohm?. No salga corriendo con el téster a ver si son la resistencia
del conductor central o la malla, o si está entre ellos. Tampoco es ninguna
impedancia por unidad de longitud, ni la de efecto pelicular.
En pocas palabras, decimos que un cable es de 50ohm, si al conectar una
resistencia pura (sin reactancia) de 50ohm en una punta, también
"vemos" 50ohm puros en la otra punta al medir con cualquier
frecuencia y para cualquier largo de cable. Lo mismo vale cuando se trata de
otros valores de Z0.
* ¿QUÉ ES LA IMPEDANCIA DE UNA ANTENA?
Tampoco se vaya a trepar con el téster, porque le va a dar infinito o cero,
según el tipo de antena. Cuando se le aplica una tensión de RF a los bornes de
una antena, circula una corriente. La relación entre tensión y corriente es su
impedancia de entrada, que no tiene nada que ver con la resistencia en
continua. Su parte resistiva es la suma de la "resistencia de radiación", más la
resistencia de pérdidas del alambre, y la que considera las pérdidas por
proximidad de la tierra y objetos cercanos. La única R útil es la de radiación,
que convierte la potencia eléctrica de RF en ondas. Las demás, la desperdician
en calor, como hace un resistor.
En la frecuencia denominada de resonancia de la antena, esta
impedancia es puramente resistiva, en el orden del medio centenar de ohm para un
dipolo
(volveremos sobre esto más adelante).
* ¿QUÉ ES LA LONGITUD "ELÉCTRICA" DE UN TRAMO DE CABLE?
Es la cantidad de longitudes de onda que caben en él. Tengamos en cuenta que la
RF viaja más lento en un cable que en el aire; la velocidad es de entre el 60 y
el 95% según el tipo de cable, así que las ondas dentro del cable son más
chicas en hasta un 40%. O sea que, aunque una onda de 300MHz mida 1m en el aire
(o en el vacío para ser rigurosos), un cable de 66cm tendrá una longitud
"eléctrica" de una onda si su factor de propagación es de 66%.
* JUNTANDO TODO
Ahora bien, de acuerdo con la definición recién vista de Z0, si a una antena de
50ohm le conectamos un cable de 50ohm de cualquier longitud, y luego el equipo,
éste también "verá" una impedancia de 50ohm, que suele ser el valor
exigido por su fabricante.
Cuando un cable no está terminado correctamente, es decir, no está conectado en
un extremo a una resistencia igual a su Z0, ocurren dos cosas importantes:
* LA IMPEDANCIA NO SE MANTIENE
En primer lugar, la impedancia que se ve del otro lado (el equipo) dependerá
por supuesto de la que tenga la carga, pero también de la longitud eléctrica
del cable.
Es interesante ver lo que pasa cuando a un trozo de cable se le aplica una
frecuencia tal, que en él quepa un cuarto de su longitud de onda. Si se lo
termina en un cortocircuito, aunque parezca mentira, del otro lado se porta
como un circuito abierto, para esa frecuencia.
Por el contrario, dejando un extremo abierto, en el otro se refleja un
cortocircuito.
En pocas palabras, una línea de 1/4 le lleva la contra a la carga. Por lo
tanto, si pensamos que una línea de 1/2 media longitud de onda son dos de 1/4
en cascada, entonces la 2a parte le llevará la contra a la 1a con lo cual a la
entrada volvemos a encontrar la misma impedancia de la carga, ya sea un corto,
un abierto, o cualquier otra cosa. Esto es lo que se llama línea sintonizada:
un cable de cualquier impedancia, pero que mida media onda o un múltiplo de
media onda, no transforma impedancia.
De aquí surge una aplicación práctica: ¿necesita un cable con una cierta Z0, y
el que tiene es de otra?. Córtelo a 1/2, 1, 1 1/2, etc. longitudes de onda
eléctricas. Desde luego que esto vale sólo para banda angosta, o sea sin
apartarse demasiado de la frecuencia para la que vale la longitud eléctrica
elegida.
* LA TENSIÓN NO SE MANTIENE
La otra consecuencia de tener una carga desadaptada, es que la tensión de RF no
será la misma en todos los puntos de la línea, y la corriente tampoco.
Volviendo al caso exagerado del cortocircuito, es evidente que la tensión en
este tipo de carga es cero. Si retrocedemos 1/4 de onda hacia el transmisor,
recordando que ahí tenemos reflejado un circuito abierto, encontraremos una
tensión alta. Retrocediendo otro 1/4 de onda, volveremos a encontrar un corto
con tensión cero, y así sucesivamente. Si hacemos un gráfico de la tensión de
cada punto versus la distancia a la carga, tendremos una onda que parece el
oscilograma en un rectificador de onda completa sin capacitor.
Reemplazando el cortocircuito del extremo por un circuito abierto, la curva
será parecida: sólo cambiarán de lugar los máximos y los mínimos. En ambos
casos, como los mínimos llegan a cero, al hacer la división para calcular la
ROE (ya la veremos), da infinito.
Si en vez de un corto o un abierto colocamos una carga más realista (ROE menor
que infinito), encontraremos que los máximos de tensión son más bajos, y que
los mínimos no son cero, y la graficación se parecerá a una senoidal deformada.
Este dibujo es una "onda", pero ¡ojo! su eje x es distancia en vez de
tiempo: no es una tensión que varía en el tiempo. Por lo tanto, se la llama...
¿ya lo adivinó?, estacionaria.
La figura {roe1} nos muestra una línea de 3/4 longitudes de onda terminada en
una carga que produce una ROE de 10:

A cada 1/4 de onda se incluye el oscilograma (tensión instantánea versus
tiempo) que se encontraría en dicho punto, y sobre los conductores de la línea
se dibujó la onda estacionaria (tensión pico versus longitud).
* LA DEFINICIÓN DE ROE
Si dividimos la tensión de los máximos por la de los mínimos obtenemos la ROE,
relación de ondas estacionarias (en inglés se la puede encontrar como VSWR,
voltage standing wave ratio, o simplemente SWR).
Esto es la definición histórica de la ROE, que desde luego sólo es aplicable a
líneas lo bastante largas como para que contengan por lo menos un máximo y un
mínimo. Pero se demuestra matemáticamente que este número coincide con la
relación entre la Z0 de la línea, y la resistencia a la que está conectada. O
bien, si esta cuenta da menor que 1, se invierten los operandos. Por eso, tanto
una carga de 25ohm como una de 100 producen una ROE de 2 en un cable de 50
(esta cuenta sencilla vale sólo para cargas puramente resistivas, sin
reactancia). Así, en la práctica, la idea que se busca expresar con la ROE es
la de relación de impedancias. Tanto es así, que en el llamado medidor de ROE
(roímetro para los amigos), lo que marca la aguja rigurosamente hablando no es
necesariamente la ROE, sino la relación entre el valor de lo que ve y la
impedancia para la que está hecho el instrumento. Si un roímetro diseñado para
líneas de 50ohm se coloca al final de un cable de, por ejemplo, 75, lo que se
medirá será erróneo: el instrumento no puede adivinar en cuánto anda la
verdadera relación de máximos y mínimos dentro del cable.
A propósito, es conveniente desterrar la costumbre de decir que la ROE es de,
por ejemplo, "1,5 a 1", y en vez de ello especificar simplemente que
es de "1,5". A diferencia de cuando se especifica una relación de
transformación o la escala de un plano, aquí no interesa especificar un orden.
¿Acaso se dice "ganancia = 100 a 1" en un amplificador?.
* UN CASO REAL
Ahora sí, por fin, vamos a analizar en qué molesta la ROE. Supongamos un transmisor
diseñado para trabajar con 50ohm, pero su dueño es un tacaño y compró cable de
75 porque es más barato. Por último, la antena tiene una impedancia de 90. En
medio de esta ensalada de impedancias, ¿dónde interesaría poner el roímetro?.
¿En la antena o a la salida del equipo?. La respuesta es... en ambos lugares.
Pero para no hacerle gastar en dos instrumentos, analicemos cuánto importa en
cada lugar.
* ARRIBA?
En la antena pondríamos un roímetro de 75ohm (la Z del cable) para saber en
cuánto difieren la impedancia de antena y la del cable (en este caso la
relación es 1,2). Atención a lo que viene ahora: a mayor ROE entre cable y
antena, mayor pérdida del cable. Conociendo qué tipo de cable tiene Ud., su
longitud y la frecuencia de operación, vaya a las tablas del fabricante y
averigüe y compare estos dos valores:
- Cuánto perdería ese cable si la ROE fuese 1.
- Cuánto es la pérdida real para la ROE medida.
Sólo así podrá saberse a ciencia cierta si vale la pena o no mejorar la
adaptación antena - cable.
Un ejemplo: 16m de RG58 en 220MHz, con ROE de 1, pierden 3dB, es decir, 50% de
la potencia se pierde en calentar el cable en vez de llegar a la antena. Ahora
bien, si la carga tiene una ROE de 2, la pérdida del cable pasa del 50 al 54%,
o sea que en este caso no vale la pena subirse a la antena a mejorar la
adaptación.
Ahora bien, si la atenuación propia del cable (la especificada para ROE = 1) es
bien alta, y la desadaptación con la carga también es fea, entonces la
atenuación adicional por culpa de la ROE sí puede molestar bastante, pero
entonces lo más juicioso tal vez sea cambiar por un cable más adecuado, en vez
de intentar mejorar la adaptación a la antena. Un caso patético es el de
quienes en vez de coaxil, para conectar un dipolo emplean línea abierta o cinta
de TV, las cuales tienen cientos de ohm de Z0; esto origina una ROE
elevadísima, pero como la línea abierta es de muy bajas pérdidas, no hay
problema en ese sentido. A esto (la adaptación entre cable y antena) se
refieren los artículos que intentan desterrar el arraigado mito de tener que
reducir la ROE en todo lo posible.
* ABAJO?
Dijimos que la ROE medida a la salida del transmisor también importa. ¿Por
qué?. Por ahí se dice que hay que adaptar la impedancia de la carga a la
impedancia interna (de salida) de un generador para lograr máxima transferencia
de potencia, y que si no, hay potencia reflejada que vuelve al generador en vez
de ser aprovechada. Muy bien, pero resulta que si a un equipo diseñado para una
carga de 50 le midiésemos la impedancia interna, ¡no nos daría 50!. Pasa lo
mismo que con los amplificadores de audio: se podría aumentar la potencia de
salida cargándolos con una impedancia de parlante menor que la especificada (si
sufren, es otro tema).
Entonces, ¿por qué hay que respetar la impedancia de carga que especifica el
fabricante?. Simplemente porque fue diseñado para tener una cierta potencia,
rendimiento, linealidad, supresión de armónicas, etc. para un dado valor de
impedancia de carga ("carga" aquí no es la antena sino lo que se ve
en la punta del cable que se conecta al transmisor). Si esta se respeta, o sea
ROE= 1 en este punto, todos estos parámetros están garantizados, no es otra la
razón. Para ello, lo correcto es conectar al equipo un roímetro con la
impedancia especificada para éste, sin importar la del cable; luego un
transmatch, y por último el cable. Se ajusta el transmatch para leer una ROE de
1. Aquí sí que es importante que sea baja, digamos menor que 1,5. Los muchos
que no poseen un roímetro se limitan a ajustar el transmatch para máxima
potencia hacia la antena, pero por lo recién visto no hay garantía de que el
transmisor quede viendo la carga para la que se diseñó.
Si aún no se convenció, ¿notó que la P directa indicada por el roímetro varía
al regular el transmatch?. Es indicio de que la Z de salida del transmisor no
coincide con la Z de carga (y no tiene por qué serlo, no se preocupe); si
coincidiera, su indicación no variaría al conectarle un corto, un abierto, o
cualquier otra cosa.
* ¿ENTONCES LA ROE ARRIBA NO IMPORTA?
Con todo lo dicho hasta ahora, queda en claro que donde realmente se debe poner
el dispositivo de ajuste fino de adaptación (y el medidor) es
"abajo", aunque una traducción de transmatch sea sintonizador o
acoplador de antena. De todos modos, cuando se conoce de antemano que hay una
gran diferencia de impedancia entre cable y antena aun en resonancia, como
ocurre con las antenas móviles de HF, es conveniente usar aunque sea una
adaptación "gruesa" arriba, tal como un transformador de impedancia
con relación fija de 4. Además, otra razón para mantener razonablemente baja la
ROE en el cable (desadaptación antena - cable), es que se facilita el trabajo
del transmatch; si no, aumenta la incertidumbre acerca de qué Z deberá atacar,
y a veces es necesario agregar o quitar un tramo de línea para entrar en el
rango en que pueda adaptar, o bien para evitar chisporroteo en sus componentes.
Por último, los transmatch tienden a perder más cuando se los obliga a adaptar
impedancias muy distintas, y si Ud. cree que no necesita transmatch porque su
transmisor es valvular con un PI de salida, el cual admite un amplio rango de
impedancias, no se abuse: un tanque PI se perjudica en su rendimiento o su
atenuación de armónicas al apartarlo excesivamente de la impedancia de diseño.
* JUNTANDO LAS PIEZAS
En {roe2} vamos a razonar el por qué de la ubicación de cada componente en un
sistema de antena:

Si se usa un transmatch que incorpore un roímetro internamente, el orden tendrá
que ser equipo - filtro - roímetro+transmatch - etcétera, y se deberá confiar
en que el filtro se porte bien en cuanto a Z (p. ej. que no se haya puesto un
filtro para la banda equivocada) ya que su influencia así escapa a la
vigilancia del roímetro.
Mencionemos que cuando la ROE se mide antes del filtro, es necesario que la
salida del transmisor esté razonablemente limpia, pues el exceso de armónicas y
las autooscilaciones engañan al roímetro, resultando imposible la anulación en
la indicación de potencia reflejada por la presencia de más de una frecuencia.
* ¿Y EL BALÚN?
¿Qué pito toca el balún en esta orquesta?. Bien: cuando dijimos que toda
antena, a los efectos de cómo la ve el cable, equivale a una impedancia
conectada entre un borne y otro, eso era parte de la verdad. Intuitivamente nos
damos cuenta que además hay una capacitancia entre tierra y cada rama de un
dipolo; por lo tanto el circuito equivalente no es una sino tres impedancias en
triángulo. Por eso, de la corriente que llega a un borne, una parte va hacia el
otro borne a través de la impedancia de radiación, y otra parte retorna a
tierra. Si las tensiones en cada borne con respecto a tierra son iguales y de
signo contrario, entonces las corrientes hacia tierra serán también iguales, y
la corriente total de uno y otro conductor en la línea también serán iguales.
Esto se llama excitación balanceada, no confundir con impedancia adaptada. Si
en el extremo del transmisor uno de los conductores está a tierra (o por lo
menos a un chasis) lo cual ocurre al usar coaxil, entonces no habrá tensiones
iguales y contrarias en la antena. Esto ocasiona 3 problemas:
1) La radiación de cada medio dipolo no será igual, por lo que el diagrama de
radiación no será el esperado. Esto es importante cuando se pagó por una antena
direccional, porque se la desaprovecha al deteriorarse su directividad; y
también nos engaña después que uno se tomó el trabajo de calcular el ángulo
vertical de "disparo" cuando se desea trabajar DX serio por rebote
ionosférico.
2) El cable irradia, aunque sea coaxil, porque las corrientes de ambos
conductores no se cancelan. Esto también deforma caprichosamente los lóbulos de
radiación, y aumenta el peligro de interferencia en los televisores cuyas
bajadas corran paralelas a nuestro cable (nos referimos aquí únicamente a la
interferencia por sobrecarga de fundamental, no por emisiones no esenciales).
3) Todo el equipo de la estación estará "vivo" porque habrá una caída
de tensión en su cable a tierra por culpa de la corriente del desbalance. Esto
se manifiesta como un aumento del riesgo de que la RF se meta por el micrófono,
que no se pueda hacer mediciones con el téster porque ya indica algo con sólo
tocar el chasis con una punta, y que tampoco el roímetro funcione bien.
Además, si no se tiene una buena tierra intencional, la RF pasará a la
instalación eléctrica a través de la capacitancia entre bobinados del
transformador del transmisor.
Todo esto se evita con un balún entre cable y antena. Su función específica, de
la que se deriva su nombre en inglés, es interconectar una cosa balanceada con
otra desbalanceada. Un balún no necesariamente se usa para adaptar impedancia.
El llamado "1 a 1" no lo hace; el "4 a 1" es una
combinación de balún y transformador de impedancia. Una forma de balún casero
es dar varias vueltas del mismo coaxil, sin cortarlo, sobre un paquete de
muchas varillas gruesas de ferrite; la onda que viaja entre ambos conductores,
lo que se dice modo diferencial, ni se entera de la presencia del núcleo
magnético allá afuera de la malla, pero la corriente de desbalance o modo común
encontrará una reactancia inductiva formidable en su camino.
Hay polémica si además se
necesita un balún 1:1 justo a la salida del transmisor, en casos rebeldes en que
las masas siguen vivas. En ese caso el nombre correcto es un-un (unbalanced to
unbalanced). También ayuda "sintonizar" la puesta a tierra.
Aclaración: no es cierto que alimentando un dipolo con un coaxil no irradie la
mitad conectada a la malla porque ésta esté conectada a tierra. Esto sería
cierto para una longitud de cable mucho menor que 1/4 de onda; en la práctica,
hay una reactancia de modo común que produce una aislación parcial con respecto
a tierra: justamente el propósito del balún es perfeccionar esa aislación de
modo común.
* ¿SON 50 O SON 75?
La impedancia de radiación de una antena monopolo o dipolo es un rompedero de
cabeza para los matemáticos. Las fórmulas son tan complicadas que muchas veces
hay que conformarse con expresiones que sirven sólo para los casos especiales
en que la longitud sea múltiplo impar de 1/2 onda. La simplificación es mayor
si se estudia alambres de diámetro muy reducido.
En una primera aproximación, un dipolo de exactamente 1/2 onda tendría una
impedancia puramente resistiva, o sea que sería resonante. Mejorando la
puntería matemática, se deduce que en realidad su impedancia es de 73,1 + j
42,6ohm (el +j nos dice que hay una componente inductiva) para alambre fino, en
el vacío, sin efecto pelicular, e infinitamente alejado de suelo y objetos.
Para que sea resistiva pura, hay que acortarlo aproximadamente un 5% por el
llamado "efecto de puntas"; es como si la corriente siguiera
circulando capacitivamente un poquito más allá del final. Pero entonces la
resistencia es algo menor, de unos sesenta y pico.
Encima, si el dipolo es horizontal y está cerca de la tierra o edificios, su Z
será menor aún. Digamos que anda por los 50ohm.
Dejemos constancia que cuando en el lenguaje técnico se habla de "dipolo
de 1/2 onda" en realidad se está refiriendo a uno que tenga 5% menos que
ese valor.
Por alguna razón histórica, la especificación del popular RG58/U no es de
exactamente 50ohm sino de 53, salvo que se trate del RG58C/U. Lo mismo que el
RG59/U: originalmente era de 73ohm, y la versión RG59C/U sí es de 75. Si leyó
atentamente hasta ahora, estas diferencias no le harán ni pestañear.
En la guerra Betamax vs.
VHS hubo un ganador. Lamentablemente no pasó lo mismo con la guerra 50 vs.
75ohm. Se supone que uno de dichos valores debería ser cercano a la resistencia
de radiación de los dipolos, pero precisamente aquí es donde nace la discordia:
El mundo de la TV insistió con los 75ohm (y su múltiplo 300) lo que se vio
reforzado con la moda del videocable.
Apartándonos del tema antenas: para el diseñador de circuitos, tanto 50 como 75
son niveles de impedancia convenientes para las interconexiones. Se demuestra
fácilmente que con valores muy superiores o inferiores resulta difícil
optimizar la respuesta en alta frecuencia, ya que molestan las capacitancias e
inductancias parásitas, respectivamente. Probablemente resulte más cómodo 75
entre etapas de baja señal para reducir el consumo, y permite menor pérdida de
inserción en los atenuadores PIN.
* ¿POR QUÉ TIENE QUE SER DE MEDIA?
No es cierto que un dipolo de 1/2 onda comunique más energía al ambiente que
cualquier otra longitud. La única magia del numerito 1/2 es que produce una Z
con un valor cercano al de los cables normales; caso contrario se tendría la
molestia de tener que poner adaptadores arriba. Pero hay veces en que hay otras
razones más importantes que hacen elegir otras longitudes.
Si un dipolo de 1/2 (o bien un monopolo de 1/4) resultan demasiado largos, se
puede optar por usar una longitud menor, pero el precio a pagar es que, como su
Z será una R muy chica en serie con una X capacitiva muy grande, será necesario
un circuito que elimine (cancele, sintonice, resuene) la reactancia y además
aumente (transforme) la R para que sea potable para el cable; y cuanto mayor
sea el trabajo de cancelar y transformar, más potencia se quedará perdida como
calor dentro del adaptador.
Otra cosa que cambia al variar la longitud es la forma de irradiar según la
dirección (diagrama de radiación). Al ir aumentando la longitud de un monopolo
vertical el lóbulo se va afinando, o sea dispara más porcentaje de potencia
paralela a la tierra y menos hacia al cielo (dirección inútil), lo cual hace
aumentar su ganancia respecto a un monopolo de 1/4. Pero si nos pasamos de 5/8
de onda la ganancia vuelve a bajar y aparecen lobulitos secundarios indeseados.
Por ello es tan popular la "5/8" aunque su Z no sea 50 ni 75 ni
resonante. La Ringo puede considerarse como dos de 5/8 en línea, con una línea
de retardo (esa U alargada del medio) que alimenta la 2a con la fase correcta,
y tampoco nadie se hace problema de que haya que adaptarla, ya que la ganancia
obtenida importa más.
En resumen: si no fuera por la pérdida del mecanismo adaptador y si no
importara un diagrama de radiación en particular, cualquier longitud serviría.
* ¡ROE=1 PUEDE SER MALO!
Si la longitud de una antena vertical es una pequeña fracción de la longitud de
onda (inevitable en los látigos de HF de los móviles), su resistencia de
radiación es muy pequeña y está en serie con una reactancia capacitiva muy
grande. Sin entrar en detalles del funcionamiento de una bobina de carga real,
supongamos a que esta reactancia se la cancela con un inductor en serie, y la
transformación de Z se logra con un transformador, ver {roe3}. Esto tiene dos
consecuencias:

- La R de pérdidas de la bobina está en serie con la de radiación, por lo tanto
tiene que ser muy baja (muy alto Q PROPIO) para que no se pierda demasiada
potencia en la bobina.
- Reactancias altas y resistencias bajas significa que el Q de todo el SISTEMA
es indeseablemente alto: sólo se podrá lograr adaptación en un ancho de banda
angosto.
Si la bobina tiene bajo Q PROPIO, aportará mucha R serie de pérdidas. Pero lo
curioso es que ello facilita la adaptación pues no es tan grande el salto de impedancias,
y también es más ancha la banda en que se mantiene ROE aceptable, pero lo que
cuenta es que la cantidad de potencia irradiada será baja.
Desconfíe del lobo disfrazado de oveja.
Otra: una vertical de 1/4 de onda tiene teóricamente la mitad de Z que un
dipolo de 1/2, y correctamente adaptada es igual de eficiente, pero como la
otra mitad de esta antena es la tierra su conductividad es mucho más importante
que en el caso del dipolo: la R no nula que tenga la conexión a tierra
convertirá la corriente que le circule en calor, no en ondas. La R de radiación
teórica es de unos 30ohm, lo que produciría una ROE = 50/30 = 1,66 en un cable
de 50; pero si la que se mide es 1 aun sin dispositivo de adaptación, ¡no se
ponga contento!: es porque hay 20ohm en serie con la conexión de tierra, donde
se estará perdiendo el 40% de la potencia.
* ¿HAY ROE EN OTROS MUNDOS?
¿Por qué se habla tanto de Z0 cuando se tratan temas de RF, y no al hablar de
audio?. Es cierto, parece que nadie se preocupa de si el cable de un parlante
es de 8ohm, o si el blindado de un micrófono dinámico es de 10k. Ni siquiera el
cable de la compañía telefónica es de 600ohm. La explicación es sencilla:
en 3kHz, la frecuencia vocal más alta que se transmite en telefonía, y por lo
tanto con menor longitud de onda, un cuarto de onda en un cable mide 10 a 20km,
y si la longitud del cable es mucho menor que esto, la desadaptación
introducida es pequeña. Y si la desadaptación importa, se prefiere colocar
bobinas compensadoras (pupinización) cada tanto en vez de usar un verdadero
cable de 600ohm.
Tampoco parece haber mucha preocupación por la adaptación de impedancia en
recepción. Es que cada dB que se desaproveche de nuestra potencia transmitida
por culpa de desadaptación significa 1dB menos de señal recibida por el
corresponsal, o sea empeora 1dB la relación señal a ruido en éste; pero si se
desperdicia 1dB de lo recibido por nuestra antena, no sólo la señal sino
también el QRM y el QRN (interferencias humanas y naturales) son atenuados en
la misma cantidad, con lo que la relación señal a ruido que llega al receptor
no sufre. Salvo en VHF y UHF en que el ruido generado internamente en el
receptor es importante, esto implica que tampoco empeorará la S/R en el
parlante.
Y por último, ya sabemos que la ROE no puede dañar al receptor...
* ¿Se puede hablar de ROE en continua?. Bueno, no es demasiado disparatado si
ayuda a fijar el concepto, veamos {ROE_CC}:

Consideremos un generador con resistencia interna R. Llamemos 2V ("dos
ve", no "2 volt") a su tensión interna (f.e.m.).
Caso A: si no se conecta nada a sus bornes, tenemos una salida igual a 2V.
Caso B: con un cortocircuito, la tensión de salida es nula.
Caso C: una carga de valor igual a la resistencia interna tendrá aplicada una
tensión V.
Casos D y E: con estas desadaptaciones se medirán tensiones de 4/3V y 2/3V.
Hasta aquí tenemos la forma lógica de considerar un circuito: si una
resistencia tiene un determinado valor, se la dibuja en el circuito con ese
valor y listo. Sin embargo, por razones que se comprenden al adentrarse en el
estudio de las líneas de transmisión, resulta conveniente tratar a las cargas
desadaptadas como resistencias adaptadas, pero con un generador agregado que
haga que el conjunto simule a la carga desadaptada. O sea:
Caso A’: el A se puede simular con una resistencia y una f.e.m. idénticos. No
pasa corriente.
Caso B’: ídem respecto del B, pero con la tensión invertida. Se comportará como
un corto.
Casos D’ y E’: con un poco de ecuaciones se llega a las f.e.m. indicadas.
¿Me siguió hasta ahora?. Bueno, aceptemos la frase "el generador ilustrado
produce una tensión INCIDENTE de valor V" porque esto es lo que se mide
estando cargado correctamente.
Con el mismo criterio, las cargas de A’, B’, D’ y E’, si fuesen generadores
conectados a una carga R ubicada a su izquierda, producirían tensiones iguales
a V, -V, 1/3V y -1/3V respectivamente, pero como están en la posición de cargas
decimos que esas tensiones son REFLEJADAS.
Con esto se quiso sacar el misterio de que haya energía que incide y energía
que se refleja: un puente de ROE funciona como si efectivamente hubiese un
generador en cada punta.
_____________________________________________________________________________________
Mayo 2007
NACE UN ROÍMETRO
Vamos a razonar paso a paso cómo se llega al circuito de un típico medidor
de ROE.
|
|
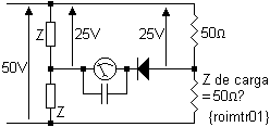
En la figura {roimtr01}
vemos una versión para RF del conocido Puente de Wheatstone. |
|||
|
|
El circuito anterior es
bastante exacto, es la base para los "puentes de ruido" que se
alimentan con un generador de ruido, y el instrumento para detectar balance
es el receptor. Pero es muy ineficiente: en el R patrón de 50ohm se
desperdicia la misma potencia que en la carga. No es un instrumento para
dejarlo conectado mientras se transmite. |
|||
|
|
Pero entonces las
tensiones de RF disponibles para rectificar y enviar al instrumento son
bajísimas, el diodo ni se enterará de que tiene excitación aún con una carga
totalmente desadaptada. |
|||
|
|
Bien, ya tenemos un
circuito que puede darnos una indicación adecuada de la adaptación. Pero
nótese que todos los componentes están extremadamente "calientes",
todos están conectados a la tensión de salida del transmisor. Hasta la aguja
del instrumento es capaz de irradiar!. |
|||
|
|
En {roimtr05} hemos
invertido la fase de un bobinado del transformador. Ahora, lo que el diodo
recibe para rectificar no es la diferencia sino la SUMA de las tensiones
desde la rama izquierda y desde el transformador.
|
|||
|
|
Bien, comencemos por el
circuito abierto, {roimtr06}. No circula corriente por la carga, por lo tanto
nuestra "pinza amperométrica" (el transformador) no aportará
tensión de salida.
|
|||
|
|
Y si ponemos un corto,
{roimtr07}?. La tensión de salida es cero, la rama izquierda no aporta
tensión, pero ahora la corriente circulante es el doble. |
|||
|
|
El próximo paso es
combinar el medidor de señal directa y el de reflejada. |
|||
|
|
El instrumento ya
estaría listo, pero vamos a tratar de usar un solo transformador. La tensión
a la entrada, a la salida, o en la unión de los primarios, son prácticamente
la misma, por lo tanto la rama de balance puede conectarse a cualquiera de
esos puntos, en {roimtr09} se la repartió entre ambos extremos. Esto deja
libre la unión de los primarios, lo que posibilita el próximo paso. |
|||
|
|
Finalmente llegamos a
{roimtr10} que es esencialmente el "Watímetro para RF y baja
potencia" que tengo en la edición Arbó 1976 del Radio Amateur's
Handbook, en el "QRP Notebook" de Doug DeMaw, y seguro en muchos
otros lados.
|
|||
A lo largo de estos pasos se introdujeron una serie de simplificaciones y/o mentiritas piadosas para no recargar aún más la explicación. Ahora vienen las confesiones:
- Suponiendo que el diodo proporcione una continua exactamente proporcional a la amplitud de la RF, lo que el instrumento se mueve no será proporcional a la potencia directa o reflejada sino a la TENSIÓN directa o reflejada.
- Si un Tx está diseñado para una carga de 50ohm, NO es cierto que su
impedancia de salida (interna) sea de 50. Qué significa para nosotros en la
práctica?. Que mientras se ajuste la impedancia de carga con el transmatch, la
potencia directa variará. No importa, esta potencia tiene sentido medirla
recién cuando haya adaptación.
- Siempre se habló de que lo ideal es una carga de 50. Obviamente, si en
nuestro caso la carga correcta es de 75, en la figura inicial reemplazaremos el resistor patrón por
uno de 75, y en la final tendremos otras relaciones de tensión y/o otras R en
secundario del acoplador.
- Un roímetro no puede dar una indicación veraz si la corriente por el
conductor central y por la malla del coaxil a la carga no son iguales, una
buena razón de ser para los balunes.
El roímetro en acción
Veamos la izquierda de la figura {roimtr11}. Es la condición de carga
adaptada:

Ahora coloquemos una carga de 150ohm, el circuito de la derecha. Donde se
conecta el rectificador de Directa tenemos 2,2V. Colocando el medidor en Directa
ajustemos el potenciómetro para que deflecte a fondo de escala. Luego pasamos a
Reflejada: la aguja quedará en la mitad. En ese punto el instrumento tiene
escrito 0,5 ó bien 50%. Esto nos dice que la tensión reflejada es la mitad de
la directa, o sea que la potencia reflejada es la cuarta parte de la directa.
En ese mismo ángulo, la escala ROE tendrá escrito "3": (1+0,5) /
(1-0,5) = 3.
Ahora viene el moñito final: la carga recibe una potencia directa de 50W pero
refleja 12,5W, o sea que aprovecha 37,5W. Bien. Y si por otro lado hacemos la
cuenta P = V^2 / R nos da 75^2 / 150 = 37,5W.
Cuál es el rango de frecuencias en que puede utilizarse el circuito?. El
toroide lleva 60 vueltas sobre un toroide Amidon T-68-2 (0,68" de diámetro
externo, mu=10) lo que da 20,5uH. Su reactancia es de 451ohm en 3,5MHz, o sea
bastante mayor que los 66ohm con que está cargado. En cuanto a la rama
capacitiva, su impedancia es prácticamente la reactancia del 330pF, que es de
138ohm @ 3,5MHz, que en serie con uno de los R de 33 es bastante más baja que
la impedancia que ofrece el rectificador. En cuanto al extremo superior es
difícil de estimar, depende de las precauciones constructivas (largo de
conexiones, calidad de masas, acoplamientos indeseados, etc.). Según el texto llega
al menos hasta 30MHz.
Roímetro de línea de transmisión
Y esos roímetros que no tienen toroide?. Veamos la {roimtr12}:

En A, ambos bobinados tienen la misma inductancia, y no es un valor
"cuanto más, mejor" sino un valor determinado. La corriente que
atraviesa el primario no ve una baja resistencia sino una baja reactancia
inductiva. La tensión sobre el secundario está desfasada 90 grados respecto de
la corriente primaria.
El divisor de tensión capacitivo-resistivo, provee una fracción de la tensión
de la línea, con la que también guarda un desfasaje de 90.
No vamos a detallar para dónde apuntan los vectores, pero según la fase de los
bobinados se logra lo mismo que con el roímetro descrito en detalle: en un
sentido se tiene una lectura nula cuando la carga está adaptada, y en el otro
se lee proporcionalmente a la componente de tensión directa.
En B tenemos el circuito implementado en microstrip, líneas impresas. Las
inductancias son las de las líneas, que también presentan acoplamiento
inductivo y la capacitivo.
En C está la clásica versión con un alambre metido dentro del coaxil.
El problema de estos roímetros basados en reactancias es que son terriblemente
dependientes de la frecuencia. En 10m requieren 8 veces menos tensión que en
80m, o sea 64 veces menos potencia. En algunas versiones se agrega un pasabajos
antes del diodo para planchar la respuesta.
________________________________________________________________________________
* Al especificar una ROE es necesario aclarar con respecto a qué Z es esa ROE:
un resistor de 50ohm presenta adaptación perfecta en un sistema de 50, pero
representará una ROE de 1,5 en uno de 75. Un ábaco de Smith normalizado (con
"1" en su centro) que no especifique la impedancia con respecto a la
cual está normalizado, no tiene utilidad.
*¿Por qué los electricistas no se preocupan por cosas como la impedancia
característica, la longitud de onda, la ROE, etc.?. Porque las distancias
involucradas, en 50Hz representan fracciones bastante menores que 1/4 de onda.
Haría falta una línea de 1500km para que mida 1/4 de onda a 50Hz: si un extremo
se conecta a una usina y el otro se deja abierto, la usina estará viendo un
cortocircuito (la distancia verdadera será menor, debido a la velocidad de
propagación real y a la cercanía del suelo).
Otras comparaciones:
- 10mm en 50MHz es como 10km en 50Hz
- Una línea telefónica de 17km, con factor de propagación de 2/3, dejando un
extremo abierto, en el otro se ve un cortocircuito a 3kHz.
* Si hay un choke en paralelo con la salida de antena de un transmisor o
receptor, es para proveer una descarga a tierra (chasis) para la estática que
se va acumulando en la antena: no forma parte de la red de adaptación.
* No es del todo correcto la frase "la máxima transferencia se da para Z
de carga IGUAL a Z de generador". Cuando estamos en el caso genérico de
impedancias complejas, la máxima transferencia exige que las impedancias de
generador y carga sean CONJUGADAS entre sí. O sea, si el generador tiene 40 +
j15ohm, deberá ver una carga de 40 – j15ohm.
* Los conectores llamados "UHF" en realidad no son muy buenos para
UHF. Un buen UHF tiene bajas ROE y atenuación hasta unos 200MHz. Para más
arriba son recomendables los N.
* Si se necesita aplicar un alto nivel a la entrada de un reflectómetro, para
poder tener un nivel suficiente en el detector, asegurarse de no estar
sobrecargando el dispositivo que se está midiendo.
* Si se posee transmisor y receptor por separado, conviene compartir el
transmatch: si éste se ajustó para presentar 50ohm al transmisor, entonces
prestará mismo servicio al receptor.
Editado 02/03/2012
* Cuanto menos plástico haya dentro de un coaxil, menor es la atenuación. Por eso
los cables con dieléctrico de espuma (foam) pierden menos que los compactos, y el aire es mejor aún que la espuma.
Pero curiosamente lo que más hace bajar las pérdidas totales del cable NO es la
mejor calidad del dieléctrico resultante. Cuanto más dieléctrico se reemplace por aire, la permitividad (constante dieléctrica) equivalente del conjunto plástico+aire disminuye,
tendiendo a la del aire (=1). Por fórmula, esto hace subir la impedancia característica. La
única forma de conservar su valor original sin variar las dimensiones
exteriores del cable es haciendo más grueso el conductor central. Esto hace
bajar las pérdidas, ya que disminuye su
resistencia pelicular. Por supuesto, la mejor calidad del dieléctrico mixto
también ayuda, pero veremos que no tanto.
La siguiente figura demuestra la incidencia de las pérdidas del conductor y del
dieléctrico.

Los dos gráficos son lo mismo, sólo que en uno la escala de frecuencia se eligió
logarítmica, y en el otro lineal.
- Curva azul: es la atenuación real de un cable (variante del RG6, se eligió este cable únicamente porque
su fabricante publicó datos hasta los GHz, pero el concepto vale para cualquier coaxil con dieléctrico).
- Curva roja: es una curva inventada, proporcional a la raíz cuadrada de la
frecuencia, con su coeficiente elegido por tanteo en la hoja de cálculo para que
su forma se aproxime lo mejor posible a la real, debajo de UHF.
- Curva verde: directamente proporcional a la frecuencia, también tanteada, para
coincidir con el error entre la azul y la roja.
Qué observamos en el gráfico de la izquierda?.
- En todo el rango de MF, HF y VHF
la curva roja de raíz cuadrada encaja muy bien con la realidad. Y
justamente, se sabe que la resistencia por efecto pelicular varía con la raíz cuadrada de la
frecuencia.
-
En cambio, a partir de unos 300MHz, la atenuación real es cada vez mayor
que la curva roja, esto se ve mejor en el gráfico derecho. Se tanteó el
coeficiente de la curva verde (es una línea recta) para que coincida con la
diferencia de atenuación. Bueno, las pérdidas en un dieléctrico son directamente
proporcionales a la frecuencia.
En resumen: lo que más influye en la atenuación es las pérdidas
del conductor, no tanto las del dieléctrico, aun en UHF.
Penúltimo: y en 1MHz (y hasta CC), por qué divergen las curvas azul y roja?.
Porque ahí manda únicamente la resistencia en CC, la que no tuvimos en cuenta.
Último: y las pérdidas en la malla?. Está metido todo en la misma bolsa junto a
las del conductor central, pero no importan tanto porque la sección pelicular de
la malla es bastante mayor que la central por tener mayor diámetro. Por eso no
afecta mucho que la malla se haga de aluminio en vez de cobre, por economía.
* Un problema de los dieléctricos no compactos es la propagación de la humedad.
Antiguamente existía el dieléctrico "Tubaire" con canales de aire en
el sentido del cable: una pinchadura en un punto por el que entrase agua
afectaba gran cantidad de cable al avanzar por los canales por capilaridad. En
los de espuma el problema es algo menor. Los usados en CATV como el tipo MC2
(eme ce cuadrado),
son casi todo aire salvo delgados tabiques plásticos cada tanto para mantener
centrado el conductor central: en éstos el agua queda confinada entre dos
tabiques.
* Una anécdota: los cables coaxiles, a igual tecnología de los materiales
conductores y dieléctricos y a igual Z0, pierden menos cuanto mayores sean los
diámetros. Ahora bien, así como un electricista puede instalar cables en
paralelo para reducir las caídas, ¿es posible simular un coaxil grueso conectando
dos comunes en paralelo?.
Supongamos tener 100m de un cable de 50 ohm que pierden 10dB a cierta frecuencia.
Ahora
pongamos dos tramos de 100m uno al lado del otro, con un divisor por dos
(splitter) sin pérdidas en una punta, y otro en la otra. Cuánto perderá el
conjunto?.
Inyectemos una señal al 1er splitter, con un nivel que tomaremos como 0dB. En
cada una de sus salidas tendremos la mitad de potencia, o sea -3dB. En la otra
punta de los cables, después de la atenuación de 10dB, habrá -13dB en cada una.
El 2o splitter suma ambas potencias, o sea duplica, suma 3dB, con lo que a su
salida tenemos -10dB. No hemos ganado nada!
Y si los ponemos directamente en paralelo, sin los splitters?. Simplemente se
comportará como un coaxil de 25 ohm que pierde 10dB.
* La Z0 de las líneas de transmisión, si éstas se componen de reactancias
puras, se demuestra que es resistiva pura. Rara vez se especifica la tolerancia
de Z0 de un coaxil, pero no sólo tiene tolerancia, sino que también es posible
que la Z0 no sea constante a lo largo del rollo. Aunque los factores que
intervienen en la ecuación de Z0 (el dieléctrico, y los diámetros de conductor
interior y exterior) sean constantes, es posible que en el proceso de
fabricación el conductor interior no esté exactamente en el centro, y que esta
excentricidad varíe de un tramo a otro. Esto se debe a que el cable está
todavía caliente cuando se lo va enrollando, y la tensión mecánica que recibe
puede no ser constante. La consecuencia es que al barrer en frecuencia un
tramo, aún si se pudiese elegir en forma fina las impedancias de terminación,
es imposible evitar totalmente el ripple en la respuesta.
Cómo saber si un cable está OK en cuanto a impedancia (por si el conductor
central se ve muy descentrado, etc.): tomar una buena longitud de cable (que
pierda por lo menos 3 ó 6dB), cargarlo en una punta en su Z0, y medir la ROE en
la banda de interés. A esto se le llama pérdida de retorno estructural.
* Desde que las PC tienen procesadores con velocidades que superan el centenar
de MHz, el diseño de las plaquetas comienza a necesitar de expertos en RF: las
pistas entre micro, RAM y periféricos PCI ó AGP se tienen que estudiar como
líneas de transmisión, cuidando su Z0 y tiempo de propagación.
* Cómo mejorar la pérdida de retorno en
conexiones de banda ancha: ver {PerdiRet}:

En A), Cp representa la capacitancia parásita en una conexión. En un caso real,
en que se había tomado la precaución de calcular la conexión como un microstrip
de 75ohm, Cp era una isla de impreso de gran diámetro, inevitable, para dar
anclaje mecánico a un borne. Su presencia hace que la pérdida de retorno vaya
disminuyendo (o sea, aumenta la ROE) al subir la frecuencia.
En B) se agregó una bobina que se hace resonar (con Cp) a la máxima frecuencia
de trabajo deseada. Debe ser soldada directamente en el punto de la
discontinuidad. Luego se agrega además un capacitor tal que se vuelva a tener
la misma pérdida de retorno inicial en la frecuencia deseada. Obviamente, su
valor coincidirá con Cp (ya no es desconocido).
Por último, rearmar el circuito como se muestra en C), donde Ls se varía para
obtener la curva que más guste, retocando el capacitor agregado si es
necesario. En caso que no se pueda obtener una p.r. satisfactoria en todo el
rango con ninguna combinación de los componentes agregados, no habrá más
remedio que volver atrás y tratar de atacar la causa raíz.
Si hay varios factores de desadaptación (chokes, descargadores gaseosos,
conectores, test points, etc. ) a lo largo de una línea impresa, habrá que
cortar la pista en el primero, corregirlo, luego pasar al siguiente, etc. Si
no, uno puede volverse loco.
Un inductor a masa para la RF (p. ej. un choke para telealimentación) introduce
una desadaptación en baja frecuencia. En D se mejoró la p.r. eligiendo el valor
del capacitor de acople, en vez de darle un valor bien alto. Debe chequearse
también la planicidad: si no es buena, deberá colocarse otro inductor a masa
idéntico del otro lado del capacitor.
En todo lo que estuvimos hablando, no se trata más que de absorber al elemento
perturbador dentro de un Chebyscheff pasabajos o pasaaltos.
* Se sobreentiende que todo problema de
masa o realimentación que modifique la respuesta en frecuencia, también influye
en la desadaptación en las conexiones.
* A riesgo de reiterar algo dicho más arriba: cambiar la longitud de una
línea hace que cambie la Z que se ve, pero no cambia la ROE (salvo que la línea
pierda mucho). Si el roímetro parece mostrar que sí cambia, entonces la línea
está irradiando (corriente externa en la malla si es coaxil). Hasta que no se
solucione este detalle, p. ej. con un balún, lo que marca el roímetro es
mentira.
* Más lectura sobre ROE:
www.solred.com.ar/lu6etj/tecnicos/roe/roe.htm
{ En 2019 ya no existe Solred. Ir a
http://lu6etj.host-argentina.com.ar/lu6etj/tecnicos/roe/roe.htm
}
{ Agregado Julio 2019 }
La ROE (SWR, o más correctamente VSWR, voltage standing wave
ratio) es la relación entre la tensión máxima y mínima que se puede encontrar a
lo largo de una línea. Para impedancia de carga (Zl) resistiva, este número
coincide con la relación Zl/Zo o Zo/Zl (elija la fórmula que dé >1), donde Zo es
la impedancia característica de la línea.
Pero esta definición sólo funciona si la línea tiene al menos 1/4 de longitud de
onda eléctrica (a veces hace falta hasta 1/2), porque si es más corta no
tendremos un máximo o un mínimo que podamos meter en la fórmula. Esto ocurre en
la corta sección de cable entre el Tx y el medidor de SWR, o en un cable de 10m
que alimenta una antena para 80m. Pero la fórmula de la relación de impedancias
igual se aplica.
En la figura tenemos tres casos: Zl igual a Zo (SWR = 1); Zl muy alta (SWR = 3);
y el caso anterior agregando un transmatch.
Para simplificar, se supuso que Zl es resistiva, que la longitud eléctrica de la
línea es de 3/4 de onda, que no tiene pérdidas, y que el transmisor es un
generador con una impedancia de salida interna igual a Zo. Estos datos se
ingresaron en un simulador de circuitos Spice. La línea se dividió en 3
secciones de 1/4 conectadas en cascada para conocer las tensiones máximas y
mínimas en las uniones.

(Nota: independientemente de cómo se dibujó, no importa si la línea es coaxil o de conductores paralelos).
Como se sabe, una línea de 1/4 de onda funciona como un
transformador de impedancia:
- Si una línea de 50 ohm está cargada con 150 (triple), el otro extremo 've' una
impedancia de 16,67 (un tercio), y viceversa.
- Dos secciones de 1/4 (1/2 en total) no transforman: lo que sube una sección,
la otra lo baja. Ídem para múltiplos de 1/2.
- Y 3/4 (o un múltiplo impar de 1/4) son como si fuera uno solo de 1/4.
Esto se muestra en el segundo caso. El simulador calculó máximo y mínimo de 1,5
y 0,5V. Justamente, su relación coincide con SWR = 3.

Observe que la potencia en la carga bajó de 20 a 15 mW, es decir, "refleja" 5
mW. Si va a un nomograma, le da una potencia reflejada del 25% para SWR = 3.
Decir que retorna un 25% de potencia es como decir que hay una 'pérdida de
retorno' de 6dB. Esos -6dB son 25% en potencia: retorna la cuarta parte. Y son
50% en tensión: 0,5V (6dB por debajo de 1V) regresan con un signo tal que
se suman en la carga (1+0,5 = 1,5V) y se restan después de una longitud de 1/4
(1-0,5 = 0,5 V). Vio que la aguja en un medidor de onda reflejada apunta exactamente a
la mitad de la escala cuando SWR = 3? Esta es la explicación. También por eso el
círculo de SWR=3 tiene mitad de radio en el ábaco de Smith.
Pero no nos
preocupemos por la pérdida de retorno, los radioaficionados nos expresamos en SWR.
Finalmente, al agregar un transmatch sin pérdidas (representado por un
transformador) justo después del Tx, el Tx 've' 50 ohm nuevamente, es decir, SWR
= 1 en su conector. La potencia en la carga vuelve a ser de 20 mW.

Este análisis, que utiliza un caso especial, no es tan "serio" como un análisis
matemático riguroso que se pueda aplicar a cualquier situación (Zl compleja,
línea de cualquier longitud, y con pérdidas). Sin embargo, está claro que
incluso si se logra SWR = 1 en el conector Tx, la SWR EN LA LÍNEA no cambia. Al
Tx no le importa lo que haya en la línea, después del transmatch. Eso sólo nos
importa si la línea tiene pérdidas importantes, o si la tensión es demasiado
alta (arcos).
Ahora: si con SWR = 3 y sin transmatch pierdo sólo el 25% de potencia, vale la
pena adaptar al Tx? SÍ!!! Pero no por la insignificante pérdida de potencia,
sino porque un Tx diseñado para ver 50 ohm, si ve 16,67, puede dañarse,
producir más espurias, o largarse a autooscilar.
P.D. Sinónimo de transmatch? Cada vez que se lea
'sintonizador de antena' (conectado cerca del Tx) debería leerse 'sintonizador
de sistema de antena'. El sistema de antena es la antena más la línea, más un
balun o un-un si existe. Y quizás 'sintonizador' tampoco sea la palabra más
apropiada, me gustaría más 'adaptador' o 'acoplador'. Porque para mí,
'sintonizar' es sólo 'hacer resonante', es decir, 'eliminar la parte reactiva',
pero la parte resistiva no necesariamente tiene el valor que se necesita.
Entonces, un transmatch es tanto un sintonizador como un transformador variable.
<eof>