- LU9JKU
- HAM
- Radio
- Station
website
*****
Portada
MENU
Links
Active Bands
- ---------------------------------
-
- LU9JKU
- HAM
- Radio
- Station
website
*****
Portada
MENU
Links
Active Bands
- ---------------------------------
LU9JKU
- ---------------------------------
Portada
MENU
- City
- Concepción
- del
- Uruguay
---------------------------------
- HAM
- Radio
- Station
LU9JKU
- Concepción del
Uruguay
- Entre Rios
- Argentina
---------------------------------
- LU9JKU
- ---------------------------------
website
*******
- LU9JKU
- HAM
- Radio
- Station
website
*****
Portada
MENU
Links
Active Bands
- ---------------------------------
-
- LU9JKU
- HAM
- Radio
- Station
website
*****
Portada
MENU
Links
Active Bands
LU9JKU
- Concepción del
Uruguay
- Entre Rios
- Argentina
---------------------------------
- LU9JKU
- HAM
- Radio
- Station
website
*****
Portada
MENU
Links
Active Bands
- ---------------------------------
-
- LU9JKU
- HAM
- Radio
- Station
website
*****
Portada
MENU
Links
Active Bands
- LU9JKU
- HAM
- Radio
- Station
website
*****
Portada
MENU
Links
Active Bands
- ---------------------------------
-
- LU9JKU
- HAM
- Radio
- Station
website
*****
|
Planos,
esquemas y circuitos.

- Antena colineal para
UHF de LU5ENM, recibida via BBS LU3JKV

- Circuito para conexión PC
- radio por sound blaster (recibido via packet
BBS de LU3JKV)

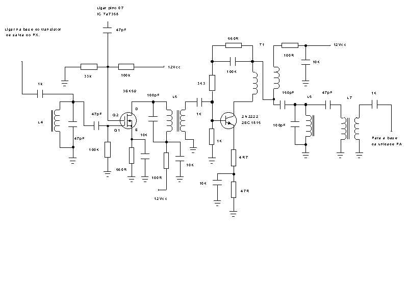
- Esquema de trasversor de
PY4JR Lobato, sección de RX, recibido vía
LU5JBM.

- Esquema de trasversor de
PY4JR Lobato, etapa de salida TX, recibido vía
LU5JBM.

- Circuito electrico para
fuente VCC 10 Amp. con CI LM 723, recibido vía
LU5JBM

- Protección de
sobretensión para fuente alimentación VCC.

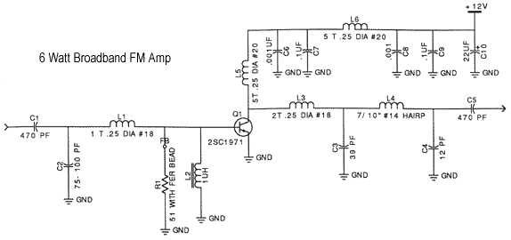
- Circuito para
amplificador lineal VHF con TR 2SC1971.
|