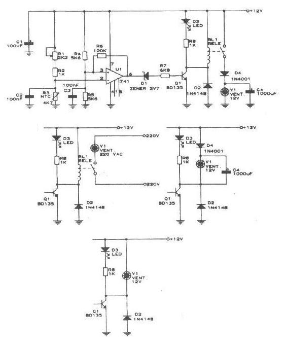
Termostato electrónico


   Si usted necesita refrigerar una fuente de alimentación o algún otro equipamiento de su estación de radio, aquí tiene el dispositivo termostático que controlará el ventilador que realizará tal operación.

   El potenciómetro R1 es quien fija el nivel de temperatura que hará que se ponga en funcionamiento el ventilador.

   El conexionado del ventilador dependerá del tipo que se utilice. Normalmente utilizaremos los contactos del relé en serie con la alimentación del ventilador, tanto si es de 12V como si es de 220V.

   Si el ventilador es relativamente pequeño y su consumo no supera los 100mA, será posible eliminar el relé y alimentarlo directamente mediante el transistor Q1.

   En la parte inferior del circuito se pueden ver los distintos conexionados posibles.

   El primer circuito muestra la conexión directa del ventilador al colector del transistor, con lo que ahorramos el relé.

   El segundo circuito indica cómo conectar un ventilador de 220V de corriente alterna. El tercer circuito indica como conexionar directamente el ventilador al transistor, sin utilizar el relé pero utilizando el filtro formado por D4 y C4.