BATC

STREAMING:

 

 

 

 

 

 

 

 

 

 

 

 

 

 

 

 

 

Esta es una traduccion de la página de mi amigo Antonio, IK1HGI de Trecate, Novara, Italia

¡Gracias Antonio!

 

Proyecto y experimentación Antena Ranurada para10 Ghz

 

 

Antena ranurada para 10Ghz

 

como fue realizada
 

Primera experimentación, la idea fue ver la antena ranurada para 10 Ghz desde diversos sitios, por lo que procuré de poder construirla tambien yo. En ésta página explico como realizar una antena ranurada para la banda de 10 GHz.

Tres tornillos de ajuste

 

En la foto se pueden ver los tres tornillos de 0,2 mm para ajustar la antena ranurada sobre la frecuencia de 10 Ghz.

 

 

WR75 con conector N


 

Las dimensiones del WR75 son 4,1 X 4,1 mm.
visible sobre la foto.

 

Otros link sobre el tema 


 

Otros modos de realizar la antena ranurada
Antena - Alford slot
F8BYC -  Antena Fende para 10 Ghz

 

 

Las caracteristicas son las siguientes:

 

Frecuencia de trabajo________________    10 Ghz
Ancho interno de la guia______________    23 mm
Alto interno de la guia________________    10 mm
Relación ancho / alto ________________     2,30
Espesor de la pared de la guia_________     1 mm
Ancho de banda deseada_____________     0.02 GHz
Numero deseado de ranuras:__________      > 20
Largo mínimo de la antena ____________     385,4 mm
Largo de onda en el espacio libre_______     14,3 mm
Largo de onda en la guía _____________      18,3 mm
Lambda guía/lambda en espacio libre____      1,28
Punto medio X ______________________      15 mm
Largo de cada ranura_________________     13.7 mm
Ancho de cada ranura________________       2,0 mm
Ganancia___________________________     14,1 dBi
Angulo vertical de apertura ___________      4.0 grados

 


Fotos y diseño 212k Download
para realizar la antena.

Señal grafica

 

Lobulo gráfico de la antena en

transmisión.
 

 

Banda Base

 

En la foto de la derecha se puede apreciar el MODULADOR de Video y Audio para transmitir con un DRO Banda Base para 10 Ghz. Hice la prueba para ver la señal del  modulador de video y audio, utilice una pequeña telecamera y un receptor analógico y recibía la señal modulada, a la salida del modulador le inserté mi LNB ya modificado para la banda de 10 GHz, con un receptor analógico para la recepcion y ¡funzionaba! El resultado: una señal optima. La prueba que realicé fue hecha sin instrumentos, por lo que, aquellos que no tengan instrumentos pueden hacer la prueba como yo ha hice con un receptor analógico y un LNB modificado para la transmisión. Para la modificación adaptada para nosotros y que se explica paso a paso como hacerlo con un LNB:

  • click

     

     

    Material utilizado

     

     


     

    El receptor analógico se puede conseguir usado, lo que hice fue solo conseguir la parte del sintonizador.

     

    Perfil cuadrado de 10x10 mm

     

    Como se ve en la foto el pedacito de forma cuadrada de 10x10 por 20 mm de largo se deberá introducir dentro de la antena ranurada, de modo tal que los tornillos de sujeción lo sostenga sobre la pared, (no exagerar la fijación), éste pequeño rectangulo sirve para sintonizar la antena, y deberá moverse en forma vertical, haganlo de modo que no sea tan estrecho para no deformar la antena.

     

     

    click

    click

    Tornillos de fijación

     

    Los tres tornillos que ven en la foto fueron terminados en punta, de modo que cuando se metan dentro del bloque rectangular deben estar en linea como la foto de referencia y las medidas

     

    Agujeros laterales de 3 mm diametro

     

    Como se ve en la foto en el bloque de  10 x 10 el agujero se hace  de 3 mm, pasante no debe ser rosacado todo pero solo la parte central.

     

    1. De dos tornillos (sin cabeza)10 mm de largo y 3 mm de diametro.
    2. Un tornillo (sin cabeza) 30 mm de largo x 3 mm diametro
    3. Un bloque dado de 3 vias
    4. un trozo de bronce perfil cuadrado de 10 x 10 mm y  20 mm de largo

     

    click

    click

    Calibración

     

    Despues de haber realizado el trabajo, la calibración es muy simple, quien no disponga de un Analizador de Espectro, en simple modo busquen con la sintonía del receptor la señal producida por el circuito banda Base, luego mover algunos hertz, y a este punto veran que el instrumento de recepción se mueve, regular el bloque rectangular para la mayor señal. Luego de haber hecho la primera calibración conel bloque rectangular, regular los tres tornillos para lograr el maximo de señal. Repetir el procedimiento una vez más. Para terminar ajustar los tornillos de bloqueo del bloque rectangular para fijarlo y que no se mueva de esa posición.

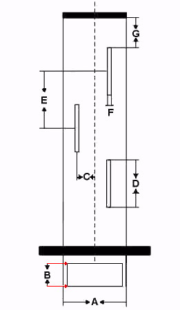
    Banda(MHz)
    Adaptador WR-xx
    "A"
    en mm
    "B"
    en mm
    "C"
    en mm
    "D"
    en mm
    "E"
    en mm
    "F"
    en mm
    "G"
    en mm
    1296,00
    WR650
    165,1
    82,5
    12,5
    113,0
    162,5
    16,5
    162,5
    2304,00
    WR340
    86,4
    43,2
    5,5
    65,00
    99,0
    10,0
    99,0
    3456,00
    WR284
    72,1
    34,0
    8,0
    43,5
    54,5
    5,5
    54,5
    3456,00
    WR229
    58,1
    29,2
    4,0
    43,5
    65,0
    6,50
    65,5
    5760,00
    WR187
    47,5
    22,1
    6,5
    26,0
    31,0
    3,0
    31,5
    5760,00
    WR159
    40,5
    19,3
    4,0
    26,0
    34,0
    3,5
    34,0
    10368,00
    WR102
    26,0
    13,0
    3,5
    14,5
    17,5
    2,0
    17,5
    10368,00
    WR90
    23,0
    10,1
    2,0
    14,5
    19
    2,0
    19,0
    10368,00
    WR75
    19,0
    9,7
    1,3
    14,5
    22,5
    1,5
    22,5
    24192,00
    WR42
    10,7
    4,4
    1,3
    6,0
    7,5
    1,0
    7,5

     

     

    Como hacer las medidas para otras frecuencias Fessura.xls

    Me resta solo augurarles un buen trabajo. Saludos IK1HGI

    Si tienen problemas envienme  un mensaje y yo respondo, acepto consejos,

     e-MAIL Antonio ik1hgi