|

|
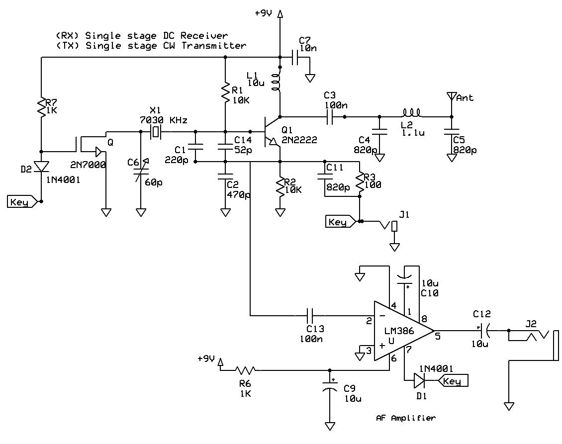
Arin
Arin is an extreme minimalist CW transceiver for the 7 MHz amateur band built around a single stage. The name
means "lightweight" in the ancient Euskera language.
Some of it's features are:
-
80 mW power output over 50 Ohms antenna
-
Direct conversion receiver.
-
Low power consumption, portable use with a standard 9V battery.
-
Use of very inexpensive parts, readily available.
-
Build after the long saga of the micro-80 design from Oleg Borodin (RV3GM), influenced by the
Currumim from PY2OHH and the XMB80-2 from G3XBM.
-
Able to be augmented by SDR transceiver such as M0KGK, SAQ or WinRad.
The transceiver is being developed, upgrades and modifications should be expected.
You could also see the
schematic
. The circuit has been published first at my
blog
.
|