Back Home Next

Amplificador Lineal


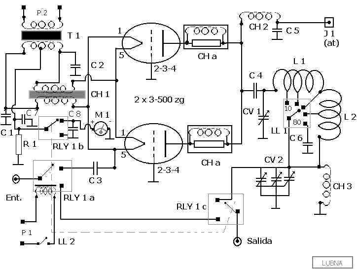
Esquema del amplificador utilizado por lu1ndc


Lista de Materiales

-Capacitores-

  • C1, C2, C3, C7 .001 mF x 600 volts
  • C4, C5 .001 mF x 10.000 volts
  • C8 .001 mF x 600 volts
  • C6 500 pF x 1500 volts
  • CV1 200 pF x 3.000 volts (separacion 2mm.)
  • CV2 3 x 410 pF (en tandem)
  • -Resistencias-

  • R1 10.000 ohms 10 watts
  • -Bobinas-

  • CH1 14 espiras de alambre 2,6 mm. bobinado bifilar sobre nucleo de ferrite de 12mm de diametro y 13 cms.de longitud.
  • CH2 60 mH. Aproximadamente 90 espiras de alambre 0,40 mm. espaciadas el diametro del mismo, 8,6 cms. de longitud, sobre forma de ceramica o teflon (se puede usar tambien una jeringa de vidrio) de entre 19 y 25 mm. de diametro. Resonancia serie en 26 Mhz.
  • CH3 2,5 mH. 500 mA.
  • CHa 3 y � espiras de alambre 1 mm. ,sobre 3 resistencias en paralelo de 100 ohms 2 watts, espaciadas sobre el resistor.
  • L1 10 y � espiras de ca�o de cobre de 6,3 mm. espaciadas 2 mm. derivaciones a partir del extremo de la placa aproximadamente 3 y � vueltas para 10 metros y 5 y � para 15 metros.
  • L2 25 vueltas de alambre 2,6 mm. ,a espiras juntas, sobre forma de 6 cms. Derivacion para 40 metros 10 espiras contando desde la union con L1.
  • -Miscelaneos-

  • T1 Transformador de 5 voltios 30 amperes con derivacion central.
  • M1 Miliamperimetro de 0-500 mA. (corriente de grilla)
  • LL1 llave de 1 piso, 5 posiciones, con contactos de buena calidad y aislacion
  • RLY1 Relay triple inversor con contactos de buena calidad y aislacion.
  • LL2 interruptor simple 200v 10 amp. (para el encendido de filamento y ventiladores
  • 2 Zocalos para 3-500z, 4 ventiladores de 5 pulgadas de diametro, tornillos,perillas, etc.

    Esquema de la fuente de alimentacion

    Back Home Next