Here are a few Laser Schematics

Block diagram    Receiver       Transmiter

For a big picture Click Here            For a big picture Click Here         For a big picture Click Here

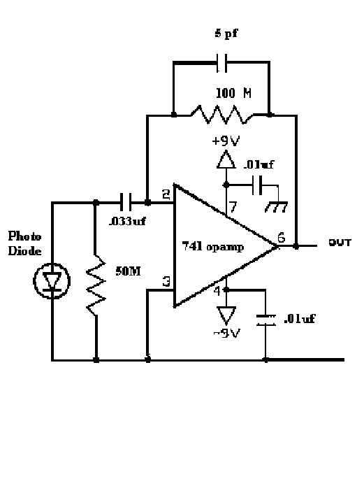
Laser Receiver

2 Mode Transmitter CW Voice

Laser Transmitter CW

Laser TransmitterVoice

 

Home ATV Repeater Band Conditions Download Field Day 2000 Links Laser Communications Laser Pictures