ミズホのユニットを活用した7MHzCW用トランシーバ

                             1998.1.17

                           JG1EAD 仙波春生

資料

回路図(全て同じ回路図です)
 (GIF1) (GIF in HTML) (PDF) (JPG) (JPG in HTML)

正面からみた写真

ダイアル部クローズアップ

トランシーバーの内部
この本文のPDFファイル

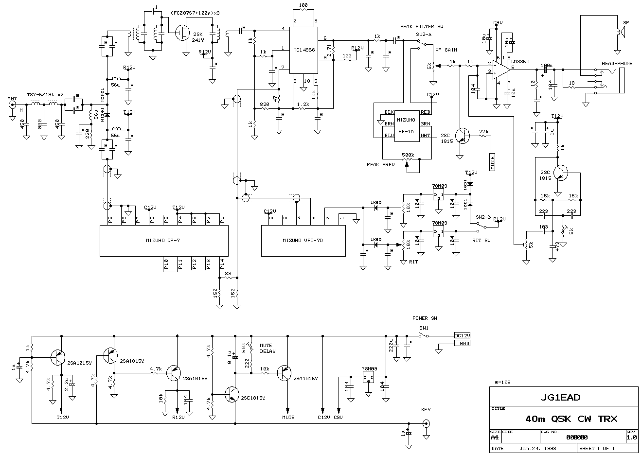
 本機は、ミズホのQP−7、VFO−7D等を活用して製作した7MHzCW用のトランシーバです。それだけであれば別に珍しくも何ともないのですが、運用時の実用性・操作性を考慮し、QSK(=フルブレークイン)機能やサイドトーン、AFピークフィルタ等を組み込んだデラックスな(?)仕様としている点が特徴です。

1.QP−7の組み立て

 QP−7については、オリジナル通りに組み立て、外部局発端子からVFOを注入しています。電源の供給方法については、終段を共通系12V、あとは送信系12Vとしています。また、キーイングを電源側で行うため、ドライブ段エミッタのキーイング端子ははじめから接地しておきます。

2.VFO−7Dの加工・調整

 VFO−7Dは、可変幅が200kHz近くあり、7MHz帯のCWだけで使うには、ボールドライブメカ二ズムを内蔵しているとはいえ、実用的とはいえません。このため、バリコンの二つのローテーターにパラレルにそれぞれ20pFのディップマイカを抱かせ、バリコンのトリマも、全部入れた状態にした上で、基板上のAのコア、Bのトリマを調整し、6.995〜7.045の50kHz可変としています。目盛り板1回転あたり100kHzに相当しますので、目盛りさえきちんとふれば、昔のHF機のダイヤル目盛りと同様の1kHz直読とすることも十分可能です(私はそこまでしませんでしたが)。当然、付属のダイヤル板は使えませんので、白色のプラ板を円形カッターで切り抜き、インスタントレタリングで数字を入れて自作しました。このような加工・調整後も、周波数の安定度や直線性はきわめて良好です。

3.受信部の製作

 このQP−7による送信部と組み合わせる受信部としては、ダイレクト・コンバージョン(DC)式がお似合いです。私は、2SK241Yの高周波増幅1段とMC1496Gによる復調としました。1496は、手持ちの在庫処分のために用いたにすぎず、SN16913や76514など他のDBM用ICでも特に大きな違いはないと思います。ダイオードDBMを使う場合には、AFでもう1段増幅する必要があるかもしれません。なお、DC式ですので、AGCやSメータは特についていません。

4.送受信切替回路等

 フルブレークイン動作を実現する場合には、CWの短点・長点と受信の頻繁な切り替えに際して不要なポップノイズ等が出ないよう、以下のような点に留意する必要があります。

・受信系・送信系電源にあまり大きなデカップリングコンデンサ(10uFなど)を入れず、0.1uF程度にとどめておく

・AF段入力端子等のカップリングコンデンサも同じく0.1uF程度とする

・送信から受信への切替時に10mS程度の遅延時間をもたせたAFミュートをかける

・スーパー式受信回路の場合には、受信の頭で感度抑圧が生じないようAGCの特性・時定数にも配慮が必要(今回は関係ない)

 また、DC式受信機をトランシープ動作させる場合、受信時に周波数をビート分だけシフトする必要がありますが、同時に、相手の信号が両サイドバンドで受信できてしまうこと、最近の250Hzというような狭帯域のCWフィルターを装備している相手に受信してもらうためには正確にゼロインする必要があること、の2点の理由から、RITを解除するスイッチを設け、相手局にゼロビートを取った後にRITを動作させて聞きやすいビート周波数に合わせるという手順が不可欠です。本機では、この手順を容易にするために、プッシュSWによりRITとAFピークフィルタを同時に解除できるようにしています(ピークフィルタを入れたままではゼロビートをとりにくい)。したがって、RITの方はあらかじめ好みのビート周波数になるようにセットしておけば、あとはほとんど手を触れる必要もありません。ミズホのピークフィルタ・ユニットPF−1Aは、ピーク周波数をVRで500〜1,000Hzの間で連続可変できますが、こちらの方もRITで設定したビート周波数にピークを合わせておけば、あとはあまりいじる必要がありません。

 アンテナスイッチについては、リレー式とダイオードSW式との間で好みが分かれるところかもしれませんが、フルブレークイン動作を考慮すると、ダイオードSW式を選択せざるを得ないような気がします。1W程度のトランシーバであれば三菱のMI301がよく使われます。その際、私も製作過程で経験しましたが、スイッチングするための順方向の電流が十分でなかったり、アンテナスイッチとアンテナ端子の間にローパスフィルタを挿入することを怠ると、優秀なコム・ジェネレータと化してしまいます。バイアス用抵抗は、12V電源に対して220〜680Ωといったところが適当と思います。

5.ケース加工

 それなりの実用機をめざしましたので、ケース加工も手を抜けません。機械的強度を増す意味もあって、ケース内にサブシャシーを設け、また、VFOはサブパネルに取り付け、ダイヤル目盛りを扇形のダイヤル窓から表示させています。フロントパネルは白色プラ板の化粧パネルをかぶせ、オリーブ色のラッカーで塗装を施しました。ちょっとレトロっぽくもあり、結構気に入っています。

6.使用感等

 CWの方はさっぱりうまくならず、QRPでの運用実績もあまりないのですが、フルブレークインの快適さはよく実感できます。サイドトーンは鳴っているけれども、実は送信に切り替わっていないのでは?と心配になるほどスムースです。受信時のピークフィルタも、ミズホの取扱説明書に「どんなにFBか、まず使ってみて下さい」と書かれている通り、大変FBで、水晶のCWフィルタに匹敵するのではと思うほどです。

 なお、送信部の高調波は、ローパスフィルタを追加して第2高調波が−63dB、第3高調波が−73dBでした。この状態では、出力をぎりぎり1W以内に抑えていることもあって、法令の許容値はらくらくクリアしています。QP−7はオリジナルの回路定数のまま出力最大に調整すると1Wを超えますので、ローパスフィルタは必須と思います。これをつけずに使うと、終段の調整状況如何では法令の許容値である40dBを確保できるかどうか微妙なところです。

 また、受信時のアンテナ端子への局発の漏洩は、FT900とアンテナ端子同士を直結して受信したときにS5程度で、置換法により約−95dBmと評価しています。法令による受信機の副次輻射の許容値が疑似空中線測定の場合約−54dBmですから、これもらくらくクリアしています。

 とまあ、いいことばかり書いてきましたが、欠点もあります。復調用ICを無調整で使っているため、夜になると強力な放送波の通り抜けが結構あります。また、AGCがないために、信号強度の差がそのまま音声の大小となって表れ、強力な信号にびっくりすることもあります。

 とはいえ、このような自作のシンプルなトランシーバに、本当に久しぶりに縦振れ電鍵などをつないで使ってみると、とてもわくわくするものですね。